Foram encontradas 40 questões.
O número 1/3 (um terço) em representação
decimal assume a forma: 0,33333… com uma
infinidade de casas decimais seguintes
(repetitivas) com o algarismo 3. Considere o
seguinte procedimento para descobrir o par de
números que forma uma dízima periódica
baseado em uma sequência de operações
aritméticas rudimentares e no encadeamento
lógico sequencial:
N = 0,33333... ⇒ 10N = 3,333333 ⇒ 10N - N = 3 ⇒ 9N = 3 ⇒ N = 3/9 ⇒ N = 1/3 Baseado neste procedimento, analise as
afirmativas abaixo e dê valores Verdadeiro (V)
ou Falso (F). ( ) 0,999999… = 1
( ) 0,1 + 0,01 + 0,001 + … = 1/9
( ) Um número que não exibe repetição como:
0,123456789101112131415… (onde se
encadeiam os inteiros crescentes ao longo de
suas casas decimais) pode ter a fração
determinada da mesma maneira.
Assinale a alternativa que avalia corretamente as afirmações acima em termos da mesma lógica apresentada no procedimento.
Assinale a alternativa que avalia corretamente as afirmações acima em termos da mesma lógica apresentada no procedimento.
Provas
Questão presente nas seguintes provas
Em uma rede social dois amigos, Fernando e
Roberto, analisam sua rede de amigos.
Fernando tem 2120 amigos, enquanto Roberto
tem 580 amigos. A rede completa de amigos de
um, de outro ou ambos tem 2550 pessoas.
Considere dois cenários: C1: dado que a pessoa é amiga de Roberto, qual
a chance dela ser amiga também de Fernando?
C2: dado que a pessoa é amiga de Fernando, qual
a chance dela ser amiga também de Roberto?
Assinale a alternativa que melhor aproxima o
valor da resposta de cada pergunta elencada
nos cenários acima.
Provas
Questão presente nas seguintes provas
Leia o texto abaixo para responder à questão.
Guerra de narrativas (adaptado)
Quando o sol parte e ficamos entretidos ao
redor da fogueira ou de frente à telinha, passamos a
uma dimensão em que é tênue a fronteira entre o real
e o imaginário, o território dos mitos, as sutis
engrenagens do nosso modelo social. Esse ritual
repete-se há pelo menos 50 mil anos. E, como é da
natureza do que é fundamental, histórias são simples.
Todas têm começo, meio e fim; personagens e
protagonistas; um cenário e um tempo. E mais: toda
trama possui um narrador, alguém que escolhe que
causo contar, onde o enredo começa e onde termina, o
que entra e o que sai. Esse narrador nem sempre é
visível, não há como apontar o autor de um mito ou do
que entendemos como senso comum.
Repetimos a balela do descobrimento da
América sem pensar que aqui já viviam pessoas antes
da invasão europeia. Se o uso da linguagem amplifica
a capacidade de colaboração, histórias determinam e
influenciam o comportamento social. Se repetimos a
narrativa de opressão, perpetuamos sua essência.
A habilidade narrativa determina quem tem voz.
A tensão entre grupos em disputa pela narrativa é tão
velha quanto a linguagem. Religiões e impérios sempre
espalharam suas falas e disputaram a atenção.
Identificar essas narrativas e a quem servem é o
caminho para delimitar quem nos fala e inferir o que nos
isola ou ajuda a colaborar.
Não existe narrador isento. Por mais cuidadoso
que seja, cada um carrega seu conjunto de valores e é
perpassado pelos julgamentos e assunções que vêm
com a cultura do grupo. Mesmo que não tenha
mensagem específica, o contador de histórias sempre
parte de sua visão de mundo.
https://vidasimples.co/conviver/guerra-de-narrativas/
Provas
Questão presente nas seguintes provas
- SintaxeTermos Essenciais da Oração
- SintaxeFrase, Oração e PeríodoOração SubordinadaSubordinada Adjetiva
- SintaxeFrase, Oração e PeríodoOração SubordinadaSubordinadas Adverbial
Leia o texto abaixo para responder à questão.
Guerra de narrativas (adaptado)
Quando o sol parte e ficamos entretidos ao
redor da fogueira ou de frente à telinha, passamos a
uma dimensão em que é tênue a fronteira entre o real
e o imaginário, o território dos mitos, as sutis
engrenagens do nosso modelo social. Esse ritual
repete-se há pelo menos 50 mil anos. E, como é da
natureza do que é fundamental, histórias são simples.
Todas têm começo, meio e fim; personagens e
protagonistas; um cenário e um tempo. E mais: toda
trama possui um narrador, alguém que escolhe que
causo contar, onde o enredo começa e onde termina, o
que entra e o que sai. Esse narrador nem sempre é
visível, não há como apontar o autor de um mito ou do
que entendemos como senso comum.
Repetimos a balela do descobrimento da
América sem pensar que aqui já viviam pessoas antes
da invasão europeia. Se o uso da linguagem amplifica
a capacidade de colaboração, histórias determinam e
influenciam o comportamento social. Se repetimos a
narrativa de opressão, perpetuamos sua essência.
A habilidade narrativa determina quem tem voz.
A tensão entre grupos em disputa pela narrativa é tão
velha quanto a linguagem. Religiões e impérios sempre
espalharam suas falas e disputaram a atenção.
Identificar essas narrativas e a quem servem é o
caminho para delimitar quem nos fala e inferir o que nos
isola ou ajuda a colaborar.
Não existe narrador isento. Por mais cuidadoso
que seja, cada um carrega seu conjunto de valores e é
perpassado pelos julgamentos e assunções que vêm
com a cultura do grupo. Mesmo que não tenha
mensagem específica, o contador de histórias sempre
parte de sua visão de mundo.
https://vidasimples.co/conviver/guerra-de-narrativas/
Provas
Questão presente nas seguintes provas
Assinale a alternativa que apresenta o uso
correto do acento grave, indicador de crase.
Provas
Questão presente nas seguintes provas
2097072
Ano: 2021
Disciplina: Engenharia Elétrica
Banca: IBFC
Orgão: Pref. São Gonçalo Amarante-RN
Disciplina: Engenharia Elétrica
Banca: IBFC
Orgão: Pref. São Gonçalo Amarante-RN
Provas:
A respeito de alguns dos conceitos
fundamentais de estudos luminotécnicos,
pode-se afirmar que as unidades de medidas
Lux, Candela e Lúmens, expressam, de acordo
com o Sistema Internacional de Unidades (SI),
respectivamente as seguintes medidas:
Provas
Questão presente nas seguintes provas
2097071
Ano: 2021
Disciplina: Engenharia Elétrica
Banca: IBFC
Orgão: Pref. São Gonçalo Amarante-RN
Disciplina: Engenharia Elétrica
Banca: IBFC
Orgão: Pref. São Gonçalo Amarante-RN
Provas:
Sobre o circuito abaixo, assinale a alternativa
incorreta.


Provas
Questão presente nas seguintes provas
2097070
Ano: 2021
Disciplina: Engenharia Elétrica
Banca: IBFC
Orgão: Pref. São Gonçalo Amarante-RN
Disciplina: Engenharia Elétrica
Banca: IBFC
Orgão: Pref. São Gonçalo Amarante-RN
Provas:
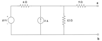
De acordo com o teorema de Thévenin, um
circuito linear de dois terminais pode ser
substituído por um circuito equivalente
composto por uma fonte de tensão em série
com um resistor, denominados Vth e Rth,
respectivamente. Analisando o circuito abaixo
e obtendo-se o equivalente de Thévenin visto
pelos terminais a-b, assinale a alternativa
correta.


Provas
Questão presente nas seguintes provas
2097069
Ano: 2021
Disciplina: Engenharia Elétrica
Banca: IBFC
Orgão: Pref. São Gonçalo Amarante-RN
Disciplina: Engenharia Elétrica
Banca: IBFC
Orgão: Pref. São Gonçalo Amarante-RN
Provas:
Analisando o circuito de primeira ordem
apresentado na figura a seguir e considerando que
a tensão inicial no capacitor VC(0) é de 5 V, assinale
a alternativa que apresenta o valor da tensão nos
terminais do capacitor no instante t > 0.


Provas
Questão presente nas seguintes provas
2097068
Ano: 2021
Disciplina: Engenharia Elétrica
Banca: IBFC
Orgão: Pref. São Gonçalo Amarante-RN
Disciplina: Engenharia Elétrica
Banca: IBFC
Orgão: Pref. São Gonçalo Amarante-RN
Provas:
Amplificadores operacionais são elementos
ativos amplamente empregados em circuitos
eletrônicos. Analisando o circuito ilustrado
abaixo composto por um amplificador
operacional, assinale a alternativa que
descreve corretamente o tipo de amplificador.


Provas
Questão presente nas seguintes provas
Cadernos
Caderno Container