Foram encontradas 1.600 questões.
A mistura de hábitos, idéias e religiões dos povos que viviam sob domínio macedônio ficou conhecida como cultura helenística. Sobre a cultura helenística afirma-se:
I. Os epicuristas eram partidários de uma corrente de pensamento que defendia que a felicidade estava relacionada com a libertação da dor e a obtenção do prazer.
II. Os céticos buscavam o equilíbrio entre a dor e o prazer, enquanto os estóicos não acreditavam na existência de uma verdade absoluta.
III. Na astronomia, Ptolomeu sistematizou os princípios da teoria geocêntrica na obra Almagesto.
IV. Na geografia, Arquimedes calculou a medida de circunferência da terra e Eratóstenes foi considerado o maior anatomista da Antiguidade.
Estão corretas apenas as afirmativas:
Provas
Questão presente nas seguintes provas
Observe o circuito abaixo

Supondo que o amplificador operacional não é ideal e que apresenta uma corrente de polarização muito pequena, o módulo da tensão de offset do amplificador operacional |Vos| é
Provas
Questão presente nas seguintes provas
Analisando os enunciados abaixo, marca (V) VERDADEIRO ou (F) FALSO. Segundo Hernández (2005), autor que há mais de vinte anos vem dedicando parte de seu trabalho à formação inicial de professores do ensino médio, podemos nos aproximar da noção de cultura visual por vários ângulos:
(......) a partir de uma abordagem que enfatiza e determina a leitura de imagem como foco principal das ações com as imagens.
(......) a partir de uma história cultural da arte, prestando atenção no contexto de produção das representações que chamamos obras de arte, mas também da sua distribuição e recepção.
(......) a partir das representações que estão vinculadas à paisagem visual dos sujeitos.
(......) a partir da ideia que considera a cultura visual como uma trama teórico-metodológica derivada do pós-estruturalismo, dos estudos culturais, da nova História da Arte, dos estudos feministas, entre outras fontes.
A sequência correta de preenchimento dos parênteses, de cima para baixo, é:
Provas
Questão presente nas seguintes provas
“As atividades educativas na escola não podem ter uma visão ______________de transmissão de conhecimentos, desenvolvimento de competências, saberes, habilidades, mas o reconhecimento de que para a formação do trabalhador para as relações _____________de produção, a escola tem que priorizar a sua constituição como seres humanos e sociais, ______________maneiras de viver, sentir e pensar”.
Provas
Questão presente nas seguintes provas
Qual das afirmativas é FALSA?
Provas
Questão presente nas seguintes provas
O trato gastrintestinal humano é um microecossistema cinético que possibilita o desempenho normal das funções fisiológicas do hospedeiro, a menos que microrganismos prejudiciais e potencialmente patogênicos dominem. Manter um equilíbrio apropriado da microbiota pode ser assegurado por uma suplementação sistemática da dieta humana, utilizando microrganismos e alimentos funcionais, sendo os derivados lácteos como leites fermentados e queijos exemplos de alimentos com tais características.
Considerando estes aspectos, analise as afirmativas abaixo, marcando (V) para verdadeiro ou (F) para falso:
I. ( ) Probióticos são componentes alimentares não digeríveis que afetam beneficamente o hospedeiro, por estimularem seletivamente a proliferação ou atividade de populações de bactérias desejáveis. Por exemplo, as fibras são lentamente ou apenas parcialmente fermentadas. A fermentação é realizada por bactérias anaeróbicas do cólon, levando à produção de ácido lático, ácidos graxos de cadeia curta e gases. Conseqüentemente, há redução do pH do lúmen e estimulação da proliferação de células epiteliais do cólon
II. ( ) São considerados alimentos funcionais aqueles que, além de fornecerem a nutrição básica, promovem a saúde, de mecanismos não previstos através da nutrição convencional, devendo ser salientado que esse efeito restringe-se à promoção da saúde e não à cura de doenças.
III. ( ) A definição atualmente aceita para prebióticos é que eles são microrganismos vivos, administrados em quantidades adequadas, que conferem benefícios à saúde do hospedeiro. Os leites fermentados e queijos são os principais produtos comercializados no mundo, contendo culturas probióticas.
IV. ( ) Um produto referido como simbiótico é aquele no qual um probiótico e um prebiótico estão combinados. A interação entre o probiótico e o prebiótico in vivo pode ser favorecida por uma adaptação do probiótico ao substrato prebiótico anterior ao consumo.
A seqüência correta é
Provas
Questão presente nas seguintes provas

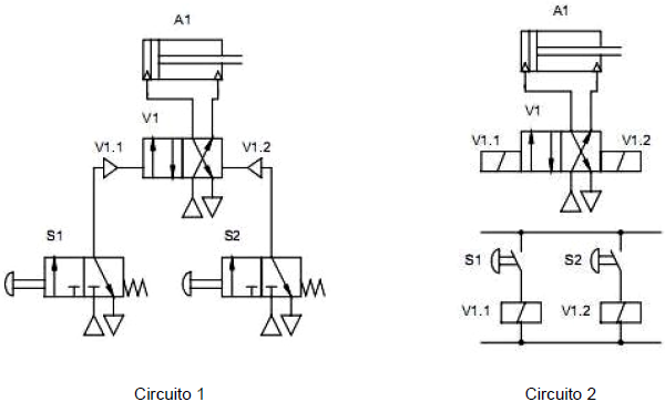
Sobre as características dos componentes do Circuito 1 e seu funcionamento, afirma-se que
Provas
Questão presente nas seguintes provas
Krashen's Monitor Theory (MT) has been applied to classroom teaching of foreign and second languages.
Common to these applications, with the exception of one, are advocacy of
Provas
Questão presente nas seguintes provas
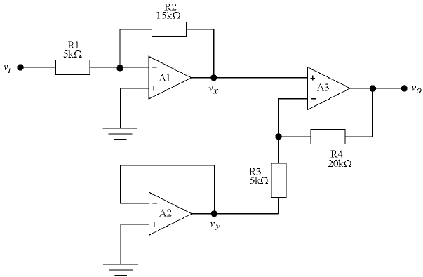
Observe o circuito abaixo.

A tensão de saída, considerando os amplificadores operacionais ideais, é dada por
Provas
Questão presente nas seguintes provas
A forte chuva que atingiu a Grande São Paulo, na madrugada de quinta-feira (21 de janeiro de 2010), provocou novos deslizamentos e mortes.
Este não é um fato isolado, estados como Rio de Janeiro, Minas Gerais e Espírito Santo vêm registrando, reincidentemente, alagamentos, quedas de barreiras, casas destruídas e famílias inteiras dizimadas.
Nessa época do ano, os casos se intensificam em virtude das elevadas precipitações pluviométricas, que por muito tempo, foi acusada de ser a grande vilã dessas catástrofes. Junto a essas precipitações outros fatores como o crescimento explosivo da ocupação urbana sem planejamento, a retirada da vegetação das encostas dos morros, a derrubada das matas ciliares, e a construção de estradas, contribuem para essas tragédias, ano após ano.
Entre os vários processos causadores de acidentes geológicos em áreas urbanas são bastante comuns os escorregamentos, que tem como características
Provas
Questão presente nas seguintes provas
Cadernos
Caderno Container