Foram encontradas 1.600 questões.
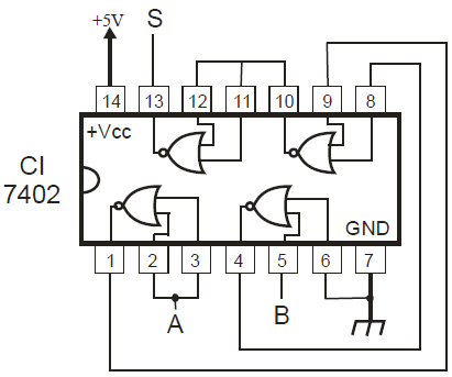
Observe o circuito abaixo.

O circuito integrado 7402, interligado de acordo com a figura, tem, como entradas, as variáveis A e B e, como saída, a variável S. A expressão lógica que representa o circuito implementado é
Provas
Questão presente nas seguintes provas
Um motor CC com excitação em derivação, 220 V, desenvolve 20 HP no eixo a 1800 rpm. O conjugado devido ao atrito e a ventilação é 6% do conjugado do eixo. O conjugado total desenvolvido no eixo do motor é
Provas
Questão presente nas seguintes provas
BBC Mundo
Última actualización: jueves, 5 de noviembre de 2009 - 15:44
Brasil: entrenarán a maestros por la violencia
Las escuelas públicas de Río de Janeiro, en Brasil, pondrán en práctica un plan de emergencia para entrenar a los docentes ante posibles episodios de violencia.
El programa capacitará a educadores y empleados para que sepan orientar a los alumnos en momentos de tensión, como los frecuentes tiroteos entre narcotraficantes y policías.
La Secretaría Municipal de Educación de Río anunció que el plan de protección para situaciones de peligro se aplicará en las 1.064 escuelas de la ciudad, 200 de las cuales se encuentran en áreas de "alto riesgo".
Como explica el corresponsal de la BBC en Brasil, Paulo Cabral, la decisión se debe a que la violencia entre policías y narcotraficantes con frecuencia se propaga a otros vecindarios e incluso llega a las escuelas, que a veces son atravesadas por los delincuentes mientras escapan de los uniformados.
"La idea es preparar a esos funcionarios para que tengan una actuación apaciguadora, dejando a los niños más calmados y dándoles seguridad en posibles situaciones de pánico", señaló la secretaría en un comunicado de prensa.
Los plazos para la aplicación del programa aún no fueron divulgados.
Violencia que no cesa
En los últimos días, más de 40 personas murieron por causa de los enfrentamientos entre bandas delictivas y las autoridades.
El miércoles pasado, cerca de 13.000 niños no pudieron asistir a escuelas públicas y guarderías por una serie de enfrentamientos entre bandas de narcotraficantes rivales y policías militares en Vila Kennedy, al oeste de Río.
Algo parecido sucedió el 20 de octubre, cuando grupos criminales invadieron un colegio en la favela de Manguinhos mientras escapaban de las fuerzas de seguridad.
Cabral comenta que, a diferencia de otras ciudades del mundo –cuyas zonas más peligrosas se encuentran en la periferia-, en Río muchos de los barrios marginales están muy cerca de las áreas más pudientes.
Esa proximidad física pone en evidencia la desigualdad social y hace más visible la violencia urbana.
"Abandonadas durante décadas por el Estado, las favelas acabaron siendo una base preferencial para delincuentes, especialmente narcotraficantes, y un pantano para la policía, que sólo logra entrar a esas áreas mediante el uso (y muchas veces abuso) de la fuerza", completa nuestro corresponsal.
http://www.bbc.co.uk/mundo/america_latina/2009/11/091105_maestros_brasil_rg.shtml
!$ \copyright !$ BBC 2009
entrenar a los docentes
capacitará a educadores y empleados
orientar a los alumnos
dejando a los niños
Todas las alternativas gramaticales posibles, por reemplazo de tales complementos por sus respectivos pronombres átonos, son
Provas
Questão presente nas seguintes provas
Qual gás, presente na atmosfera, é responsável pela filtração da radiação UV na faixa de 120- 220 nm?
Provas
Questão presente nas seguintes provas
A seguinte reação pode ser usada para preparar iodo no laboratório:
!$ Nal_(s) \, + \, H_2SO_{4(aq)} \, + \, MnO_{2(s)} \, \rightarrow \, Na_2SO_{4(aq)} \, + \, MnSO_{4(aq)} \, + \, I_{2(s)} \, + \, H_2O_{(I)} !$
A quantidade de agente redutor necessária para a obtenção de 508g de I2 é de
Provas
Questão presente nas seguintes provas
A conscientização sobre a gravidade do acúmulo de cloro na atmosfera gerou acordos internacionais para eliminar a produção mundial de CFCs. Qual das alternativas apresenta o protocolo que em 1987 deu início a este processo.
Provas
Questão presente nas seguintes provas
Durante a execução de um lance livre, sendo este único ou último, o jogador arremessa a bola diretamente na tabela e esta volta para um seu companheiro de equipe, que pega o rebote e arremessa, rapidamente convertendo a cesta. O árbitro deveria
Provas
Questão presente nas seguintes provas
O sistema construtivo com emprego de Alvenaria Estrutural, como todos os sistemas, apresenta vantagens e desvantagens inerentes às suas características. Dentre as alternativas abaixo, assinale aquela que NÃO é uma vantagem da Alvenaria Estrutural.
Provas
Questão presente nas seguintes provas
Do processo de calibração podem ser obtidas diversas informações relativas à qualidade do instrumento de medição calibrado. Sobre este tema, afirma-se:
I. A componente do erro de medição que se mantém constante, ou varia de forma previsível, é chamada de erro sistemático.
II. Os termos exatidão e precisão têm o mesmo significado.
III. O documento que registra os resultados de uma calibração é o certificado de calibração.
Está(ão) correta(s) a(s) afirmativa(s):
Provas
Questão presente nas seguintes provas
Um gerador de CA aplica uma tensão v = 2000 sen 400t (volts) a um capacitor de 5 !$ \mu !$F (circuito puramente capacitivo). Considerando !$ \pi !$ = 3,14, o valor aproximado que a corrente atinge no instante igual a 3 milisegundos, será
Provas
Questão presente nas seguintes provas
Cadernos
Caderno Container