Foram encontradas 1.600 questões.
Em uma bateria, com parâmetros internos desconhecidos, foram realizados dois procedimentos para levantar a sua resistência interna:
Procedimento 1: sem nenhuma carga na bateria, com o auxílio de um voltímetro ideal, mediu-se uma tensão de 12,5 V entre os terminais da bateria.

Procedimento 2: sem retirar o voltímetro ideal, conectou-se um resistor de 10 !$ \Omega !$ aos terminais da bateria, então a tensão medida foi de 11,9 V.

Baseado nas informações fornecidas, a alternativa que corresponde ao valor correto da resistência interna (Ri) da bateria é
Provas
Questão presente nas seguintes provas
Uma fonte monofásica CA de 120 V controla potência para uma carga resistiva de 80 !$ \Omega !$ usando controle de fase. Para a potência média de 36 W, o ângulo de retardo necessário é, aproximadamente,
Provas
Questão presente nas seguintes provas
O Debian 5.0 fornece facilidades de proteção aos arquivos e diretórios. É comum alterar essas permissões para que outros usuários, ou grupo, tenham permissões de leitura, escrita e execução ou, não tenham essas permissões. Sendo assim, deseja-se que o arquivo relatório.txt possua as seguintes permissões de acesso: dono leitura, escrita e execução, grupo leitura e execução e outros apenas leitura. Qual a linha de comando que irá criar essas permissões?
Provas
Questão presente nas seguintes provas
O ar saturado a 5ºC é pré-aquecido e depois saturado adiabaticamente. Este ar saturado é então aquecido novamente para uma condição final de 40ºC (temperatura de bulbo seco) e 30% de umidade relativa. A que temperatura, aproximadamente, deve o ar ser aquecido inicialmente na serpentina de pré-aquecimento?
Provas
Questão presente nas seguintes provas
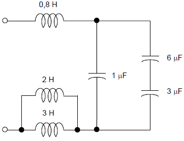
Observe o circuito abaixo.

A associação dos elementos do circuito resultam num indutor e capacitor equivalente a
Provas
Questão presente nas seguintes provas
O fluoreto de nitrila pode ser preparado, tratando-se o nitrogênio com flúor:
!$ 2 NO_{2(g)} \, + \, F_{2(g)} \, \rightarrow \, 2 \, NO_2F(g) !$
Use os dados da tabela abaixo para determinar a ordem e a molecularidade da reação.
| Experimento | Concentrações Iniciais (mol/L) | Velocidade Inicial (mol/L.s) | ||||
| [NO2] | [F2] | [NO2F] | ||||
| 1 | 0,001 | 0,005 | 0,001 |
2 x 10-4
|
||
| 2 | 0,002 | 0,005 | 0,001 | 4 x 10-4 | ||
| 3 | 0,006 | 0,002 | 0,001 | 4,8 x 10-4 | ||
| 4 | 0,006 | 0,004 | 0,001 | 9,6 x 10-4 | ||
| 5 | 0,001 | 0,001 | 0,001 | 4 x 10-5 | ||
| 6 | 0,001 | 0,001 | 0,002 | 4 x 10-5 | ||
Considerando os dados expostos acima, é correto afirmar que a reação é
Provas
Questão presente nas seguintes provas
Com Nível de Luneta, efetuaram-se, em dois pontos de um alinhamento, as seguintes leituras: L1=2600 mm e L2=1100 mm. Sabendo-se que a distância entre os dois pontos é de 30 m, a inclinação entre eles é de
Provas
Questão presente nas seguintes provas
O gráfico ao lado representa a posição em função do tempo para dois móveis, A e B.

De acordo com esse gráfico, analise as afirmativas abaixo.
I. No instante t1, o móvel B apresenta movimento uniformemente variado regressivo acelerado.
II. No instante t1, os móveis A e B apresentam a mesma velocidade.
III. No instante t1, os móveis A e B apresentam velocidades positivas.
IV. No instante t1, os móveis A e B estão na mesma posição.
Estão corretas apenas as afirmativas
Provas
Questão presente nas seguintes provas
Sabendo que o pressostato tem descompressor mecânico, é correto afirmar que, a vantagem de usarmos descompressor elétrico nos compressores que operam com pistão é,
Provas
Questão presente nas seguintes provas
La producción del fonema /l/ en final de sílaba, en palabras como mal, sol, Brasil, se realiza, en el continuo español-portugués, con sonidos que, en su articulación, varían entre [l] (alveolar), [L] (velarizado), [lw] (velarizado y labializado) y [w] (glide o semivocal), el primero de los cuales representa la forma del español, también coincidente con la forma más antigua del portugués brasileño.
Dicha variación, que se observa en dialectos fronterizos de Brasil y Uruguay, se da también en interlenguas de E/LE. Sobre esa situación ES INCORRECTO afirmar que los aprendices brasileños de E/LE ] (velarizado y labializado) y [w] (glide o semivocal), el primero de los cuales representa la forma del español, también coincidente con la forma más antigua del portugués brasileño.
Provas
Questão presente nas seguintes provas
Cadernos
Caderno Container