Foram encontradas 20.726 questões.
A linguagem utilizada no Arduino é parecida, principalmente, com C e C++. O Arduino Sketch é escrito em uma variação simplificada de C/C++, utilizando sintaxe de C++, mas com muitas bibliotecas prontas que facilitam o uso de hardware. O microcontrolador é muito útil para desenvolver projetos interativos independentes, ou pode ser conectado a um computador, a uma rede, ou mesmo à web para recuperar e enviar dados do Arduino e atuar sobre eles. Existem algumas instruções que podem ser executadas na função loop(), que é função principal do programa e executa continuamente, enquanto o Arduino estiver ligado. Uma dessas instruções é a “delay()”, que no Arduino é uma função usada para pausar (bloquear) a execução do programa por um tempo determinado.
Se em um determinado trecho de um programa em Arduino o objetivo seja de pausar a execução do programa em 0,8 s, qual o comando correto a ser utilizado?
Provas
Um inversor de frequência típico utilizado no acionamento de motores de indução possui três estágios principais: retificação, filtragem (barramento CC) e inversão.
A função do estágio de inversão é
Provas

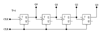
O circuito precedente utiliza dois flip-flops tipo D, ambos acionados por borda de subida do sinal de relógio (clk). Nesse circuito, quaisquer controles assíncronos (PRESET/CLEAR), se existentes, estão configurados de modo a permitir operação contínua. Em relação ao circuito mostrado, julgue o item a seguir.
As informações presentes no circuito permitem inferir que os estados das saídas (Q1, Q0), observados imediatamente após cada borda de subida do relógio, evoluem de forma cíclica, conforme a seguinte a sequência.
00 → 10 → 11 → 01 → 00 → ...
Provas

O circuito precedente é constituído por dois amplificadores operacionais e componentes passivos lineares. Nesse circuito, R 1 A = R 1 B = 1 k Ω , R 2 = 2 k Ω , R 3 = 5kΩ e C = 33nF. A tensão de entrada é v e(t) e a tensão de saída é v s(t) .
A respeito desse circuito, julgue os itens a seguir.
O circuito contém um filtro passa-alta de primeira ordem, com frequência de corte igual a 3.000 Hz.
Provas

O circuito precedente é constituído por dois amplificadores operacionais e componentes passivos lineares. Nesse circuito, R 1 A = R 1 B = 1 k Ω , R 2 = 2 k Ω , R 3 = 5kΩ e C = 33nF. A tensão de entrada é v e(t) e a tensão de saída é v s(t) .
A respeito desse circuito, julgue os itens a seguir.
O ganho DC do circuito é igual a −10.
Provas

Considerando a tabela-verdade precedente, julgue os itens a seguir.
A função lógica descrita pela tabela corresponde à função booleana mínima \( S=\overline{A}\cdot\overline{B}+C\cdot\overline{D}+A\cdot B\cdot\overline{D}. \)
Provas
Considerando que três engenheiros estejam realizando a análise de faltas em um sistema de energia elétrico trifásico, julgue os itens a seguir.
Caso os engenheiros trabalhem em equipe, bastará que um deles seja selecionado como líder, o qual deverá emitir a ART responsável pela atividade técnica, não sendo necessário mencionar os demais profissionais envolvidos.
Provas
Considerando que três engenheiros estejam realizando a análise de faltas em um sistema de energia elétrico trifásico, julgue os itens a seguir.
Se a configuração do sistema for estrela não aterrada, não haverá corrente de sequência zero.
Provas
Considerando os acionamentos de motores elétricos, julgue os itens que se seguem.
O diagrama a seguir representa o circuito de potência para uma partida direta de um motor.

Provas
Com relação a microcomputadores, julgue os itens a seguir.
Registradores são memórias de acesso lento utilizadas para armazenamento permanente.
Provas
Caderno Container