Foram encontradas 100 questões.

Texas Instruments, LM741 Operational Amplifier, Datasheet, outubro/2015.
Um importante componente dos circuitos eletrônicos é o amplificador operacional. O circuito acima mostra um exemplo de uso do LM741, um dos mais conhecidos. Com relação a esse circuito, julgue o item.
Espera-se uma inversão de fase entre a entrada e a saída.
Provas
Orientações pedagógicas da integração da educação
profissional com o ensino médio e a educação de jovens e
adultos
O cidadão pleno é aquele que consegue exercer, de forma integral, os direitos inerentes à sua condição. A cidadania plena passa a ser, desse modo, um ponto de referência para a permanente mobilização dos sujeitos sociais. Pensar sobre o papel que a educação cumpre na atualidade requer pensar sua função social, sua organização e o envolvimento dos sujeitos. Requer, sobretudo, pensar nas realidades que vivem e convivem no espaço escolar, considerando que as desigualdades e injustiças sociais expõem os equívocos de um modelo de desenvolvimento econômico e social que visa apenas ao lucro imediato de uma minoria e transforma as relações humanas em relações de mercado.
Internet: <http://forumeja.org.br>.
Com relação ao tema abordado no texto acima e à articulação entre educação profissional e educação de jovens e adultos, conforme o Decreto n.º 5.840/2006, julgue o item.
Os cursos técnicos devem ser integrados ao ensino médio e oferecidos a jovens e adultos com idade igual ou superior a dezesseis anos, que tenham o ensino fundamental completo e que não tenham concluído o ensino médio.
Provas
A educação de jovens e adultos
A educação de jovens e adultos é a modalidade de ensino destinada a garantir os direitos educativos dessa numerosa população com quinze anos de idade ou mais que não teve acesso ou interrompeu os estudos antes de concluir a educação básica. Conforme assinala Oliveira (1999), a modalidade não é definida propriamente pelo recorte etário ou geracional, e sim pela condição de exclusão socioeconômica, cultural e educacional da parcela da população que constitui seu público-alvo.
Internet: <https://gestaoescolar.org.br> (com adaptações).
De acordo com o que a Lei de Diretrizes e Bases traz sobre a educação de jovens e adultos, julgue o item.
Os conhecimentos e as habilidades adquiridos pelos educandos por meios informais serão aferidos e reconhecidos mediante exames.
Provas
O circuito eletrônico da figura a seguir tem o propósito de acionar um relé eletromecânico, cujo circuito elétrico de sua bobina é representado pelos componentes L1 e R2. O diodo D1 tem o propósito de servir como caminho para a dissipação da corrente elétrica quando a bobina for desenergizada e é conhecido como diodo de roda livre, devendo ser um diodo rápido. O comando digital é um sinal que ora assume 0 V, ora assume 5 V. De acordo com o manual do transistor Q1, o canal N é formado quando a tensão entre a porta e a fonte é maior que 1 V e, quando a tensão entre a porta e a fonte é de 4,5 V, a resistência entre dreno e fonte é menor que 0,4 Ω, mas nunca será nula.

Considerando o circuito eletrônico mostrado acima, julgue o item.
Espera-se que o relé seja acionado apenas quando o comando digital estiver em 5 V e, nesse caso, a corrente passando por sua bobina será menor que 400 mA.
Provas

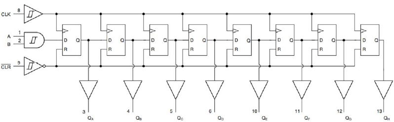
Texas Instruments, SN74HCS164 8-Bit Parallel-Out Serial Shift Registers With Schmitt-Trigger Inputs, jan./2021.
A figura acima mostra a estrutura interna de um registrador de deslocamento de 8 bits, o 74HCS164, da Texas Instruments. Com base nela, julgue o item.
Sendo QA o bit mais significativo e QH o bit menos significativo, é correto concluir que o dispositivo é capaz de realizar deslocamentos apenas para a direita.
Provas

Texas Instruments, LM741 Operational Amplifier, Datasheet, outubro/2015.
Um importante componente dos circuitos eletrônicos é o amplificador operacional. O circuito acima mostra um exemplo de uso do LM741, um dos mais conhecidos. Com relação a esse circuito, julgue o item.
Em condições ideais, o ganho de tensão da entrada para a saída é de 2.
Provas

Texas Instruments, LM741 Operational Amplifier, Datasheet, outubro/2015.
Um importante componente dos circuitos eletrônicos é o amplificador operacional. O circuito acima mostra um exemplo de uso do LM741, um dos mais conhecidos. Com relação a esse circuito, julgue o item.
O LM741 somente funcionará corretamente se a alimentação for simétrica.
Provas

Microchip, ATmega48A/PA/88A/PA/168A/PA/328/P megaAVR® Data Sheet, set./2020.
O diagrama da figura acima mostra os processos de busca de instrução e execução na série de microcontroladores megaAVR, seguindo ciclos do relógio da CPU (clkCPU). A partir desse diagrama temporal, julgue o item.
As instruções dessa série de microcontroladores requerem pelo menos dois ciclos de relógio para uma completa execução.
Provas
A educação de jovens e adultos
A educação de jovens e adultos é a modalidade de ensino destinada a garantir os direitos educativos dessa numerosa população com quinze anos de idade ou mais que não teve acesso ou interrompeu os estudos antes de concluir a educação básica. Conforme assinala Oliveira (1999), a modalidade não é definida propriamente pelo recorte etário ou geracional, e sim pela condição de exclusão socioeconômica, cultural e educacional da parcela da população que constitui seu público-alvo.
Internet: <https://gestaoescolar.org.br> (com adaptações).
De acordo com o que a Lei de Diretrizes e Bases traz sobre a educação de jovens e adultos, julgue o item.
Os sistemas de ensino não serão obrigados a oferecer cursos e exames supletivos para os educandos, uma vez que essas pessoas precisam concluir seus estudos com mais rapidez.
Provas
As primeiras avaliações diagnósticas sobre o desempenho dos estudantes durante a pandemia começam a ser divulgadas — e são desastrosas, até para os mais otimistas. Os números são muito preocupantes não só no que diz respeito à aprendizagem, mas, também, no que se refere ao aumento da desigualdade e do abandono escolar; neste último caso, a situação é mais grave entre os jovens que estão no ensino médio.
Segundo estimativas da Organização dos Estados Ibero-americanos (OEI), divulgadas recentemente, a América Latina retrocedeu em pelo menos oito anos no acesso ao conhecimento durante a pandemia. Em razão do pouco incentivo governamental para o acesso ao ensino remoto, milhões de crianças e jovens ficaram literalmente sem estudar ao longo de 2020, e isso ainda continua em 2021. A OEI estima que cerca de 17 milhões de estudantes dos últimos anos do ensino médio e dos primeiros anos da graduação terão dificuldades para continuar os estudos, principalmente por terem de auxiliar na renda familiar.
O problema deve se agravar ainda mais, especialmente em países como o Brasil, que não esboçaram nenhum plano nacional de conectividade digital que pudesse chegar aos mais pobres, levando-se em conta que a segunda onda de covid-19 está extremamente agressiva, e a vacinação, muito lenta. As escolas públicas devem continuar fechadas, em sua larga maioria.
As escolas particulares, por sua vez, estão conseguindo oferecer o ensino combinado presencial e remoto, apesar das dificuldades geradas pelos ciclos sanitários da pandemia, que se agravavam em alguns momentos em determinadas regiões do País.
Segundo os resultados da avaliação feita pelo estado de São Paulo, no início de 2021, acerca do desempenho escolar dos estudantes do 5.º e do 9.º ano do ensino fundamental e do 3.° ano do ensino médio em língua portuguesa e matemática, a pandemia provocou grande prejuízo à aprendizagem escolar. O efeito maior foi verificado em relação aos alunos do 5.° ano. Em 2019 — portanto, antes da pandemia —, a nota média desses estudantes em língua portuguesa no Sistema de Avaliação da Educação Básica foi de 223 pontos, e, em 2021, de 194 pontos — 29 pontos a menos —, o que equivale à nota média obtida há 10 anos, ou seja, em 2011. Em matemática a situação foi ainda pior. Em 2019, a nota média obtida por esses alunos foi de 243 pontos, enquanto, em 2021, foi de 196 pontos — ou seja, 47 pontos a menos —, o que equivale ao resultado de 14 anos atrás! Em relação ao 3.º ano do ensino médio, última etapa da educação básica, o desempenho dos alunos da rede pública retroagiu em 11 pontos e 18 pontos em língua portuguesa e matemática, respectivamente, voltando aos resultados próximos aos de 2013. Os resultados relativos ao 9.º ano do ensino fundamental são muito similares a esses últimos. Se esta é a situação na rede de ensino público de São Paulo, é possível imaginar o retrocesso escolar nos municípios mais pobres, nos grotões deste País, muitas vezes esquecidos pelo poder público. É preciso reconhecer que há uma pandemia educacional que pode ser devastadora em médio e em longo prazo se nada for feito.
Os números de São Paulo revelam o dano cognitivo, mas há, também, o decorrente do tempo em que os alunos ficam afastados das escolas, que impacta a saúde mental e o desenvolvimento socioemocional dos estudantes. É preciso que, urgentemente, o Ministério da Educação organize, em colaboração com as Secretarias de Educação de estados e municípios, uma agenda nacional de enfrentamento à pandemia educacional, em colaboração com a sociedade. Como diz a poetisa e educadora chilena Gabriela Mistral, ganhadora do Prêmio Nobel de Literatura: “O futuro das crianças é sempre hoje. Amanhã será tarde”.
Mozart Neves Ramos e Sérgio Henrique Ferreira. O impacto da pandemia na educação.
Internet: <correiobraziliense.com.br> (com adaptações).
Com relação à correção gramatical e à coerência das substituições propostas para trechos destacados do texto, julgue o item.
“apesar das” por não obstante às
Provas
Caderno Container