Magna Concursos

Foram encontradas 40 questões.

3108586 Ano: 2015
Disciplina: Engenharia Mecânica
Banca: IF-SC
Orgão: IF-SC

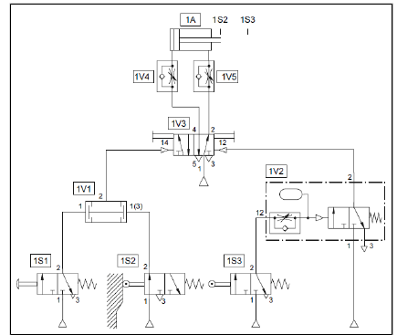
O diagrama abaixo representa, de maneira didática e técnica, um circuito de uma aplicação pneumática, aplicação esta que se vale de vários elementos do universo da pneumática industrial.

Enunciado 3434834-1

Baseado na figura acima, marque com (V) as afirmações que forem verdadeiras e com (F) as afirmações que forem falsas.

( ) O avanço do cilindro 1A se dá pelo acionamento manual da válvula direcional 1S1 e pelo acionamento da válvula direcional 1S2, ou seja, se o cilindro 1A estiver recuado.

( ) O avanço do cilindro 1A se dá pelo acionamento manual da válvula direcional 1S1 ou pelo acionamento da válvula direcional 1S2 quando o cilindro 1A recuar.

( ) O dispositivo 1V2 funciona, neste circuito, como um temporizador pneumático.

( ) O dispositivo 1V2 funciona, neste circuito, como um acumulador de pressão.

( ) 1V4 e 1V5 são reguladores de pressão e que, neste circuito, funcionam como reguladores das velocidades de avanço e de recuo do cilindro 1A.

Assinale a alternativa que apresenta a sequência CORRETA de cima para baixo.

 

Provas

Questão presente nas seguintes provas
3108585 Ano: 2015
Disciplina: Engenharia Mecânica
Banca: IF-SC
Orgão: IF-SC

Sobre tolerância geométrica de batimento de forma para elementos isolados e associados, verifique o acerto das afirmações abaixo. Coloque (V) para verdadeiro e (F) para falso.

( ) São tolerâncias de linha, a retilineidade, a circularidade e a forma de linha qualquer.

( ) São tolerâncias de superfície, a planeza, o paralelismo, a cilindricidade.

( ) São tolerâncias de orientação, a forma de superfície qualquer, o perpendicularismo e a inclinação.

( ) São tolerância de posição, a localização, a concentricidade, a simetria.

( ) São tolerâncias de batimento, radial e planeza.

Assinale a alternativa que apresenta a sequência CORRETA de cima para baixo.

 

Provas

Questão presente nas seguintes provas

Para aumentar a vida útil, as ferramentas de corte de metal duro podem ser revestidas por uma camada de outro metal. Leia com atenção as afirmações a seguir e marque com (V) as verdadeiras e com (F) as falsas, quanto à função dos revestimentos das ferramentas, utilizadas na operação de fresamento com cabeçote de fresar.

( ) Redução da velocidade de corte da ferramenta.

( ) Redução de atrito na interface cavaco/ferramenta.

( ) Redução da dureza na superfície da ferramenta.

( ) Condução rápida do calor para longe da região de corte.

( ) Isolamento térmico do material de base da ferramenta.

Assinale a alternativa que contém a sequência CORRETA de cima para baixo.

 

Provas

Questão presente nas seguintes provas

No 1º diedro, na épura de um cone, estando sua base paralela ao plano horizontal, temos como resultado uma das opções abaixo. Analise-as e coloque (V) para a(s) verdadeira(s) e (F) para a(s) falsa(s).

( ) Uma circunferência na vista superior.

( ) Um triângulo na vista frontal.

( ) Um retângulo na vista lateral direita.

( ) Um triângulo na vista lateral esquerda.

( ) Uma circunferência na vista inferior

Assinale a alternativa que apresenta a sequência CORRETA de cima para baixo.

 

Provas

Questão presente nas seguintes provas
3107934 Ano: 2015
Disciplina: Geografia
Banca: IF-SC
Orgão: IF-SC

A figura abaixo mostra a atuação do IFSC em Santa Catarina.

Enunciado 3434830-1

Fonte: www.ifsc.edu.br. Acesso em 07/10/2015

Assinale a alternativa que contém a assertiva CORRETA.

 

Provas

Questão presente nas seguintes provas
3107745 Ano: 2015
Disciplina: Física
Banca: IF-SC
Orgão: IF-SC

Assinale as afirmações verdadeiras com (V) e as falsas com (F), sobre os conceitos básicos sobre unidades físicas.

( ) A unidade de comprimento no Sistema Internacional de unidades (SI) é o metro (m). Com certa frequência, utiliza-se o múltiplo quilômetro (1 km = 10³ m) e os submúltiplos centímetro (1 cm = 10-2 m) e milímetro (1 mm = 10-3 m).

( ) A unidade de tempo no Sistema Internacional de unidades (SI) é a hora (h), sendo normalmente utilizadas as unidades submúltiplas minuto (1 h = 60 min) e segundos (1 h = 3.600 s).

( ) Um aluno do PROEJA – Integrado foi calcular a distância da Terra ao Sol e percebeu que a mesma é de aproximadamente 150.000.000 km. Em notação científica e com dois algarismos significativos, o valor dado é 1,5 x 108 km.

( ) Os formandos do curso de Engenharia Civil do IFSC perceberam que o tempo para um projétil atravessar uma placa de chumbo é de um milionésimo de segundo, ou seja, 10-6s.

( ) O tempo decorrido entre duas batidas sucessivas das asas de uma mosca foi calculado em uma atividade do Projeto Integrador do Curso Técnico em Saneamento do IFSC. Verificouse que esse tempo é de 0,001s, ou seja, 10-3s.

Assinale a alternativa que apresenta a sequência CORRETA de cima para baixo.

 

Provas

Questão presente nas seguintes provas
3107530 Ano: 2015
Disciplina: Matemática
Banca: IF-SC
Orgão: IF-SC

“O Campus Geraldo Werninghaus recebeu, em 28/09/2015, a entrega e início da instalação do container tipo High Cube, que servirá como espaço para funcionamento de Centro Acadêmico e sede do Grêmio Estudantil. O container, que custa em torno de R$ 49 mil, foi um investimento feito pela Reitoria do IFSC, que forneceu a aquisição e instalação do equipamento.”

(http://gw.ifsc.edu.br/site. Acesso em 07/10/2015)

Enunciado 3434831-1

Fonte: http://gw.ifsc.edu.br/site/index.php?option=com_

content&view=article&id=532:2015-09-28-20-38-04. Acesso em 07/10/2015

O container tem o formato de um prisma retangular, cujas dimensões estão dispostas na tabela a seguir:

Externa

Comprimento

12,192 m

Largura

2,438 m

Altura

2,896 m

Interna

Comprimento

12,033 m

Largura

2,352 m

Altura

2,694 m

Porta

Largura

2,340 m

Altura

2,580 m

Com base nas afirmações acima, assinale a alternativa CORRETA.

 

Provas

Questão presente nas seguintes provas

“O Campus Geraldo Werninghaus recebeu, em 28/09/2015, a entrega e início da instalação do container tipo High Cube, que servirá como espaço para funcionamento de Centro Acadêmico e sede do Grêmio Estudantil. O container, que custa em torno de R$ 49 mil, foi um investimento feito pela Reitoria do IFSC, que forneceu a aquisição e instalação do equipamento.”

( http://gw.ifsc.edu.br/site. Acesso em 07/10/2015)

Enunciado 3433549-1

Fonte: http://gw.ifsc.edu.br/site/index.php?option=com_

content&view=article&id=532:2015-09-28-20-38-04. Acesso em 07/10/2015

O container tem o formato de um prisma retangular, cujas dimensões estão dispostas na tabela a seguir:

Externa

Comprimento

12,192 m

Largura

2,438 m

Altura

2,896 m

Interna

Comprimento

12,033 m

Largura

2,352 m

Altura

2,694 m

Porta

Largura

2,340 m

Altura

2,580 m

Com base nas afirmações acima, assinale a alternativa CORRETA.

 

Provas

Questão presente nas seguintes provas

Na figura abaixo, considere que cada um dos nove quadrados possui lado medindo 3 cm e que o círculo possui raio igual a 1,5 cm.

Enunciado 3433547-1

Fonte: www.ifsc.edu.br. Acesso em 07/10/2015

De acordo com a figura e as informações acima, assinale a alternativa que contém a assertiva CORRETA (considere π (pi)=3,14).

 

Provas

Questão presente nas seguintes provas

Avalie como verdadeiras (V) ou falsas (F) as assertivas a seguir que tratam do funcionamento da comissão interna de prevenção de acidentes – CIPA, conforme estabelecido na norma regulamentadora 05.

( ) As reuniões ordinárias da CIPA serão realizadas fora do expediente normal da empresa e em local apropriado.

( ) As decisões da CIPA serão preferencialmente por consenso.

( ) O membro titular perderá o mandato, sendo substituído por suplente, quando faltar a mais de quatro reuniões ordinárias sem justificativa.

( ) Reuniões extraordinárias deverão ser realizadas quando houver denúncia de situação de risco grave e iminente, ocorrer acidente do trabalho grave ou fatal, ocorrer diminuição da produtividade dos trabalhadores ou houver solicitação por consenso de todas as representações.

( ) No caso de afastamento definitivo do presidente, o empregador indicará o substituto em dois dias úteis, preferencialmente entre os membros da CIPA.

Assinale a alternativa que contém a sequência CORRETA, de cima para baixo.

 

Provas

Questão presente nas seguintes provas