Foram encontradas 249 questões.
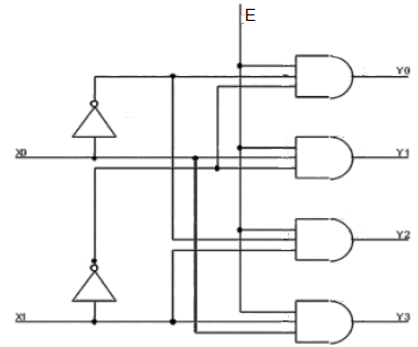
A figura abaixo mostra uma implementação de um decodificador binário. Nessa figura, os sinais de entrada e os sinais de saída são ativos em nível alto.

Quando os sinais de entrada E (Enable), X0 e X1 forem iguais a 1, 0 e 1, os sinais de saída Y0, Y1, Y2 e Y3 serão, respectivamente, iguais a
Provas
- Conceitos e FundamentosConceitos Fundamentais de Banco de Dados
- Conceitos e FundamentosFunções de um SGBD
- Banco de Dados RelacionalTransações
Considere as seguintes afirmativas acerca das vantagens e das desvantagens do uso de sistemas de gerenciamento de bancos de dados (SGBDs) em relação ao uso de sistemas de processamento de arquivos.
I - Os SGBDs fornecem mecanismos mais eficientes para garantir a atomicidade das transações que os sistemas de processamento de arquivos.
II - Os sistemas de processamento de arquivos permitem uma facilidade maior de acesso a dados que os SGBDs, devido aos dados necessários serem recuperados de maneira conveniente e eficaz através do sistema operacional.
III - Os sistemas de processamento de arquivos são mais propensos à ocorrência de redundância e inconsistência de dados que os SGBDs.
Está(ão) correta(s)
Provas
Para responder a questão, considere a seguinte situação:
Um carro de fórmula 1 com 600kg de massa parte em repouso e acelera em uma reta com uma aceleração equivalente a 1G (onde G representa o valor da aceleração da gravidade).
Para simplificação dos cálculos, despreze o atrito do ar e considere g=9,8m/s².
A força resultante que atua sobre o carro é de
Provas
São exemplos de barramento de Entrada/Saída
Provas
Nos termos do art. 12 da Lei Federal nº 4.320/64, classificam-se como Inversões Financeiras as dotações destinadas à
Provas
- Gerenciamento de ProcessosEscalonamento de ProcessosEscalonador Não Preemptivo
- Gerenciamento de ProcessosEstados dos Processos
Decisões sobre escalonamento da CPU podem ser tomadas quando um processo
1. sai do estado ‘executando’ para ‘esperando’.
2. sai do estado ‘executando’ para ‘pronto’.
3. sai do estado ‘esperando’ para ‘pronto’.
4. é finalizado.
Se o sistema somente realiza escalonamento nas situações 1 e 4, é chamado
Provas
Em relação ao terceiro setor, Montaño (2002) afirma que
I - o que é chamado terceiro setor’’ refere-se, na verdade, a um fenômeno irreal inserido na reestruturação do capital e produto dele.
II - a função social da resposta às refrações da questão social’’ deixa de ser, no projeto neoliberal, responsabilidade do Estado.
III - esse setor passa a ser agora de autorresponsabilidade dos próprios sujeitos portadores de necessidades e da ação filantrópica, ‘ solidária-voluntária’’ , de organizações e indivíduos .
Está(ão) correta(s)
Provas
Relacione as colunas, associando os protocolos de rede a sua área de aplicação.
| ( I ) SNMP | ( ) Segurança de rede |
| ( II ) SSL | ( ) Gerenciamento de rede |
| ( III ) NTP | ( ) Sincronização de relógios entre computadores da rede |
A sequência correta é
Provas
- Engenharia de SoftwareDefeitos, Erros e Falhas em Software
- Engenharia de SoftwareTestesTipos de Testes
Assinale a alternativa com uma afirmativa CORRETA.
Provas
CHING (2006 ) afirma que ‘ Pode até parecer a tarefa mais simples e cotidiana da vida de uma secretária, mas, se [ a agenda] não for administrada corretamente, leva a um grande desperdício de tempo’’ .
A checagem e a relação de pendências nas atividades, compromissos ou tarefas realizados pelo profissional chama-se
Provas
Caderno Container