Foram encontradas 388 questões.
De acordo com o texto de Kimura sobre custos, analise as afirmativas que seguem:
I. Custo é a soma dos valores de bens e serviços consumidos ou aplicados para a obtenção de novos bens e serviços.
II. Com relação ao processo de sua formação na produção, os custos se classificam em: custos diretos e custos indiretos.
III. Política de compras, qualidade da matéria prima, giro de estoque e padrão de cardápio são alguns dos fatores que interferem nos custos.
IV. O custo da mão de obra engloba os seguintes elementos: proventos, encargos sociais e gastos com equipamentos de proteção individual.
Estão corretas apenas as afirmativas
Provas
Questão presente nas seguintes provas
Segundo Regina Célia Mioto (2009), em contraposição à lógica predominante nos estudos socioeconômicos, desenvolvida sob a ótica do Serviço Social de caso, uma outra lógica, fundamentada nas bases da teoria social de Marx, permitiu o avanço do debate teórico-metodológico da profissão. A partir dessa nova perspectiva paradigmática e da afirmação do compromisso ético político dos/as assistentes sociais com as classes trabalhadoras, os estudos socioeconômicos ganham uma nova configuração. Nesta perspectiva é correto afirmar que:
I. As necessidades trazidas por sujeitos singulares são interpretadas como expressões de necessidades humanas básicas não satisfeitas, decorrentes da desigualdade social própria da organização capitalista.
II. As necessidades trazidas por sujeitos singulares são interpretadas como expressões de necessidades compreendidas como problemas individuais.
III. Admite que, para além de sua eficiência operativa ou de sua instrumentalidade, incorpora a elas o compromisso ético com a transformação social.
IV. Admite que, para além de sua eficiência operativa ou de sua instrumentalidade, se vincule a satisfação das necessidades sociais à competência ou incompetência individual dos sujeitos.
Estão corretas as afirmativas
Provas
Questão presente nas seguintes provas
Os contratos regidos pela Lei 8.666/1993 poderão ser alterados objetivando a manutenção do equilíbrio econômico-financeiro inicial do contrato, na hipótese de sobrevirem fatos imprevisíveis, ou previsíveis, porém de consequências incalculáveis, retardadores ou impeditivos da execução do ajustado, ou, ainda, em caso de força maior, caso fortuito ou fato do príncipe, configurando álea econômica extraordinária e extracontratual. Dentre as condições previstas na lei para que estas alterações ocorram temos que:
I. O contratado fica obrigado a aceitar, nas mesmas condições contratuais, os acréscimos ou supressões que se fizerem nas obras, serviços ou compras, até 35% do valor inicial atualizado do contrato, e, no caso particular de reforma de edifício ou de equipamento, até o limite de 50% para os seus acréscimos.
II. Se no contrato não houverem sido contemplados preços unitários para obras ou serviços, esses serão fixados pelo Contratante, respeitados os limites estabelecidos na lei.
III. No caso de supressão de obras, bens ou serviços, se o contratado já houver adquirido os materiais e posto no local dos trabalhos, estes deverão ser pagos pela Administração pelos custos de aquisição regularmente comprovados e monetariamente corrigidos, podendo caber indenização por outros danos eventualmente decorrentes da supressão, desde que regularmente comprovados.
Está (ão) correta (s) apenas a (s) afirmativa (s).
Provas
Questão presente nas seguintes provas
Quais destes itens NÃO são parâmetros de projeto para elaboração de um projeto de arquitetura escolar, segundo a autora Doris Kowaltowski?
Provas
Questão presente nas seguintes provas
É um servidor de aplicações java para web. É um container de aplicações Servlet e JSP. Quando instalado, cria vários diretórios. O diretório server é o local padrão para aplicações web. Essas características referem-se a(o)
Provas
Questão presente nas seguintes provas
No livro Curso de Planejamento Governamental: foco nas políticas públicas e nos indicadores sociais, (2012), José Matias-Pereira destaca que o planejamento, enquanto processo, que diz respeito ao elenco de fases sucessivas de um fenômeno que se desenvolve de forma ininterrupta, é essencial como suporte para a gestão, para o controle social e para a aprendizagem organizacional.
Conforme o autor, em geral, o planejamento possui quatro etapas, que são:
Provas
Questão presente nas seguintes provas
O Decreto nº 5154 /2004 que regulamenta o § 2º do art 36 e os arts 39 a 41 da Lei nº 9394/96, em seu art. 4º, estabelece que a Educação Profissional Técnica de nível Médio será desenvolvida de forma articulada com o ensino médio observada (os)
I. os objetivos contidos nas DCNs.
II. as normas complementares dos respectivos sistemas de ensino.
III. as exigências de cada instituição de ensino.
IV. a obrigatoriedade de etapas com terminalidade.
Está INCORRETA apenas a afirmativa
Provas
Questão presente nas seguintes provas
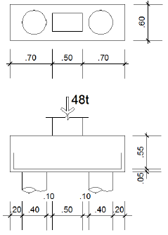
Seja um bloco de fundações sobre duas estacas com diâmetro de 30 cm, calculado para receber um pilar centrado cuja carga é de 48 t.

Determine o esforço a ser suportado pela ferragem longitudinal, considerando que as dimensões são em metros.
Provas
Questão presente nas seguintes provas
De acordo com a Lei 10.520, de 2002, a modalidade de licitação denominada “pregão”, destina-se a
Provas
Questão presente nas seguintes provas
1265237
Ano: 2013
Disciplina: Auditoria Governamental e Controle
Banca: IF-SUL
Orgão: IF-SUL
Disciplina: Auditoria Governamental e Controle
Banca: IF-SUL
Orgão: IF-SUL
Provas:
Com relação às unidades de auditoria interna das entidades da administração pública federal indireta, é INCORRETO afirmar que
Provas
Questão presente nas seguintes provas
Cadernos
Caderno Container