Foram encontradas 706 questões.
Quanto aos cuidados de higiene, conforto e segurança que deverão ser prestados pela equipe de Enfermagem ao Sr. João, podemos afirmar que:
I. É recomendado que se inicie os cuidados de higiene apenas quando o paciente for capaz de assumir, pelo menos parcialmente, seu autocuidado nas atividades de vida diária.
II. Deverá ser realizada a higiene completa no leito, quando a mobilidade do paciente e tolerância a atividades estiverem reduzidas, até que ele possa assumir, pelo menos parcialmente, seu autocuidado nas atividades de vida diária.
III. O banho com água fria é recomendado para proporcionar estímulo sensorial e reduzir a letargia do paciente.
IV. Quando possível, deve-se proporcionar e estimular atividades, evitando-se assim que o paciente durma durante o dia e permaneça desperto durante a noite.
V. A mudança de decúbito a cada duas horas é necessária para manutenção da integridade tegumentar, retorno venoso e perfusão vascular periférica.
Estão CORRETAS as seguintes afirmações:
Provas
Questão presente nas seguintes provas
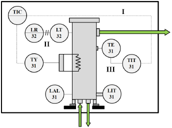
Considere a planta de controle de processos a seguir, utilizada para aquecimento de líquidos em tanque.
Analise os sinais de interface dos controladores, transmissores, elementos primários e registradores.

As conexões I, II e III são, respectivamente
Provas
Questão presente nas seguintes provas
De acordo com a Lei Federal nº. 10.098/00, de 19/12/2000, que estabelece normas gerais e critérios básicos para a promoção da acessibilidade das pessoas portadoras de deficiência ou com mobilidade reduzida, na construção, ampliação ou reforma de edifícios públicos ou privados destinados ao uso coletivo, deverá ser observado, entre outros, o seguinte requisito de acessibilidade:
Provas
Questão presente nas seguintes provas
Em relação à definição dos elementos diretamente relacionados com a mensuração da posição patrimonial, financeira e do resultado, fornecida pelo Comitê de Pronunciamentos Contábeis, marque a alternativa INCORRETA.
Provas
Questão presente nas seguintes provas
2453237
Ano: 2013
Disciplina: Administração Financeira e Orçamentária
Banca: IF-PE
Orgão: IF-PE
Disciplina: Administração Financeira e Orçamentária
Banca: IF-PE
Orgão: IF-PE
Provas:
A execução orçamentária e financeira de um ente público apresentou as seguintes informações:
| Despesa Empenhada em 2012 – 1.000,00. |
| Despesa Liquidada em 2012 – 900,00. |
| Despesa Paga em 2012 – 750,00. |
Ao final do exercício de 2012, no Balanço Orçamentário, o valor de Restos a Pagar Não-Processados é de:
Provas
Questão presente nas seguintes provas
Algumas regras importantes, com as quais o técnico em química deve familiarizar-se, antes de trabalhar com qualquer tipo de balança analítica, são descritas abaixo. Marque a alternativa INCORRETA.
Provas
Questão presente nas seguintes provas
A Lei n.º 8.112/90 estabelece as formas de provimento de cargo público. Sobre estas é CORRETO afirmar que:
Provas
Questão presente nas seguintes provas
Qual dos períodos da história da música em que a música instrumental, pela primeira vez, passa a ter a mesma importância que a vocal?
Provas
Questão presente nas seguintes provas
Sabendo que o currículo é uma construção social do conhecimento, com o intuito de reunir os instrumentos necessários para que o mesmo se efetive nas práticas sociais, assinale a alternativa CORRETA.
Provas
Questão presente nas seguintes provas
As etapas para captação de eventos podem variar de acordo com o tipo de evento. Mas há um consenso sobre algumas etapas essenciais, como, por exemplo, a avaliação do destino ou estrutura da localidade que sediará o evento. Pode-se afirmar que não faz parte dessa etapa
Provas
Questão presente nas seguintes provas
Cadernos
Caderno Container