Foram encontradas 706 questões.
Em música, síncope é uma característica rítmica marcada pela execução do som em um tempo fraco, ou em parte fraca do tempo, que se prolonga até o tempo forte, ou até a parte forte do tempo seguinte, criando um deslocamento de acentuação rítmica.
Sobre este fenômeno é CORRETO afirmar que
Provas
Questão presente nas seguintes provas
Segundo o Art. 6º da Lei 8.666/93 “obra é toda construção, reforma, fabricação, recuperação ou ampliação, realizada por execução direta ou indireta”. É CORRETO afirmar que:
Provas
Questão presente nas seguintes provas
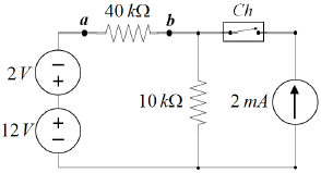
À medida que os circuitos eletroeletrônicos foram se tornando mais complexos, os cientistas desenvolveram métodos matemáticos mais robustos para analisá-los. As técnicas de divisão de tensão e de corrente e o princípio da superposição são exemplos importantes de métodos para solução. Neste sentido, considere o circuito a seguir. Ele é formado por fontes, resistores e uma chave Ch, utilizada para conectar ou desconectar a fonte de corrente do circuito.

Sobre o funcionamento deste circuito é CORRETO afirmar que:
Provas
Questão presente nas seguintes provas
2466943
Ano: 2013
Disciplina: Administração Financeira e Orçamentária
Banca: IF-PE
Orgão: IF-PE
Disciplina: Administração Financeira e Orçamentária
Banca: IF-PE
Orgão: IF-PE
Provas:
A Prefeitura de Saudade apresentou, durante o exercício 2012, a movimentação contábil a seguir:
| Receitas arrecadadas, em Reais. |
| Amortização de Empréstimos 70.000,00 |
| Tributos 80.000,00 |
| Depósitos de terceiros (cauções) 30.000,00 |
| Transferências Correntes 120.000,00 |
| Aluguéis Recebidos 24.000,00 |
Com base nas informações acima, o valor da Receita Corrente Arrecadada, em reais, é
Provas
Questão presente nas seguintes provas
As bactérias patogênicas estão presentes em alimentos contaminados em número, que pode provocar doenças de gravidade variável dependendo do patógeno. Em relação às doenças de origem alimentar, é CORRETO afirmar que
Provas
Questão presente nas seguintes provas
Considerando as diretrizes para a promoção da saúde e prevenção de riscos e doenças bucais, baseadas na Política Nacional de Saúde Bucal do Ministério da Saúde, analise as seguintes afirmativas.
I. Estimular as ações de promoção e prevenção de riscos, intervindo positivamente no processo saúde-doença-cuidado: higiene bucal supervisionada e revelação de placa, fluorterapia, aplicação de selantes e Terapia básica periodontal.
II. Utilizar ações educativo-preventivas como estratégia de ação, objetivando a apropriação do conhecimento sobre o processo saúde-doença-cuidado, incluindo fatores de risco e de proteção à saúde bucal, estimulando o beneficiário a mudar seus hábitos, apoiando-o na conquista de sua autonomia e no autocuidado.
III. Definir uma política de educação permanente para a rede de prestadores, visando à uniformidade operacional e práticas centradas na promoção de saúde e prevenção de riscos e doenças, pautando-se em evidências científicas.
IV. Assegurar a integralidade nas ações de saúde bucal, articulando o individual com o coletivo, a promoção e a prevenção com o tratamento e a recuperação da saúde, sem considerar a atenção nas situações de urgência.
V. Utilizar as informações epidemiológicas sobre o conjunto de beneficiários para o planejamento, acompanhamento e avaliação das ações implementadas.
Assinale a alternativa na qual constam todos os itens cujas assertivas são VERDADEIRAS.
Provas
Questão presente nas seguintes provas
De acordo com o Centro Nacional da Gestão da Informação (Cenadem), um executivo gasta em média quatro semanas por ano procurando documentos. Geralmente podem ser realizadas até dezenove cópias de cada documento e, em média, perde-se cerca de 250 dólares para recriar cada documento não encontrado.
Neste contexto, o Gerenciamento Eletrônico de Documentos (GED) apresenta inúmeras vantagens, sendo CORRETO afirmar que
Provas
Questão presente nas seguintes provas
É uma inversão financeira:
Provas
Questão presente nas seguintes provas
2466881
Ano: 2013
Disciplina: Administração Financeira e Orçamentária
Banca: IF-PE
Orgão: IF-PE
Disciplina: Administração Financeira e Orçamentária
Banca: IF-PE
Orgão: IF-PE
Provas:
No que se refere às principais categorias que formam as receitas públicas, marque a alternativa INCORRETA.
Provas
Questão presente nas seguintes provas
Das diversas técnicas criativas existentes para auxiliar os designers em seu cotidiano profissional, encontram-se, a seguir, a definição e o princípio básico de 4 (quatro) delas. Leia com atenção:
I. DEFINIÇÃO: Visa produzir soluções originais por livre associação de ideias, objetivando o maior número possível de alternativas, e só em seguida avalia-se a viabilidade das soluções propostas. PRINCÍPIO BÁSICO: Julgamento adiado.
II. DEFINIÇÃO: Recomendada para solução de problemas mal formulados, o grupo é subdividido em 6 (seis) pessoas, com 6 (seis) minutos para estudar os detalhes necessários à resolução. PRINCÍPIO BÁSICO: Detalhamento das variáveis.
III. DEFINIÇÃO: Utilizada por uma equipe interdisciplinar de 4(quatro) a 6(seis) profissionais, que devem gerar a cada 5 (cinco) minutos 3 (três) alternativas em fichas que passam por todos os participantes. PRINCÍPIO BÁSICO: Fusão de ideias.
IV. DEFINIÇÃO: Baseia-se na pergunta ‘E se...?’ com o intuito de modificar características comumente associadas ao problema em questão de modo a resultar em alternativas surpreendentes e inéditas. PRINCÍPIO BÁSICO: Visualizar modificações inesperadas.
Assinale abaixo a alternativa que nomeia CORRETAMENTE as técnicas criativas apresentadas.
Provas
Questão presente nas seguintes provas
Cadernos
Caderno Container