Foram encontradas 20.456 questões.
O circuito 74LS154 é conhecido como um decodificador de 4 linhas para 16 linhas, ou seja, com 4 entradas de decodificação (identificadas como A3 – mais significativa – até A0 – menos significativa) e 16 saídas possíveis (de Y15 – mais significativa – até Y0 – menos significativa). Duas características especialmente importantes desse decodificar são: a habilitação dele ocorre quando as entradas G1 e G2 estão ambas em nível baixo e a única saída ativada pelo decodificador também fica em nível baixo. Levando em consideração a operação de um decodificador e as características especiais informadas, considere o circuito esquemático abaixo e assinale a alternativa CORRETA que corresponde a função lógico-combinacional associada ao mesmo:

Provas
Questão presente nas seguintes provas
Qual das alternativas abaixo corresponde à definição de exatidão:
Provas
Questão presente nas seguintes provas
Sistemas hidráulicos estão presentes na maioria das aplicações que exigem a realização de grandes esforços. Sobre os sistemas hidráulicos, é CORRETO afirmar que:
Provas
Questão presente nas seguintes provas
Dos sensores listados abaixo assinale qual o único que não necessita de excitação.
Provas
Questão presente nas seguintes provas
Assinale a alternativa que apresenta corretamente a forma de onda da saída 1, do contador assíncrono representado abaixo, em função da forma de onda de entrada (clock).

Provas
Questão presente nas seguintes provas

Considerando a figura acima e os sinais indicados em suas entradas, qual será o sinal correto na saída?
Provas
Questão presente nas seguintes provas

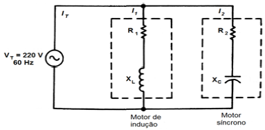
Uma fonte de tensão de 220V/60Hz alimenta um motor de indução com um circuito RL equivalente com os seguintes valores: R1= 3,872 Ω e L = 7,69 mH(conforme figura) e está ligado em paralelo com um motor síncrono com um circuito RC equivalente com os seguintes valores: R2 = 6,734 Ω e C = 386 μF.
A corrente total IT, a impedância total ZT e a potência aparente S consumida pelo circuito são
Provas
Questão presente nas seguintes provas
Considere o circuito mostrado a seguir.

Calculando-se o valor do resistor de realimentação RF , obtém-se
Provas
Questão presente nas seguintes provas
A potência P em um dispositivo elétrico é diretamente proporcional à corrente I que percorre o dispositivo e ao diferencial de potencial V aplicado sobre ele. São unidades padrão, segundo o Sistema Internacional, das grandezas P, I e V, respectivamente:
Provas
Questão presente nas seguintes provas
Segundo o conceito empregado na questão 15, o termopar, o strain gauge e o sensor capacitivo são respectivamente transdutores:
Provas
Questão presente nas seguintes provas
Cadernos
Caderno Container