Magna Concursos

Foram encontradas 20.456 questões.

474135 Ano: 2014
Disciplina: Engenharia Eletrônica
Banca: IF-RS
Orgão: IF-RS
Provas:
Para o circuito da figura a seguir, o ângulo de fase entre a tensão da fonte e a corrente na fonte é igual a:
Enunciado 474135-1
 

Provas

Questão presente nas seguintes provas
473941 Ano: 2014
Disciplina: Engenharia Eletrônica
Banca: IF-RS
Orgão: IF-RS
Provas:
Em sistemas hidráulicos e pneumáticos é usual a utilização de dispositivos que permitam o sensoaremento de determinadas grandezas físicas. São dispositivos utilizados para medição de pressão e para detecção de proximidade de objetos metálicos, respectivamente, os:
 

Provas

Questão presente nas seguintes provas
473921 Ano: 2014
Disciplina: Engenharia Eletrônica
Banca: INPE
Orgão: INPE
Provas:

O fabricante de um determinado resistor de precisão de !$ 1250 \Omega !$, garante que o valor da resistência elétrica desse resistor certamente estará entre uma variação de + ou - 0,5% em torno do valor indicado. Se esse resistor for ligado a uma fonte de alimentação que forneça uma ddp de 5,0 V, entre os valores máximo e mínimo possíveis da intensidade da corrente elétrica no resistor teremos um intervalo de:

 

Provas

Questão presente nas seguintes provas
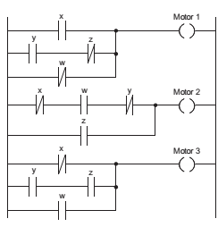
440534 Ano: 2014
Disciplina: Engenharia Eletrônica
Banca: FCC
Orgão: TJ-AP

A figura abaixo corresponde à programação em LADDER para acionamento de três motores (1, 2 e 3).

enunciado 440534-1

Na condição de entradas definida por x = z = 0 e y = w = 1

 

Provas

Questão presente nas seguintes provas
411286 Ano: 2014
Disciplina: Engenharia Eletrônica
Banca: UFMT
Orgão: UFMT
Provas:
Enunciado 411286-1
INSTRUÇÃO: Analise o circuito lógico associado para responder à questão.

Considerando que as entradas A, B e C têm como valores possíveis apenas 0 (zero) e 1(um), para que o circuito tenha a sua saída igual a 0 (zero), qual deve ser a configuração das entradas?
 

Provas

Questão presente nas seguintes provas
411285 Ano: 2014
Disciplina: Engenharia Eletrônica
Banca: UFMT
Orgão: UFMT
Provas:
Enunciado 411285-1
INSTRUÇÃO: Analise o circuito lógico associado para responder à questão.

Assinale a alternativa que apresenta a expressão lógica equivalente ao circuito.
 

Provas

Questão presente nas seguintes provas
411284 Ano: 2014
Disciplina: Engenharia Eletrônica
Banca: UFMT
Orgão: UFMT
Provas:
O conversor analógico-digital é um dispositivo capaz de representar grandezas analógicas de forma digital. Numere os tipos de conversores na coluna de números de acordo com os métodos de conversão na coluna de parênteses.

1 - Integradores
2 - Não integradores

( ) Contador
( ) Dupla rampa
( ) Sigma-delta
( ) Aproximações sucessivas
( ) Flash

Assinale a sequência correta.
 

Provas

Questão presente nas seguintes provas
411283 Ano: 2014
Disciplina: Engenharia Eletrônica
Banca: UFMT
Orgão: UFMT
Provas:
Considere um sistema em que seja necessária a verificação da temperatura de um ambiente e o controle de um subsistema de aquecimento para manter a temperatura do ambiente dentro dos limites especificados (entre 300 °C e 350 °C). Assinale a alternativa que apresenta os elementos necessários para esse sistema em sua sequência de passagem de sinal.
 

Provas

Questão presente nas seguintes provas
407477 Ano: 2014
Disciplina: Engenharia Eletrônica
Banca: IADES
Orgão: METRÔ-DF
Acerca das portas lógicas e da álgebra booleana, assinale a alternativa correta.
 

Provas

Questão presente nas seguintes provas
407476 Ano: 2014
Disciplina: Engenharia Eletrônica
Banca: IADES
Orgão: METRÔ-DF
enunciado 407476-1

Com base no circuito lógico apresentado, assinale a alternativa correta.
 

Provas

Questão presente nas seguintes provas