Foram encontradas 20.455 questões.
Dez sinais de mensagem diferentes, cada um ocupando uma banda de 5 kHz, são multiplexados e transmitidos usando a técnica FDM/AM-DSB.
Qual é a mínima largura de banda necessária para a transmissão desses sinais?
Provas
Em sistemas PCM (modulação por codificação de pulso) o ruído de quantização pode ser reduzido através:
Provas
Dentre as modulações digitais abaixo, escolha o item correspondente às duas que precisam de um canal de transmissão com menor largura de banda para transmitir a mesma taxa de bits.
Provas
Considere o sinal modulado em amplitude (AM) mostrado na figura abaixo.

Em relação à detecção deste sinal, é correto afirmar:
Provas
Um aluno do curso de tecnologia em Telecomunicações utilizou um osciloscópio digital para visualizar a diferença de potencial entre dois pontos de um circuito.
O sinal visualizado é mostrado abaixo.

Considere que o osciloscópio fornece os valores da amplitude de pico-a-pico, do período, da frequência e do valor CC (ou DC) deste sinal. Considere, ainda, que este aluno fixou a base de tempo do osciloscópio em 2 ms/div e o atenuador de amplitude do canal de entrada do sinal em 2 volts/div.
Seguindo a relação dos valores fornecidos pelo osciloscópio, conforme listado acima e nessa ordem, assinale a alternativa que apresenta os valores corretos.
Provas
Nos sistemas de telefonia existe um dispositivo chamado de “híbrida”. Este dispositivo é utilizado para:
Provas
No circuito mostrado a seguir, o ganho de corrente de emissor comum para o transistor T1 está entre 25 e 50.

Considerando um Fator de Saturação Forçada de 5, qual o valor aproximado para o resistor de base (RB) para que o conjunto funcione como uma chave (VBE = 0,7 V e VCEsat = 0,5 V) para o sinal digital da entrada?
Provas
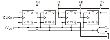
Sabendo-se que os Flip-Flops do circuito mostrado a seguir são sensíveis à borda de descida do pulso de clock:

Assinale a alternativa que define a sua principal função.
Provas
Considere o circuito abaixo, sabendo que a tensão VGS no transistor Q1 é igual a 2 V:

Determine o valor aproximado da corrente que aciona o LED.
Provas
Analise o circuito a seguir, considerando todos os componentes ideais:

Assinale a alternativa que contém o valor aproximado do ganho de tensão Vo/Vi.
Provas
Caderno Container