Devido à chegada do inverno, Marta decidiu alterar a resistência de seu chuveiro, diminuindo-a em 20%, para que esquentasse mais. Ao fazer isso, a potência do chuveiro aumentou em:
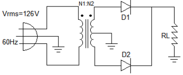
Considerando que N1=90 e N2=30 e que Vp=Vrms/0,7 e D1 e D2 diodos ideais. Quais são as tensões de pico na carga RL e de pico reversa no diodo D1 respectivamente?
A figura abaixo mostra um sistema de microcontrolador, no qual estão ligados uma botoeira de comando (BT1), um LED de sinalização e um relé comandado por um transistor.
Em relação ao esquema e ao funcionamento do microcontrolador, assinale a afirmativa INCORRETA.
Para se adquirir uma medida de temperatura através de termopares ligados a um sistema de aquisição de dados, têm-se disponíveis três tipos de termopares: tipo J, tipo K e tipo T. Dentre esses, qual (quais) termopar (es) pode (m) ser usado (s) para medir temperaturas em torno de 1000ºC?
Dentre os principais elementos que um sistema de supervisão deve possuir, estão os, que são mensagens de sistema definidas pelo usuário para alertar o operador sobre alguma situação específica.
A alternativa que completa corretamente a lacuna é