Magna Concursos

Foram encontradas 700 questões.

A questão refere-se ao texto abaixo:

Ai que gafe

É como se, de repente, as palavras saltassem à nossa frente e, quando nos damos conta, já dissemos aquilo de que, no segundo seguinte, nos arrependemos. É o lapso, o “fora”, a palavra que deveria ser evitada mas parece escapar – uma situação em geral constrangedora, da qual ninguém está livre. No palco, a gafe, uma instância da comédia burguesa, faz a plateia rir. Contudo, na vida cotidiana esse tipo de erro costuma ser muito constrangedor. Segundo o psicólogo social Daniel Wegner, da Universidade Harvard, em Cambridge, que estuda esses casos há mais de 20 anos, aqueles que tinha tendência a depressão, ansiedade ou timidez (e costumam ficar constrangidos e desconfortáveis quando em grupo) são os que levam mais a sério esses lapsos – e mais sofrem com eles.

Sigmund Freud já havia descrito este fenômeno, que ele nomeou genville (que se refere a uma ação executada contra a própria vontade) em 1895 em um de seus estudos sobre dispositivo O criador da psicanálise percebeu que muitas de suas pacientes que têm medo de fazer observações sem propósito ficavam particularmente incomodadas quando isso, eventualmente, ocorria. Entre as recatadas mulheres do início do século 20, um deslize era visto, principalmente por elas mesmas, como algo grave, que assumia sérias proporções em seu psiquismo. E, curiosamente, quanto mais tinham medo de cometer uma gafe, mais isso acontecia.

Em uma experiência clássica em psicologia, Wegner pediu aos participantes de um estudo para não pensar em um urso branco durante cinco minutos – e falar sobre aquilo que eles quisessem. Caso eles pensassem assim mesmo no animal, deviam tocar um sininho cada vez que isso acontecesse. Os resultados mostraram que os voluntários tinham disparado as campainhas em média 6 vezes e alguns chegaram a tocar 15 vezes! Após os experimentos, todos admitiram que ficaram então muito frustrados (e surpresos) por perderem o controle de seus pensamentos.

Para o psicólogo, mesmo que às vezes lamentáveis, essas situações representam um efeito secundário e quase que inevitável de nosso controle mental: é o que se chama de metacognição (do grego meta: mais longe, além, e do latim cognitivo: conhecer). Dois mecanismos que geralmente agem em histeria às vezes entram em descompasso: em condições normais, uma espécie de sinergia interno sinaliza o aparecimento de pensamentos inapropriados (porque eles são inadequados ao contexto ou porque nós estamos ocupados com outra tarefa e naquele momento é melhor deixá-los de lado). Logo que o censor emite um alarme, um segundo processo é disparado – o suprimento do pensamento indesejável. Segundo essa teoria, o controle mental evita a revelação de pensamentos indesejáveis, monitorando a atenção e fazendo com que tentemos de forma consciente nos concentrar em outra coisa.

Esse mecanismo costuma funcionar muito bem, mas quando estamos estressados ou quando devemos realizar duas tarefas complexas ao mesmo tempo, ele pode falhar. Esses “erros irônicos” se produzem assim que os conteúdos reprimidos fogem do nosso controle. Mesmo que o recalque e a repressão sejam estratégias eficazes, frequentemente usadas, podem causar os lapsos, pois exigem muita atenção e investimento de recursos cognitivos.

Fonte: texto adaptado - http://www2.uol.com.br/vivermente/reportagens/ai_que_gafe_.html.

Associe a Coluna 1 à Coluna 2, considerando a relação entre letras e fonemas das palavras retiradas do texto.

Coluna 1

1. Mais letras que fonemas.

2. Menos letras que fonemas.

3. Número igual de letras e fonemas.

Coluna 2

( ) clássica

( ) assim

( ) resultados

( ) frustrados

( ) complexas

( ) exigem

A ordem correta de preenchimento dos parênteses, de cima para baixo, é:

 

Provas

Questão presente nas seguintes provas
1226973 Ano: 2013
Disciplina: Geologia
Banca: FUNDATEC
Orgão: UNIPAMPA
Provas:

Os processos hidrotermais são caracterizados por soluções aquosas quentes responsáveis pela formação de Depósitos Minerais. Dentre as alterações hidrotermais mais comuns, a alteração propilítica é caracterizada:

 

Provas

Questão presente nas seguintes provas
1226952 Ano: 2013
Disciplina: Libras
Banca: FUNDATEC
Orgão: UNIPAMPA

Sabe-se que não há muitos registros sobre a atuação de tradutores/intérpretes de Língua de Sinais no Brasil. Marca-se como início das discussões desta profissão o ano de 1988, onde realizou-se:

 

Provas

Questão presente nas seguintes provas
1226932 Ano: 2013
Disciplina: Biblioteconomia
Banca: FUNDATEC
Orgão: UNIPAMPA

A internet é determinante como sistema de geração, armazenagem e disseminação da informação e influencia diretamente para um sistema informatizado de gerenciamento de bibliotecas. Com relação a esse aspecto, Almeida Jr. (2004) considera que:

I. As fontes de informação eletrônicas, via internet, possibilitam o acesso à informação e ao conhecimento e transformam-se em instrumentos de trabalho para os profissionais bibliotecários que devem prover de informações relevantes às bibliotecas.

II. A internet, como ferramenta, possui suas especificidades que determinam formas de conteúdos e posturas dos bibliotecários e usuários, por isso seus textos veiculados devem ser curtos, rápidos e sucintos.

III. A informação pública necessita de maior grau de conhecimento e de informação empresarial e tecnológica, enquanto a informação especializada pode ser disponível para todos e voltada para a cidadania.

IV. Uma das características do documento eletrônico disponível na internet é o hipertexto que deve possuir um texto estabelecendo conexões com muitos outros textos relacionados com a mesma estrutura do documento.

Quais estão corretas?

 

Provas

Questão presente nas seguintes provas
1226924 Ano: 2013
Disciplina: Comunicação Social
Banca: FUNDATEC
Orgão: UNIPAMPA
Provas:

É correto afirmar que a narrativa transmídia é

 

Provas

Questão presente nas seguintes provas

No Chrome (Versão 34.0.1788.0 dev-m), é possível excluir diversas informações através da Caixa de Diálogo "Limpar Dados de Navegação", EXCETO:

 

Provas

Questão presente nas seguintes provas

Nos termos da Lei nº 8.112/90, que institui regime jurídico dos servidores civis da União, o afastamento do servidor para exercício de mandato eletivo:

 

Provas

Questão presente nas seguintes provas

A questão refere-se ao texto abaixo:

Evitar a evitação

Como se proteger dos lapsos de memória? Na Universidade de Nevada no Reno, o psicólogo Steven Hayes faz uma recomendação simples: aprender a aceitar os pensamentos desagradáveis. Ele sugere também evitar a evitação, a esquiva, ou seja, evitar o evitar. Já o psicólogo Daniel Wegner, da Universidade de Harvard, propõe – nos casos mais graves, nos quais a pessoa se sente atormentada por pensamentos intrusivos – a análise diária das próprias preocupações, incluindo tudo aquilo que causa inquietação e se gostaria de reprimir. Ele salienta, porém, que esta orientação vale somente para aqueles que se sentem capazes de lidar com suas angústias. Este método não convém aos pacientes gravemente afetados, que devem buscar ajuda de um médico ou psicoterapeuta.

O pesquisador James Pennebaker, da Universidade do Texas em Austin, analisou numerosos estudos e com base neles concluiu que uma confrontação ativa com os pensamentos reprimidos costuma ter efeitos positivos na vida cotidiana e na saúde tanto física quanto psíquica. Ele assinala as vantagens para algumas pessoas de registrar por escrito seus tabus pessoais, aquilo que teme ou lhe causa vergonha. Segundo o especialista, tal exercício parece ter outra consequência que requer mais pesquisa: reforçar o sistema imunológico, já que assim menos estresse haveria, e parte da energia psíquica despendida na repressão de certos conteúdos poderia ser empregada de maneira mais saudável.

Antes de fazer anotações sobre os temas que nos constrangem, no entanto, é preciso, primeiro, tomar consciência deles para depois analisar esses temas intrusivos. Wegner propõe também encontrar distrações que não aumentem o estresse. Segundo ele, tudo que nos interessa e não cria uma sobrecarga emocional representa uma boa ocasião de se liberar do temor de cometer gafes. Para algumas pessoas, mais rígidas consigo mesmas, pode ser muito tranquilizador tomar consciência de que esse tipo de incidente é simplesmente normal. E se parece difícil conscientizar-se disso sozinho, talvez seja hora de buscar ajuda de um psicólogo. Afinal, se aquilo que seria apenas motivo de um leve mal-estar e uma boa gargalhada após algum tempo se torna razão para se atormentar, parece hora de empenhar-se para tornar a vida um pouco mais leve.

Fonte: texto adaptado - http://www2.uol.com.br/vivermente/reportagens/ai_que_gafe_.html.

Assinale a alternativa cuja palavra, retirada do texto, NÃO é formada apenas por derivação sufixal.

 

Provas

Questão presente nas seguintes provas
1224080 Ano: 2013
Disciplina: Agronomia (Engenharia Agronômica)
Banca: FUNDATEC
Orgão: UNIPAMPA
Provas:

Conhecimentos sobre o clima e os fenômenos atmosféricos estão se tornando cada vez mais de suma importância na agropecuária brasileira. Em relação a isso, relacione os fatores climáticos, na Coluna 1, aos seus efeitos, na Coluna 2.

Coluna 1 – Fatores

1. Translação.

2. Solstício.

3. Afélio.

4. Equinócio.

5. Rotação.

Coluna 2 – Efeitos

( ) Data em que o eixo da Terra atinge a maior inclinação possível em relação ao Sol.

( ) Data em que o fotoperíodo é igual em todas as latitudes do globo terrestre.

( )Movimento da Terra em torno do Sol, gerando as estações do ano.

( )Momento em que a Terra se encontra mais distante do Sol.

( ) O movimento da Terra em torno de seu próprio eixo, determinando a escala diária de variação das condições meteorológicas.

( ) É o movimento que a terra executa sendo responsável pela alternância entre o período de tempo ensolarado e o período de tempo sem incidência solar.

A ordem correta de preenchimento dos parênteses, de cima para baixo, é:

 

Provas

Questão presente nas seguintes provas
1222576 Ano: 2013
Disciplina: Engenharia Eletrônica
Banca: FUNDATEC
Orgão: UNIPAMPA

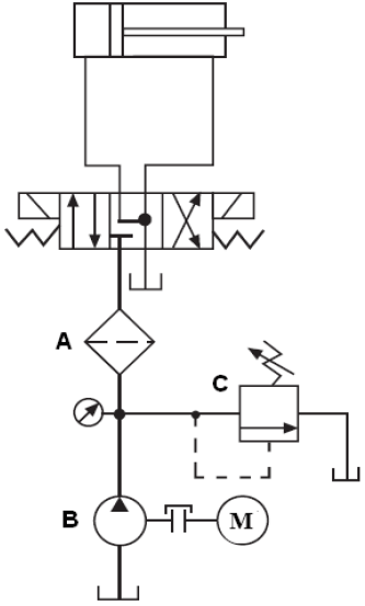
A figura abaixo apresenta um circuito hidráulico completo.

Enunciado 1222576-1

Marque a alternativa que apresenta a denominação correta do elemento identificado com a letra “A”.

 

Provas

Questão presente nas seguintes provas