Foram encontradas 700 questões.
Na Pesquisa Mineral é INCORRETO afirmar que:
Provas
Disciplina: Agronomia (Engenharia Agronômica)
Banca: FUNDATEC
Orgão: UNIPAMPA
Os processos de erosão do solo consistem no desprendimento e no arraste de partículas, sendo ocasionados pela ação da água e do vento, constituindo a principal causa desta desagregação. Sobre práticas de controle da erosão, considere as seguintes afirmativas:
I. Plantio direto, rotação de culturas e cultivo em contornos.
II. Controle das queimadas, adubação verde e cultivo em contornos.
III. Florestamento e reflorestamento, cobertura morta e cultivo em faixa.
IV. Plantio direto, rotação de culturas com semeadura no sentido do declive do terreno.
Quais práticas contribuem para o controle da erosão do solo?
Provas
Disciplina: Engenharia de Telecomunicações
Banca: FUNDATEC
Orgão: UNIPAMPA
Deseja-se reproduzir com fidelidade um determinado sinal de áudio que se encontra na faixa de 20Hz a 20KHz. Para garantir a fidelidade, o sinal deverá ser amostrado para posterior reprodução. A frequência de amostragem (fa) deverá ser:
Provas
Qual das opções abaixo NÃO pode ser uma das hipóteses propostas pela teoria cinética dos gases?
Provas
Os sucos artificiais de frutas podem ser feitos a partir da adição de essências orgânicas à água. Uma dessas essências é o acetato de octila, que produz o aroma artificial de laranja. A fórmula estrutural condensada da essência em questão é:
Provas
A figura abaixo apresenta um circuito eletrônico.

Considerando V = Vcc = 12V; Rc=1,8k!$ Ω !$; Re=820!$ Ω !$; Rb=310k!$ Ω !$; Vo = 3,90V; Vce = 0,13V. Marque a alternativa que apresenta o valor mais aproximado da corrente de coletor.
Provas
Na leitura de volumes, deve-se evitar o erro paralaxe, que é o deslocamento aparente do nível de um líquido à medida que o observador muda de posição. A paralaxe ocorre quando um objeto pode ser visto a partir uma posição que não seja a do ângulo correto para a sua observação. Observe as figuras:

Analisando as figuras, quais apresentam os ângulos corretos de leitura para se evitar o erro paralaxe?
Provas
Conforme dispõe a Lei nº 9.784/99, que regula o processo administrativo no âmbito da Administração Pública Federal, inexistindo disposição específica, os atos do órgão ou autoridade responsável pelo processo e dos administrados que dele participam devem ser praticados no prazo de:
Provas
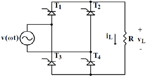
A figura abaixo se refere a um circuito eletrônico de potência.

Marque a alternativa que apresenta a denominação correta deste circuito.
Provas
Considere o seguinte parágrafo sobre comunicação organizacional e gestão de crises, elaborado a partir das reflexões de João José Forni.
“Se a empresa assessorada não conseguiu intervir antes da divulgação de ocorrências negativas, a saída é _____________ tudo rapidamente, para divulgar uma versão ____________ à imprensa. O fato de ser procurado por um repórter com uma denúncia grave não significa que seja tudo verdade ou que ele já tenha todos os dados. É preciso saber o estágio em que está a matéria, as fontes consultadas, a versão e a dimensão que o jornalista tem da denúncia. Essa fase exige um trabalho de ____________ da área de assessoria de comunicação.”
Assinale a alternativa que preenche, correta e respectivamente, as lacunas.
Provas
Caderno Container