Magna Concursos

Foram encontradas 700 questões.

1222363 Ano: 2013
Disciplina: Geologia
Banca: FUNDATEC
Orgão: UNIPAMPA
Provas:

O Rio Grande do Sul é considerado no sul do Brasil como o maior exportador de gemas lapidadas. Destacam-se entre as gemas lapidadas produzidas:

 

Provas

Questão presente nas seguintes provas
1222297 Ano: 2013
Disciplina: Direito Educacional e Tecnológico
Banca: FUNDATEC
Orgão: UNIPAMPA

Para responder a questão, considere o Regimento Geral da UNIPAMPA.

Segundo o artigo 17 do referido Regimento, o órgão superior de controle e fiscalização da gestão econômico-financeira da UNIPAMPA é

 

Provas

Questão presente nas seguintes provas
1221900 Ano: 2013
Disciplina: Engenharia Eletrônica
Banca: FUNDATEC
Orgão: UNIPAMPA

Analise as assertivas abaixo, assinalando V, se verdadeiras, ou F, se falsas.

( ) O Varicap, ou varactor, é um semicondutor.

( ) O modo de operação do Varicap depende da capacitância existente na junção p-n, quando o elemento está diretamente polarizado.

( ) O diodo túnel possui uma região de operação com resistência negativa.

( ) O diodo transmite energia luminosa por pacotes denominados fótons.

A ordem correta de preenchimento dos parênteses, de cima para baixo, é:

 

Provas

Questão presente nas seguintes provas
1221896 Ano: 2013
Disciplina: Agronomia (Engenharia Agronômica)
Banca: FUNDATEC
Orgão: UNIPAMPA
Provas:

Abaixo são descritas algumas técnicas de propagação de plantas. Qual delas NÃO é uma técnica?

 

Provas

Questão presente nas seguintes provas
1221684 Ano: 2013
Disciplina: Engenharia Eletrônica
Banca: FUNDATEC
Orgão: UNIPAMPA
Provas:

Considerando um circuito LC, onde o indutor está paralelo ao capacitor, com C = 220μF e L = 32mH, marque a alternativa que apresenta a frequência de ressonância do circuito.

 

Provas

Questão presente nas seguintes provas

A questão refere-se ao texto abaixo:

Ai que gafe

É como se, de repente, as palavras saltassem à nossa frente e, quando nos damos conta, já dissemos aquilo de que, no segundo seguinte, nos arrependemos. É o lapso, o “fora”, a palavra que deveria ser evitada mas parece escapar – uma situação em geral constrangedora, da qual ninguém está livre. No palco, a gafe, uma instância da comédia burguesa, faz a plateia rir. Contudo, na vida cotidiana esse tipo de erro costuma ser muito constrangedor. Segundo o psicólogo social Daniel Wegner, da Universidade Harvard, em Cambridge, que estuda esses casos há mais de 20 anos, aqueles que tinha tendência a depressão, ansiedade ou timidez (e costumam ficar constrangidos e desconfortáveis quando em grupo) são os que levam mais a sério esses lapsos – e mais sofrem com eles.

Sigmund Freud já havia descrito este fenômeno, que ele nomeou genville (que se refere a uma ação executada contra a própria vontade) em 1895 em um de seus estudos sobre dispositivo O criador da psicanálise percebeu que muitas de suas pacientes que têm medo de fazer observações sem propósito ficavam particularmente incomodadas quando isso, eventualmente, ocorria. Entre as recatadas mulheres do início do século 20, um deslize era visto, principalmente por elas mesmas, como algo grave, que assumia sérias proporções em seu psiquismo. E, curiosamente, quanto mais tinham medo de cometer uma gafe, mais isso acontecia.

Em uma experiência clássica em psicologia, Wegner pediu aos participantes de um estudo para não pensar em um urso branco durante cinco minutos – e falar sobre aquilo que eles quisessem. Caso eles pensassem assim mesmo no animal, deviam tocar um sininho cada vez que isso acontecesse. Os resultados mostraram que os voluntários tinham disparado as campainhas em média 6 vezes e alguns chegaram a tocar 15 vezes! Após os experimentos, todos admitiram que ficaram então muito frustrados (e surpresos) por perderem o controle de seus pensamentos.

Para o psicólogo, mesmo que às vezes lamentáveis, essas situações representam um efeito secundário e quase que inevitável de nosso controle mental: é o que se chama de metacognição (do grego meta: mais longe, além, e do latim cognitivo: conhecer). Dois mecanismos que geralmente agem em histeria às vezes entram em descompasso: em condições normais, uma espécie de sinergia interno sinaliza o aparecimento de pensamentos inapropriados (porque eles são inadequados ao contexto ou porque nós estamos ocupados com outra tarefa e naquele momento é melhor deixá-los de lado). Logo que o censor emite um alarme, um segundo processo é disparado – o suprimento do pensamento indesejável. Segundo essa teoria, o controle mental evita a revelação de pensamentos indesejáveis, monitorando a atenção e fazendo com que tentemos de forma consciente nos concentrar em outra coisa.

Esse mecanismo costuma funcionar muito bem, mas quando estamos estressados ou quando devemos realizar duas tarefas complexas ao mesmo tempo, ele pode falhar. Esses “erros irônicos” se produzem assim que os conteúdos reprimidos fogem do nosso controle. Mesmo que o recalque e a repressão sejam estratégias eficazes, frequentemente usadas, podem causar os lapsos, pois exigem muita atenção e investimento de recursos cognitivos.

Fonte: texto adaptado - http://www2.uol.com.br/vivermente/reportagens/ai_que_gafe_.html.

Relacione a Coluna 1 à Coluna 2, associando as conjunções ou locuções conjuntivas retiradas do texto à sua classificação gramatical, considerando o contexto de uso.

Coluna 1

1. Explicativa.

2. Concessiva.

3. Proporcional.

4. Temporal.

5. Conformidade.

Coluna 2

( ) quanto mais

( ) porque

( ) Logo que

( ) Segundo

( ) Mesmo que

A ordem correta de preenchimento dos parênteses, de cima para baixo, é:

 

Provas

Questão presente nas seguintes provas
1221378 Ano: 2013
Disciplina: Biblioteconomia
Banca: FUNDATEC
Orgão: UNIPAMPA

Os clássicos da Administração influenciaram com as suas teorias da qualidade o ambiente organizacional que podem ser aplicados na gestão e organização de bibliotecas, influenciando a gestão de pessoas, a gestão da qualidade e a gestão de rotinas. Daí a importância do profissional bibliotecário identificar as diferentes teorias propostas.

Numere a Coluna 2 de acordo com a Coluna 1, associando os teóricos às escolas e suas propostas.

Coluna 1

1. Taylor.

2. Fayol.

3. Mayo.

4. Deming.

5. Crosby.

6. Ishikawa.

Coluna 2

( ) Propõe a necessidade de comprometimento da cúpula da empresa, como liderança, com o programa de qualidade como uma obrigação de todos, respeitando o ciclo de busca e aperfeiçoamento contínuos de produtos e de serviços.

( ) Aponta a necessidade de especialização de funções para melhor resultado e menor custo em uma visão estruturalista na organização do trabalho, com o controle do ser humano em seu ambiente de trabalho.

( ) Defende o controle de qualidade nas instituições em todas as instâncias de hierarquia criando um modelo prático para o combate das causas de origem de perdas e desperdícios centrado na Regra dos 5S.

( ) Propõe, a partir dos seus estudos, a organização do trabalho baseada na premissa da produtividade como função direta da satisfação no trabalho centrado no ser humano, visando o bem comum e a melhor realização das suas atividades profissionais.

( ) Defende que as funções administrativas devem ser distribuídas entre a cúpula com as outras funções da organização apontando os “14 Princípios Gerais da Administração” e enfatizando o papel dos administradores profissionais para o sucesso das organizações.

( ) Propõe a qualidade como um objetivo universal estimulando a liderança como um compromisso definitivo dos administradores, prevenindo erros e possibilitando diminuição de custos e economia de recursos.

A ordem correta de preenchimento dos parênteses, de cima para baixo, é:

 

Provas

Questão presente nas seguintes provas

Assinale a alternativa que apresenta as duas maiores economias da América do Sul:

 

Provas

Questão presente nas seguintes provas
1221007 Ano: 2013
Disciplina: Engenharia Elétrica
Banca: FUNDATEC
Orgão: UNIPAMPA

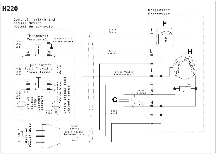
A figura abaixo apresenta o diagrama elétrico de um congelador, identificando com as letras “F”. “G” e “H” alguns elementos.

Enunciado 1221007-1

Marque a alternativa que relaciona corretamente a figura identificada com a respectiva letra e seu significado no diagrama.

 

Provas

Questão presente nas seguintes provas
1220773 Ano: 2013
Disciplina: Engenharia Elétrica
Banca: FUNDATEC
Orgão: UNIPAMPA

A norma brasileira NBR 5444 especifica os símbolos gráficos para instalações elétricas prediais. A tabela abaixo, baseada na referida norma, apresenta cinco diferentes símbolos com seus respectivos significados, mas contém erro em uma destas relações. Marque a alternativa que indica a linha da tabela que apresenta este ERRO.

Enunciado 1220773-1

 

Provas

Questão presente nas seguintes provas