Foram encontradas 50 questões.
- Atos AdministrativosAtributos, Características e Prerrogativas
- Atos AdministrativosElementos, Requisitos e Pressupostos
São requisitos ou elementos dos atos administrativos:
Provas
Existem inúmeras famílias de circuitos lógicos, cada uma com características próprias e mais indicadas para usos específicos. Marque a alternativa que apresenta ERRO na relação da família com sua característica principal.
Provas
A Constituição Federal estabelece que a Administração Pública obedecerá aos princípios da legalidade, impessoalidade, moralidade, publicidade e eficiência. Esta determinação abrange:
Provas
A figura abaixo é de um circuito eletrônico que utiliza portas lógicas. Considerando (/) como negação, marque a alternativa que apresenta a equação correspondente a este circuito eletrônico.

Provas
No Windows 7, “ reúne arquivos de diferentes locais e os exibe em uma única coleção, sem os mover de onde estão armazenados”.
Marque a alternativa que preenche corretamente a lacuna acima.
Provas
A questão refere-se ao texto abaixo:
Evitar a evitação
Como se proteger dos lapsos de memória? Na Universidade de Nevada no Reno, o psicólogo Steven Hayes faz uma recomendação simples: aprender a aceitar os pensamentos desagradáveis. Ele sugere também evitar a evitação, a esquiva, ou seja, evitar o evitar. Já o psicólogo Daniel Wegner, da Universidade de Harvard, propõe – nos casos mais graves, nos quais a pessoa se sente atormentada por pensamentos intrusivos – a análise diária das próprias preocupações, incluindo tudo aquilo que causa inquietação e se gostaria de reprimir. Ele salienta, porém, que esta orientação vale somente para aqueles que se sentem capazes de lidar com suas angústias. Este método não convém aos pacientes gravemente afetados, que devem buscar ajuda de um médico ou psicoterapeuta.
O pesquisador James Pennebaker, da Universidade do Texas em Austin, analisou numerosos estudos e com base neles concluiu que uma confrontação ativa com os pensamentos reprimidos costuma ter efeitos positivos na vida cotidiana e na saúde tanto física quanto psíquica. Ele assinala as vantagens para algumas pessoas de registrar por escrito seus tabus pessoais, aquilo que teme ou lhe causa vergonha. Segundo o especialista, tal exercício parece ter outra consequência que requer mais pesquisa: reforçar o sistema imunológico, já que assim menos estresse haveria, e parte da energia psíquica despendida na repressão de certos conteúdos poderia ser empregada de maneira mais saudável.
Antes de fazer anotações sobre os temas que nos constrangem, no entanto, é preciso, primeiro, tomar consciência deles para depois analisar esses temas intrusivos. Wegner propõe também encontrar distrações que não aumentem o estresse. Segundo ele, tudo que nos interessa e não cria uma sobrecarga emocional representa uma boa ocasião de se liberar do temor de cometer gafes. Para algumas pessoas, mais rígidas consigo mesmas, pode ser muito tranquilizador tomar consciência de que esse tipo de incidente é simplesmente normal. E se parece difícil conscientizar-se disso sozinho, talvez seja hora de buscar ajuda de um psicólogo. Afinal, se aquilo que seria apenas motivo de um leve mal-estar e uma boa gargalhada após algum tempo se torna razão para se atormentar, parece hora de empenhar-se para tornar a vida um pouco mais leve.
Fonte: texto adaptado - http://www2.uol.com.br/vivermente/reportagens/ai_que_gafe_.html.
Observe as palavras abaixo, retiradas do texto, sobre suas classes gramaticais.
1. recomendação
2. vale
3. médico
4. cria
Quais podem assumir outra classe gramatical, caso estejam em outro contexto de uso?
Provas
Disciplina: Atualidades e Conhecimentos Gerais
Banca: FUNDATEC
Orgão: UNIPAMPA
A taxa de mortalidade infantil indica quantas crianças, em cada mil nascidas vivas, morreram antes de completar um ano de idade. Segundo dados do IBGE – Instituto Brasileiro de Geografia e Estatística, os estados brasileiros que apresentam as maiores taxas nacionais de mortalidade infantil estão localizados na região.
Provas
Disciplina: Engenharia de Telecomunicações
Banca: FUNDATEC
Orgão: UNIPAMPA
Muitas vezes o técnico em eletrônica se depara com problemas de radiodifusão, seja em equipamentos de comunicação por micro-ondas ou mesmo em sistemas tipo WiFi. Cada frequência de transmissão possui um comprimento de onda típico. Marque a alternativa que apresenta o valor mais aproximado do comprimento de onda de uma frequência de 100 MHz.
Provas
A Constituição Federal, ao tratar sobre o regramento aplicável aos servidores públicos, dispôs que:
Provas
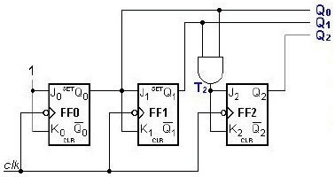
A figura abaixo apresenta um circuito de eletrônica digital que utiliza lógica sequencial.

Considerando que, no tempo zero todas as saídas estão em zero, marque a alternativa que apresenta o valor binário na saída após seis pulsos de clock.
Provas
Caderno Container