Foram encontradas 997 questões.
O exame padrão-ouro para diagnóstico do refluxo gastroesofágico é:
Provas
Questão presente nas seguintes provas
A criança, em seu processo natural de crescimento e desenvolvimento, enfrenta situações que podem colocar em risco a sua integridade. A partir da compreensão de que é no contexto da vida social e familiar que aumentam as chances de exposição das crianças aos acidentes e às violências, os profissionais de saúde devem orientar aos pais e familiares sobre a prevenção de acidentes e sobre os fatores de risco e de vulnerabilidade para a ocorrência de acidentes. Estudos recentes (BRASIL, 2012) afirmam que os fatores de risco e de vulnerabilidade intrapessoais são aqueles
Provas
Questão presente nas seguintes provas
Assinale a opção INCORRETA:
Provas
Questão presente nas seguintes provas
1674103
Ano: 2016
Disciplina: Administração Financeira e Orçamentária
Banca: BIO-RIO
Orgão: Pref. Barra Mansa-RJ
Disciplina: Administração Financeira e Orçamentária
Banca: BIO-RIO
Orgão: Pref. Barra Mansa-RJ
Provas:
São Princípios Orçamentários os constantes das opções abaixo, EXCETO :
Provas
Questão presente nas seguintes provas
1674032
Ano: 2016
Disciplina: Ética e Regulação Profissional
Banca: BIO-RIO
Orgão: Pref. Barra Mansa-RJ
Disciplina: Ética e Regulação Profissional
Banca: BIO-RIO
Orgão: Pref. Barra Mansa-RJ
Provas:
Sobre a resolução CFP nº 018/2002, assinale a opção CORRETA quanto às considerações feitas pela resolução em questão:
Provas
Questão presente nas seguintes provas
A canalização é uma obra de engenharia realizada no sistema fluvial que envolve a direta modificação da calha do rio e desencadeia consideráveis impactos no canal e na planície de inundação. Sobre os impactos geomorfológicos, pode-se afirmar que:
Provas
Questão presente nas seguintes provas
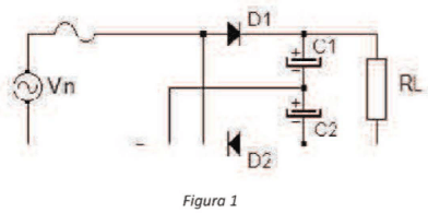
Calcule a tensão no resistor RL da figura 1. Considere os componentes ideais e regime permanente com \( Vin = 10sen\omega t \).

Provas
Questão presente nas seguintes provas
A lei nº 11.105, de 24 de março de 2005 estabelece normas de segurança e mecanismos de fiscalização sobre a construção, o cultivo, a produção, a manipulação, o transporte, a transferência, a importação, a exportação, o armazenamento, a pesquisa, a comercialização, o consumo, a liberação no meio ambiente e o descarte de organismos geneticamente modificados - OGM e seus derivados, tendo como diretrizes o estímulo ao avanço científico na área de biossegurança e biotecnologia, a proteção à vida e à saúde humana, animal e vegetal, e a observância do princípio da precaução para a proteção do meio ambiente. Por meio dessa lei foi NÃO foi definido que:
Provas
Questão presente nas seguintes provas
Se o funcionário público, embora não tendo a posse do dinheiro, valor ou bem, o subtrai, ou concorre para que seja subtraído, em proveito próprio ou alheio, valendo-se de facilidade que lhe proporciona a qualidade de funcionário, pratica o crime de:
Provas
Questão presente nas seguintes provas
Nos termos do artigo 78 do Código Tributário Nacional, considera-se poder de polícia atividade da administração pública que, limitando ou disciplinando direito, interesse ou liberdade, regula a prática de ato ou abstenção de fato, em razão de interesse público concernente à segurança, à higiene, à ordem, aos costumes, à disciplina da produção e do mercado, ao exercício de atividades econômicas dependentes de concessão ou autorização do Poder Público, à tranquilidade pública ou ao respeito à propriedade e aos direitos individuais ou coletivos. O exercício regular do poder de polícia
Provas
Questão presente nas seguintes provas
Cadernos
Caderno Container