Foram encontradas 50 questões.
Considerando o circuito gerador de sinal PWM a seguir, determine o valor médio da tensão de saída e os tempos ton (saída máxima) e toff (saída mínima) para um sinal de entrada de 2 V.

Provas
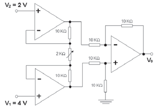
Calcule o valor de V0 para o circuito abaixo e assinale a alternativa correta.

Provas
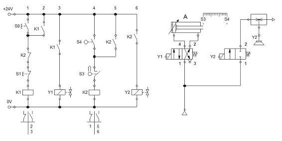
Indique a sequência de eventos que ocorrerão após o acionamento do botão S0.

Provas
Considerando os circuitos de força e de comando da figura a seguir, podemos afirmar que:

Provas
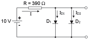
Determine para o circuito abaixo os valores de I, VR (tensão sobre o resistor), ID1, ID2 e assinale a alternativa com os valores corretos destas grandezas. Considere VD = 0,7 V.

Provas
Dado o circuito abaixo, foram feitas medidas de tensão sobre os resistores utilizando um multímetro com as características indicadas. Indique os valores encontrados.

Provas
- ProlegômenosPrincípios da Administração PúblicaPrincípios Expressos
- ProlegômenosRegime Jurídico Administrativo
- Agentes PúblicosCargos, Empregos e Funções PúblicasFormas de Provimento
- Lei 8.112/1990: RJU
- Lei 8.429/1992: LIA
( ) A Administração Pública Direta e Indireta deve considerar na prática dos atos administrativos os princípios da legalidade, pessoalidade, moralidade, publicidade e eficiência. ( ) O servidor público estável perderá o cargo em virtude de sentença penal condenatória. ( ) Se um servidor público estável tiver seu cargo extinto, ficará em disponibilidade e terá garantida remuneração até seu adequado aproveitamento em outro cargo. ( ) Como condição para a aquisição da estabilidade, o servidor público poderá ter que se submeter a avaliação de desempenho. ( ) Sem prejuízo da ação penal cabível, os atos de improbidade administrativa acarretarão na suspensão dos direitos políticos, na perda da função pública, na indisponibilidade dos bens e no ressarcimento ao erário.
Provas
Provas
Provas
Na figura a seguir, A e B representam as posições dos polos de um sistema em Malha Aberta. Os pontos C e D representam as posições desejadas dos polos A e B em Malha Fechada. Selecione a opção que permitirá construir um compensador por avanço de fase para alcançar o objetivo desejado.

Provas
Caderno Container