Foram encontradas 50 questões.
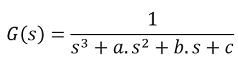
Utilize o método de Routh-Hurwitz para determinar os valores de a, b e c que garantem a estabilidade do sistema:

Provas
Determine as Margens de Ganho (MG) e de Fase (MF) nos diagramas de Bode em Malha Aberta e conclua sobre a estabilidade do sistema em Malha Fechada.

Provas
De acordo com o Diagrama de Nyquist de um sistema em Malha Aberta, mostrado a seguir, conclua sobre a sua estabilidade em Malha Fechada.

Provas
Provas
Dados os Diagramas de Bode de um sistema de primeira ordem em Malha Aberta, determine
os valores de K e
da equação mostrada abaixo.

Os valores de K e
são:
Provas
Analise o circuito abaixo e defina os valores de saída preenchendo a tabela.

Assinale a alternativa que contém a sequência correta de valores da saída da tabela, da primeira linha para a última.
Provas
No circuito driver para motor DC apresentado na figura a seguir, determine:
- Os valores de R1 e R2 para que Vi = 0.5 V resulte em Vo = 12 V;
- O menor ganho de corrente dos transistores necessário para que o amplificador operacional funcione com correntes de saída menores do que 5mA.

Provas
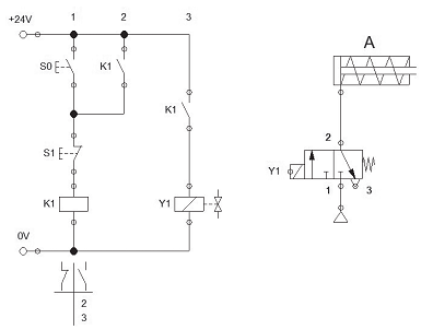
Considerando os diagramas elétrico e pneumático a seguir, podemos afirmar que:

Provas
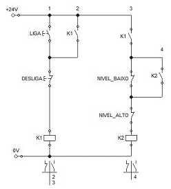
Dado o circuito físico de acionamento de uma bomba d’água, indique os tipos de contatos lógicos a serem utilizados no programa Ladder de um PLC.

Provas
É preciso acionar cilindros pneumáticos através de um PLC. Identifique, dentre os componentes listados, aqueles que se relacionam com a tarefa desejada. Considere que já existem os cilindros e o PLC.
1) compressor de ar
2) válvula direcional
3) relé
4) fonte de alimentação elétrica DC
5) contator
6) disjuntor
7) ventosa
8) compressor de óleo
9) cartões digitais de entrada/saída
10) cartões analógicos de entrada/saída
Provas
Caderno Container