Foram encontradas 400 questões.
Segundo John W. Muchow, o CLDC (Connected, Limited Device Configuration) possui dois objetivos, são eles
Provas
Questão presente nas seguintes provas
A higiene (operação de limpeza e sanitização) na indústria alimentícia é de fundamental importância para o controle sanitário dos alimentos e visa, sobretudo, à segurança e qualidade destes, a fim de evitar perdas econômicas (devido à deterioração e contaminação dos produtos por microorganismos, especialmente pelos de ação patogênica) e problemas relacionados à saúde pública. Sobre os procedimentos de higienização industrial, é correto afirmar que:
I. A etapa de lavagem, quando efetuada de forma adequada, é uma operação de grande importância, pois reduz a quantidade de resíduos aderentes aos equipamentos resultando em remoção de até 90% do material solúvel presente.
II. As operações de limpeza, na pasteurização de laticínios, são dificultadas quando há utilização de temperatura excessiva devido à formação de incrustações de sais de cálcio e magnésio, conhecidas como “pedra de leite”.
III. Os compostos de limpeza, à base de ácidos orgânicos, são corrosivos.
IV. A água utilizada na pré-lavagem deve ser aquecida entre 38-45ºC para não ocasionar coagulação (desnaturação) de proteínas e solidificação de gorduras nas superfícies.
Estão corretas apenas as afirmativas
Provas
Questão presente nas seguintes provas
Considere o código em linguagem PHP apresentado abaixo.
1. <?php
2. $x = 10;
3. $z = 20;
4. function f1(&$y)
5. {
6. global $x;
7. $x-=100;
8. $y+=$x;
9. }
10. $x+= 100;
11. echo $x."\n";
12. f1($z);
13. echo $x."-".$z;
14. ?>
2. $x = 10;
3. $z = 20;
4. function f1(&$y)
5. {
6. global $x;
7. $x-=100;
8. $y+=$x;
9. }
10. $x+= 100;
11. echo $x."\n";
12. f1($z);
13. echo $x."-".$z;
14. ?>
O que será impresso por este código-fonte, considerando os comandos echo das linhas 11 e 13?
Provas
Questão presente nas seguintes provas
Um indutor tem uma resistência elétrica de 4 Ω e uma indutância de 9,55 mH. Considere ligada a fonte de 240 V/50 Hz. Os valores de XL, Z, I e θ são, respectivamente,
Provas
Questão presente nas seguintes provas
Temos grandes teóricos, pesquisadores e profissionais que colaboraram para o aperfeiçoamento das teorias no campo da Administração. Esses conceitos podem servir de embasamento para que os profissionais da área efetivem o processo de tomada de decisões. Maslow apresentou uma teoria da motivação, na qual as necessidades humanas estão estruturadas em uma hierarquia de relevância, conforme uma pirâmide. Essas necessidades são organizadas de modo que
Provas
Questão presente nas seguintes provas
O dispositivo semicondutor, que conduz corrente apenas após a tensão de disparo ser atingida e cessa a condução, quando a corrente inverte o sentido, denomina-se
Provas
Questão presente nas seguintes provas
Considere o código em linguagem PHP apresentado abaixo.
1. <?php
2. class c1
3. {
4. const nome = "Teste";
5. function __construct()
6. {
7. echo ______;
8. }
9. }
10. echo _______;
11. $ob = new c1();
12. ?>
2. class c1
3. {
4. const nome = "Teste";
5. function __construct()
6. {
7. echo ______;
8. }
9. }
10. echo _______;
11. $ob = new c1();
12. ?>
Para que seja impresso o valor da constante nome, complementando os comandos echo das linhas 7 e 10, deverão ser utilizados, respectivamente, os comandos
Provas
Questão presente nas seguintes provas
O pH normal do sangue é 7,4. No entanto a adição de pequena quantidade de ácido ou base forte a um litro de sangue leva à mudança de apenas 0,1 unidade de pH. Por isso, dizemos que o sangue é um fluido tamponado. Qual é o valor aproximado do pH de 0,5L de uma solução tampão composta por ácido fórmico (HCO2H) 0,50M e formiato de sódio (NaHCO2) 47,6 g/L sabendo-se que Ka=1,8 x 10-4?
Provas
Questão presente nas seguintes provas
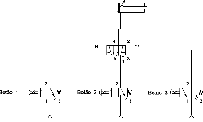
Analise o circuito pneumático a seguir (figura 03):

Figura 03 – Circuito Pneumático
Sobre o circuito, para que o atuador avance é necessário
Provas
Questão presente nas seguintes provas
Nesse instante, um relógio está marcando 2 horas. Da próxima vez que o ponteiro dos minutos estiver exatamente em cima do ponteiro das horas, aproximadamente, que horas serão?
Provas
Questão presente nas seguintes provas
Cadernos
Caderno Container