Foram encontradas 400 questões.
A tensão eficaz da fonte CA, é de 127,28 V. O SCR do circuito representado da Figura 4 pode suportar um di/dt = 25 A/ μs.

Determine o valor mínimo aproximado de uma indutância L, que deverá ser colocada em série com o SCR e a carga, para protegê-los de di/dt provocados pelos chaveamentos do tiristor nos mais variados ângulos de ajuste de disparo.
Provas
Questão presente nas seguintes provas
Quanto às características nominais dos motores elétricos de indução, é correto afirmar que
Provas
Questão presente nas seguintes provas
Um retificador trifásico de meia onda, que ligado a uma fonte trifásica CA senoidal equilibrada, ligada em Y, com tensão de linha de 380 V, na frequência de 60 Hz, fornece potência a uma carga resistiva de 5 Ω. Se o ângulo de disparo dos tiristores for de 25°, os valores aproximados da corrente média sobre o resistor de carga e a corrente máxima sobre um dos SCR são respectivamente:
Provas
Questão presente nas seguintes provas
Os valores de !$ x !$ e !$ y !$ que maximizam a função !$ f !$ !$ x !$,!$ y !$ =!$ x !$1/4∙!$ y !$3/4 sujeita à restrição 2!$ x !$+3!$ y !$=16 são tais que !$ x !$∙!$ y !$ vale
Provas
Questão presente nas seguintes provas
Dentre os tipos de estratégias apresentados por Oliveira, 2011, estão, respectivamente,
Provas
Questão presente nas seguintes provas
Sobre compensação em frequência em amplificadores operacionais, afirma-se que
Provas
Questão presente nas seguintes provas

O circuito da figura 08 é um regulador de tensão série com transistor de junção bipolar (TJB) e diodo zener, com entrada VF e saída VL, ambas em tensão. Considere que o diodo apresenta tensão zener nominal de 5,6 V (VZnom) e suporta uma potência máxima de 0,5 W (PZmax). Também considere que o transistor apresenta β= 500 e VBE= 0,6 V, quando em condução, e que suporta uma potência máxima de 0,5 W (PQmax), uma corrente máxima de coletor de 100 mA (ICmax) e uma tensão máxima coletor-emissor de 30 V (VCEmax). Supondo-se que o regulador esteja fornecendo 50 mA de corrente à carga (RL), qual é o valor aproximado da máxima tensão VF que pode ser aplicada à entrada do regulador, garantindo que o mesmo funcione de forma segura?
Provas
Questão presente nas seguintes provas
As bacias hidrográficas apresentam grande dinâmica e complexidade nos ciclos da natureza e na transformação da paisagem, pois suas águas são um agente que atua continuamente no modelado do relevo. As águas que escoam tanto pelas vertentes quanto pelo leito dos rios promovem erosão, transporte e sedimentação de materiais sólidos, incluídos os dissolvidos na água. Esses materiais são transportados para outros rios, para um lago, para um oceano, para uma represa ou para um açude.
Tendo por base o texto acima, afirma-se que a drenagem que se dirige aos oceanos é denominada
Provas
Questão presente nas seguintes provas
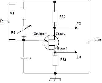
O oscilador de relaxação representado na figura 7 é usado para disparar SCR.

Figura 7
Das alternativas apresentadas, qual é a que exalta uma das características apresentada por este circuito?
Provas
Questão presente nas seguintes provas
O Ciclo de Vida de uma Atividade Android (Android Activity Lifecycle) define os estados ou eventos pelos quais uma atividade passa desde o momento em que ela é criada até o momento em que é finalizada.
Nesse contexto, o primeiro método chamado quando na execução de uma atividade é
Provas
Questão presente nas seguintes provas
Cadernos
Caderno Container