Foram encontradas 1.600 questões.
Considerando as seguintes afirmações sobre descontinuidades em peças soldadas:
I. Baseado no livro Welding Inspection, a American Welding Society classifica as descontinuidades em três categorias básicas: dimensionais, estruturais e propriedades inadequadas.
II. Convexidade excessiva, garganta insuficiente e dobra são descontinuidades dimensionais relacionadas ao perfil da solda.
III. As trincas são descontinuidades que podem estar presentes apenas na zona termicamente afetada e na zona fundida.
IV. Uma boa preparação da região da junta pode contribuir para não ocorrência de porosidades.
Está(ão) correta(s) a(s) afirmativa(s)
Provas
Questão presente nas seguintes provas
O Fator de Potência de uma instalação de iluminação fluorescente foi corrigido para 0,92 com um banco de capacitores de 17,5 kVAr. Considerando que o fator de potência antes da correção era 0,5, afirma-se que a potência ativa da instalação é de aproximadamente
Provas
Questão presente nas seguintes provas
No caso dos aços carbono e aços de baixa liga, a zona termicamente afetada apresentará diversas regiões que, a partir da zona fundida, são nomeadas de:
Provas
Questão presente nas seguintes provas
Observe o circuito abaixo.

O valor da resistência de RB que resulta na saturação do transistor, considerando VECsat = 0,2V, VEB = 0,7 V e !$ \beta !$ de saturação igual a 10 é
Provas
Questão presente nas seguintes provas
A organização do currículo de ensino médio integrado ao ensino técnico dar-se-á sob os seguintes pressupostos, dos quais destacamos:
I. Conceber o sujeito como ser histórico-social, concreto, capaz de transformar a realidade em que vive.
II. Visar a formação humana como síntese prioritária de formação acadêmica e formação para a vida.
III. Ter o trabalho como princípio educativo no sentido de que o trabalho permite, concretamente, a compreensão do significado econômico, social, histórico, político e cultural das ciências e das artes.
IV. Embasar-se numa pedagogia que vise a construção individualizada de conhecimentos gerais, específicos, no sentido de que os primeiros fundamentam os segundos e esses evidenciam o caráter produtivo concreto dos primeiros.
Estão corretas as afirmativas
Provas
Questão presente nas seguintes provas
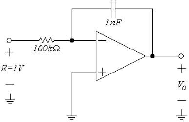
Observe o circuito da figura abaixo.

Considerando que, num instante inicial, t0, seja aplicado um pulso de tensão (E) de valor igual a 1V e que, neste instante, o capacitor C esteja totalmente descarregado (VC = 0V), marque a afirmativa que contém o tempo, t, no qual o Vo seja igual a −10V no circuito da figura acima.
Provas
Questão presente nas seguintes provas
Analise as afirmações abaixo sobre limas:
I. Limas com picado simples são utilizadas para trabalhar materiais como o alumínio.
II. Limas bastardas são aquelas utilizadas para operações de acabamento.
III. Para remover carepa de peças forjadas devem-se empregar limas velhas.
IV. Quanto mais nova a lima, maior deve ser a pressão sobre ela durante o trabalho.
Está(ão) correta(s) a(s) afirmativa(s)
Provas
Questão presente nas seguintes provas
Relativo ao princípio de funcionamento de um motor de combustão interna, o que é correto afirmar?
Provas
Questão presente nas seguintes provas
O circuito da figura ao lado é um retificador de

Provas
Questão presente nas seguintes provas
Quanto ao número de soluções reais da equação !$ x^{ (log_5 \, x)} \, = \, 5 !$ é correto afirmar que
Provas
Questão presente nas seguintes provas
Cadernos
Caderno Container