Foram encontradas 40 questões.
Observe o circuito representado na figura abaixo.

Assinale a afirmativa correta em relação ao circuito representado acima.
Provas
Questão presente nas seguintes provas
As ondas eletromagnéticas que são refletidas no espaço e retornam à Terra, possibilitando alcances de milhares de quilômetros, são principalmente:
Provas
Questão presente nas seguintes provas
Observe os circuitos abaixo:

Para identificarmos o valor de uma resistência R desconhecida, com auxílio de um voltímetro, de um amperímetro e de uma fonte CC, podemos usar a montagem a ou a montagem b, mostradas na figura desta questão. Considere que a resistência interna do amperímetro e a corrente que passa no voltímetro não sejam desprezíveis. Nestas condições, analise as afirmativas abaixo:
I. Na montagem a, o valor indicado no amperímetro será exatamente igual à corrente que passa em R;
II. Usando a montagem a, o valor que obteremos para R será menor do que o seu valor real;
III. Usando a montagem b, o valor que obteremos para R será maior do que o seu valor real;
IV. As montagens a e b devem ser usadas para o caso de trabalharmos, respectivamente, com um resistor de alta e de baixa resistência.
Estão CORRETAS apenas as afirmativas:
Provas
Questão presente nas seguintes provas
Analise os esquemas abaixo, em que temos uma fonte CC de 20 V, um relé para 12 V com 5 terminais externos, uma outra fonte CC regulada em 6 V para alimentar a lâmpada de 6 V – 5 W e um LDR, o qual é um lumistor, cuja resistência varia na razão inversa da variação da luz incidente sobre ele. O objetivo desta montagem é fazer a lâmpada acender quando estiver escuro. Considere que os terminais da bobina do relé são os pontos 3 e 5, os contatos normalmente abertos (NF) são os pontos 1 e 4 e os contatos normalmente fechados (NF) são os pontos 2 e 4.

Admitindo que os valores dos componentes são compatíveis com o objetivo do experimento, podemos afirmar que o circuito CORRETO é o:
Provas
Questão presente nas seguintes provas
Observe o gráfico abaixo.

Num laboratório de eletricidade básica, foi realizado um ensaio de modo a identificar a curva característica de um determinado resistor, sendo obtido o gráfico dado, o qual mostra o comportamento da corrente I em função da tensão Vab. Em função disto, é CORRETO afirmar que:
Provas
Questão presente nas seguintes provas
Analise o circuito da figura abaixo.

Com base no circuito da figura acima, qual é alternativa que representa corretamente o ganho de tensão !$ ( { \large v_o \over v_i}) !$?
Provas
Questão presente nas seguintes provas
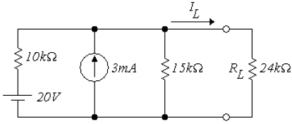
Observe o circuito da figura abaixo.

Qual é o valor correto da corrente IL no circuito da figura acima?
Provas
Questão presente nas seguintes provas
O resultado da soma 470D (decimal) com 1AEH (hexadecimal) é
Provas
Questão presente nas seguintes provas
Observe o circuito abaixo.

Considere que o conversor A/D é de 6 bits e a faixa de conversão é de 0 V a 5 V. Para arredondamentos, considere somente a parte inteira do número. O valor que aparece nos displays é
Provas
Questão presente nas seguintes provas
Na fonte de corrente, com VBE=0,7V e !$ \beta !$cc=100, o valor da corrente através da lâmpada e o seu sentido convencional são:

Provas
Questão presente nas seguintes provas
Cadernos
Caderno Container