Foram encontradas 40 questões.
Segundo a Lei nº 9394 de 1996 a educação profissional é composta por várias modalidades e níveis, qual a sequência CORRETA de cursos que inclui toda a educação profissional?
Provas
A avaliação do estágio probatório de servidor nomeado para cargo de provimento efetivo será realizada observando-se a sua aptidão e capacidade para o desempenho do cargo. Neste período, de acordo com o previsto na Lei nº 8.112/1990 serão observados os seguintes fatores:
Provas
Com relação ao circuito elétrico indicado abaixo.

Quais são os respectivos valores das correntes elétricas I1, I2 e I3?
Assinale a alternativa que responde CORRETAMENTE à questão acima:
Provas
De acordo com o Plano de Carreira dos cargos Técnicos Administrativos em Educação, regido pela Lei nº 11.091/2005, caberá à Instituição Federal de Ensino avaliar anualmente a adequação do quadro de pessoal às suas necessidades, propondo ao Ministério da Educação, se for o caso, o seu redimensionamento, consideradas, entre outras, as seguintes variáveis: demandas institucionais, proporção entre os quantitativos da força de trabalho do Plano de Carreira e usuários, inovações tecnológicas e .
A alternativa que completa CORRETAMENTE a afirmação acima é:
Provas
Na eletrônica digital é comum o uso de circuitos eletrônicos baseados em portas lógicas. Possuem uma ou mais entradas e uma saída, chamadas variáveis booleanas.
Associe a coluna da direita com a da esquerda, de acordo com o símbolo e a expressão booleana.
(1) ![]() | ( ) y = A |
(2) ![]() | ( )y =A.B |
(3) ![]() | ( )y=A+B |
(4) ![]() | ( )y=A. B |
(5) ![]() | ( )y=A+B |
Assinale a alternativa que contém a ordem CORRETA de associação, de cima para baixo.
Provas
A Lei nº 10.098 de 2000, apresenta definições necessárias à sua compreensão. De acordo com essa Lei, associe a segunda coluna com a primeira.
| I. Desenho Universal | ( ) É aquela que tem impedimento de longo prazo de natureza física, mental, intelectual ou sensorial, o qual, em interação com uma ou mais barreiras, pode obstruir sua participação plena e efetiva na sociedade em igualdade de condições com as demais pessoas. |
| II. Acessibilidade | ( ) Produtos, equipamentos, dispositivos, recursos, metodologias, estratégias, práticas e serviços que objetivem promover a funcionalidade, relacionada à atividade e à participação da pessoa com deficiência ou com mobilidade reduzida, visando à sua autonomia, independência, qualidade de vida e inclusão social. |
| III. Barreiras nas comunicações e na informação | ( ) É qualquer entrave, obstáculo, atitude ou comportamento que dificulte ou impossibilite a expressão ou o recebimento de mensagens e de informações por intermédio de sistemas de comunicação e de tecnologia da informação |
| IV. Ajuda técnica | ( ) É a concepção de produtos, ambientes, programas e serviços a serem usados por todas as pessoas, sem necessidade de adaptação ou de projeto específico, incluindo os recursos de tecnologia assistiva. |
| V. Comunicação | ( ) Possibilidade e condição de alcance para utilização, com segurança e autonomia, de espaços, mobiliários, equipamentos urbanos, edificações, transportes, informação e comunicação, inclusive seus sistemas e tecnologias, bem como de outros serviços e instalações abertos ao público, de uso público ou privados de uso coletivo, tanto na zona urbana como na rural, por pessoa com deficiência ou com mobilidade reduzida. |
| VI. Pessoa com Deficiência | ( ) Forma de interação dos cidadãos que abrange, entre outras opções, as línguas, inclusive a Língua Brasileira de Sinais, a visualização de textos, o Braille, o sistema de sinalização ou de comunicação tátil, os caracteres ampliados, os dispositivos multimídia, assim como a linguagem simples, escrita e oral, os sistemas auditivos e os meios de voz digitalizados e os modos, meios e formatos aumentativos e alternativos de comunicação, incluindo as tecnologias da informação e das comunicações. |
Assinale a alternativa que contém a sequência CORRETA de associação, de cima para baixo.
Provas
Com relação ao Plano de Desenvolvimento Institucional do IFSC - PDI 2015-2019, marque (V) para as afirmativas verdadeiras e (F), para as falsas.
( ) O PDI, com vigência quinquenal, é o documento que manifesta o ideal de educação, que registra o processo de construção da identidade institucional e que dá suporte para as ações educativas programadas pela lei.
( ) A Lei nº 11.892/2008 traz a obrigatoriedade de as instituições de ensino superior construírem o Projeto Pedagógico Institucional - PPI.
( ) A missão do IFSC é promover a inclusão e formar cidadãos, por meio da educação profissional, científica e tecnológica, gerando, difundindo e aplicando conhecimento e inovação, contribuindo para o desenvolvimento socioeconômico e cultural.
( ) Para o ciclo do PDI 2015-2019, a estrutura voltada a subsidiar o alinhamento institucional em prol do alcance da estratégia concebida, coletivamente, é o Comitê Permanente de Acompanhamento do Desenvolvimento Institucional.
( ) A cada exercício será concebido o PAT - Programa de Alimentação do Trabalhador, instrumento operacionalizador dos objetivos traçados no planejamento estratégico, o qual possibilita também a organização da disponibilidade de recursos orçamentários em projetos e demandas alimentares da instituição.
( ) O Relatório de Autoavaliação Institucional, elaborado anualmente pela Comissão Própria de Avaliação - CPA e o Relatório de Gestão/Prestação de Contas constituem-se nos principais documentos de avaliação do desenvolvimento institucional.
Assinale a alternativa que contém a sequência CORRETA de cima para baixo.
Provas
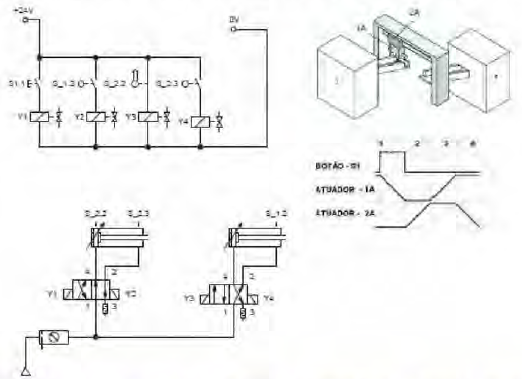
Analisando o diagrama elétrico e pneumático do equipamento de movimentação de peça e acionamento manual mostrado abaixo podemos afirmar para que:

https://www.google.eom.br/search?rlz=1 C1 PRFI enBR726BR726&biw=1366&bih=637&tbm=isch&sa=1 &q=diagrama+elet rov%C3%A 1 lvulas&oq=diagrama+eletrov%C3%A 1 lvulas&gs - - acessado em 09/2017
Assinale a proposição CORRETA quanto ao funcionamento dos circuitos
Provas
De acordo com Norma Regulamentadora 24 - Condições Sanitárias e de Conforto nos Locais de Trabalho (NR24), as empresas devem garantir, nos locais de trabalho, suprimento de água potável e fresca em quantidade superior a por hora/homem trabalho.
Assinale a alternativa que CORRETAMENTE preenche a lacuna do texto acima.
Provas
Em relação aos aspectos da textualização da redação técnica oficial (MENDES; FOSTER JÚNIOR, 2002), marque (V) para as afirmativas verdadeiras e (F), para as falsas.
MENDES, G. F; FOSTER JÚNIOR, N. J. Manual de redação da Presidência da República. 2. ed. rev. e atual. - Brasília: Presidência da República, 2002.
( ) A redação oficial deve ser isenta da interferência da individualidade que a elabora.
( ) A formalidade diz respeito à polidez, à civilidade no próprio enfoque dado ao assunto do qual cuida a comunicação.
( ) Na comunicação dirigida a um reitor/uma reitora de uma universidade, deve-se empregar o pronome de tratamento "Vossa Excelência" e o vocativo "Magnífico Reitor'' ou "Magnifica Reitora".
( ) São partes do documento no Padrão Ofício: a) tipo e número do expediente; b) local e data; c) assunto; d) destinatório; e) texto; f) fecho; g) assinatura do autor; h) identificação do signatário.
( ) A forma de diagramação do Padrão Ofício devem obedecer à seguinte forma de apresentação: a) deve ser utilizada fonte do tipo Times New Roman de corpo 12 no texto em geral, 11 nas citações, e 10 nas notas de rodapé.
( ) O campo destinado à margem lateral esquerda terá, no mínimo, 2,0 cm de largura e o campo destinado à margem lateral direita terá 1,5 cm.
Assinale a alternativa que contém a sequência CORRETA de cima para baixo.
Provas
Caderno Container




