Foram encontradas 40 questões.
O Decreto nº 7.566, de 23 de setembro, no ano de cria escolas de Aprendizes Artífices no Brasil, para o ensino profissional primário e gratuito, no governo .
Assinale a alternativa que CORRETAMENTE preenche as lacunas do texto acima, respectivamente.
Provas
Na utilização do centro de usinagem, uma das chaves seletoras do comando CNC, possui a seguinte descrição: MDI. Esta função no comando da máquina operatriz serve para:
Provas
Na linguagem de máquina utilizada na programação CNC, a função G 54 tem a finalidade de referenciar:
Provas
Assinale a alternativa em que a organização do texto e o emprego dos pronomes oblíquos estão CORRETOS de acordo com o estilo formal da língua:
Provas
Em relação ao emprego adequado da grafia de acordo com o atual acordo ortográfico:
I. De acordo com a estruturação do IFSC, cada campus é dirigido por um diretor geral.
II. No IFSC, é comum haver cooperação entre os diferentes campi para a realização de projetos interinstitucionais.
III. Em uma instituição democrática, é importante que as decisões sejam tomadas em conjunto por meio de assembléias, as quais são marcadas antecipadamente.
IV. O IFSC, com base no projeto de verticalização da educação, tem lançado diversos cursos de pós-graduação.
Assinale a alternativa que apresenta somente as afirmativas CORRETAS
Provas
O processo de modernização nas indústrias propiciando a maximização de produção, diminuição de paradas por quebras, otimização de estoques para recursos de manutenção e garantia de qualidade na produção, proporcionou uma crescente evolução dos procedimentos de manutenção e seus respectivos estudos. Assim surgiram tipos de manutenção que objetivam ações de manutenção em diferentes tipos de momentos da vida útil do equipamento. Relacione os tipos de manutenção a ações de manutenção em diferentes equipamentos inseridos nos processos produtivos e assinale a alternativa que contém a ordem CORRETA de associação, de cima para baixo:
(1) Manutenção corretiva
(2) Manutenção preventiva
(3) Manutenção preditiva
(4) Manutenção produtiva total
( ) Troca do óleo da bomba hidráulica de uma injetora que teve a indicação de troca por horas de uso conforme indicação do fabricante do fluido e o apontamento por horímetro da máquina.
( ) Análise do aumento de aquecimento dos condutores de um quadro de sub estação transformadora de tensão indicada pelo apontamento de leituras periódicas por termômetro laser dos contatos e gráfico de acompanhamento.
( ) Lubrificação nos pontos do carro transversal dos tornos mecânicos realizada pelo operador ao fim de cada lote de produção de buchas de ferro fundido juntamente com limpeza e verificação das avarias e irregularidades do equipamento.
( ) Medição do nível de vibrações do mancai de apoio do acoplamento da bomba hidráulica da estação elevatória da companhia de abastecimento de água realizada semanalmente pelo técnico conforme indicado nos procedimentos de manutenção da estação e coleta das informações para comparação.
( ) Troca dos rolamentos do motor elétrico por indução após a leitura periódica do nível de vibração com acelerômetros juntamente acompanhamento do aumento da corrente nominal do motor indicando a parada do equipamento para manutenção.
( ) Troca do visor de nível de óleo do cárter do torno mecânico por rachadura e vazamento do fluido apontado pelo operador do equipamento.
Provas
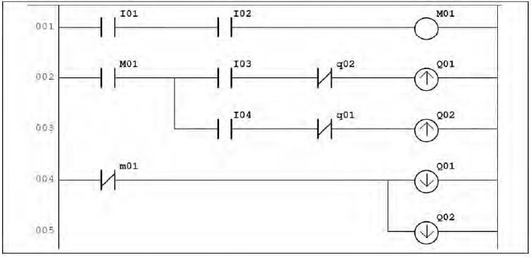
Dado o programa de CLP abaixo, desenvolvido no método LADDER; Considerando que "I" são entradas, "Q" são saídas, "M" são marcadores internos do CLP, "!$ ↑ !$" é o comando SET, "!$ ↓ !$" é o comando RESET; Considerando que as letras minúsculas representam as mesmas entradas, saídas e/ou marcadores com sinal barrado, e; Considerando que elementos físicos de desligamento (botoeiras desliga, chaves de emergência e relés de proteção) devem ser do tipo NF e, elementos físicos de ligamento (botoeiras e chaves de acionamento) devem ser do tipo NA; Assinale a alternativa CORRETA:

Provas
De acordo com o previsto na Lei nº 8.112 de 1990 - que dispõe sobre o regime jurídico único dos servidores públicos civis da União, das autarquias e das fundações públicas federais - sobre a jornada de trabalho dos servidores é CORRETO afirmar:
Provas
Analisando a indicação da medida no instrumento de medição abaixo, assinale a alternativa CORRETA:

www.google.eom.br/search?q=micrometro&rlz=1 C1 PRFI enBR726BR726&source=lnms&tbm=isch&sa=X&ved=0ahUKEw jVt4HHpMnWAhXBC5AKHTOrAU4Q AUICiqB&biw=1366&bih=637#imgrc=HS7ztn-ZixwbHM: - acessado em 09/2017
Provas
Na Lei nº 11.892 de 2008, no §2° do Artigo 2° está expresso:
"§ 2º No âmbito de sua atuação, os Institutos Federais exercerão o papel de instituições acreditadoras e certificadoras de competências profissionais."
Acreditação e certificação, referem-se respectivamente a:
Provas
Caderno Container