Foram encontradas 213 questões.
De acordo com o Decreto 5840/06, pensar a construção de cursos PROEJA (Programa Nacional de Integração da Educação Profissional com a Educação Básica na Modalidade de Educação de Jovens e Adultos), demanda (re)construir alguns pressupostos específicos para esta modalidade de educação. Das alternativas abaixo, quais seriam, segundo o Decreto, pressupostos relevantes para a profissionalização de jovens e adultos?
I. Desenvolver um currículo que integre os três campos: educação básica, educação profissional e educação de jovens e adultos;
II. Capacitação e preparação dos professores e profissionais da instituição para atuação nessa modalidade de ensino;
III. Ênfase nas concepções tradicionais de ensino, privilegiando a educação profissional, preparando os sujeitos para o mercado de trabalho;
IV. Gestão diferenciada dos tempos/flexibilização, repensando a organização do tempo e espaço para proporcionar maior inclusão e permanência dos alunos no PROEJA;
V. Construção dos cursos PROEJA com base nas exigências do mercado, desenvolvendo as competências necessárias a sua inclusão e competitividade no mercado de trabalho e, na medida do possível, proporcionar acesso a conhecimentos gerais.
VI. Considerar os sujeitos do PROEJA e suas trajetórias para construção e enriquecimento do trabalho pedagógico, concebendo a educação como um ato político.
Estão CORRETAS apenas as alternativas:
Provas
- Protocolos e ServiçosInternet e EmailIMAP: Internet Message Access Protocol
- Protocolos e ServiçosInternet e EmailPOP3: Post Office Protocol 3
- Protocolos e ServiçosInternet e EmailSMTP: Simple Mail Transfer Protocol
Identifique abaixo a alternativa INCORRETA com relação a correio eletrônico:
Provas
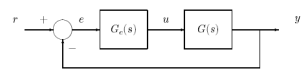
Considere o processo em malha fechada configurado conforme abaixo:

onde r representa o sinal de referência, e representa o sinal de erro, u representa o sinal de controle e y, a saída do sistema. G(s) e Gc(s) são as funções de transferência do processo a ser controlado e do controlador, respectivamente. Avalie as afirmações a seguir:
I) Para obter o controle proporcional-integral-derivativo PID pelo método heurístico de Ziegler-Nichols, é necessário obter a curva de reação da planta G(s) ao degrau e extrair os parâmetros do controlador a partir de uma tabela com base na curva obtida.
II) Se o sistema for controlado apenas com ganho proporcional Gc(s)=Kp, ao aumentar este ganho, consegue-se reduzir o erro em regime permanente até eliminá-lo.
III) Para processos cuja saída y apresenta elevado sobressinal, ao inserir a ação derivativa, consegue-se resposta mais rápida, com menor pico. Mas esta ação de controle também pode aumentar o erro em regime.
IV) O controle integral garante erro nulo em regime, porém tende a introduzir sobressinal ao sistema, podendo levar à saturação da ação de controle.
V) A função de transferência do sistema em malha fechada é dada por:
!$ M(s)= \dfrac {G_c (s) G(S)}{l+G_c (s) g(s)} !$
Sobre as afirmações acima se pode dizer que:
Provas
Quanto ao controle de qualidade de estampas têxteis considere as seguintes afirmativas:
I. Os ensaios de resistência à tração são fundamentais.
II. Ensaios de fricção a úmido são importantes na durabilidade das estampas.
III. A solidez à lavagem é essencial.
IV. A titulação dos fios do substrato deve ser realizada em todas as estampas.
Assinale a alternativa CORRETA:
Provas
A organização da administração pública do Brasil divide-se em direta e indireta, sendo que a Administração Direta é constituída por:
Provas
- Linguagens e Suportes MidiáticosProdução AudiovisualTeorias, Conceitos e Terminologia de Audiovisual e Cinema
Considere as afirmações sobre a representação digital de imagens e a codificação de transparência:
I. Nos sistemas de 24 bits, quando usamos 32 bits para a codificação de cores, sobra um Canal Alfa de 8 (oito) bits que permite especificar 256 gradações de transparência.
II. Nos sistemas de 16 bits, cada cor primária é codificada usando 3 (três) bits, e um bit permite determinar se o pixel é transparente ou opaco.
III. O formato PNG permite usar um Canal Alfa para representar múltiplos níveis de transparência.
Sobre as afirmações acima se pode dizer que:
Provas
O Windows XP possui variáveis de ambiente que são muito úteis na criação de scripts, principalmente de logon de rede. A esse respeito, considere as afirmações abaixo:
I. A variável %DATE% apresenta a data atual.
II. A variável %APPDATA% apresenta a localização onde os aplicativos armazenam dados por padrão.
III. A variável %SYSTEMROOT% apresenta a unidade que contém o diretório raiz do Windows.
IV. As variáveis %TEMP% e %TMP% apresentam as pastas temporárias padrão usadas pelos aplicativos disponíveis aos usuários que estiverem conectados no momento.
V. A variável %OS% Apresenta o nome do sistema operacional.
Considerando as afirmações acima pode-se dizer que:
Provas
A proibição da língua brasileira
MATÉRIA PUBLICADA na Ilustrada de 18 de junho dava conta de que uma nota da Anatel, de agosto de 2002, sobre um programa radiofônico da FM Educativa, de Campo Grande (MS), transmitido na língua nheengatu, levantava a questão da sua legalidade em face de uma lei de 1963 que proíbe veiculações radiofônicas em língua estrangeira. A dúvida da Anatel põe em questão a legalidade da língua ainda falada por brasileiros de várias regiões do país e em suas variantes residuais ainda falada por milhões de brasileiros, especialmente crianças e iletrados, que só aparentemente falam o português oficial dos decretos.
O nheengatu, também conhecido como “língua geral”, a língua que se quer proibir, é a verdadeira língua nacional brasileira. O nheengatu foi desenvolvido pelos jesuítas nos séculos 16 e 17, com base no vocabulário e na pronúncia tupi, que era a língua das tribos da costa, tendo como referência a gramática da língua portuguesa, enriquecida com palavras portuguesas e espanholas. A língua geral foi usada correntemente pelos brasileiros de origem ibérica, como língua de conversação cotidiana, até o século 18, quando foi proibida pelo rei de Portugal. Mesmo assim continuou sendo falada.
Da língua geral ficou como remanescente o dialeto caipira, tema de dicionário e objeto de estudos lingüísticos até recentes. Sobraram pronúncias da língua tupi, reduções e adaptações da língua portuguesa. Um jesuíta, no século 16, já observara que os índios da costa tinham grande dificuldade para pronunciar letras como o “l” e o “r”. Especialmente na finalização de palavras como “quintal” e “animal”; ou verbos como “falar”, “dizer” e “fugir”. Essas letras foram simplesmente suprimidas e as palavras transformadas em “quintá”, “animá”, “falá”, “dizê”, “fugi”
Dificuldades também havia para pronunciar as consoantes dobradas. Daí que, no dialeto caipira, “orelha” tenha se tomado “oreia” (uma consoante em vez de três; quatro vogais em vez de três), “coalho” seja “coaio”, “colher” tenha virado “cuié”, “os olhos” sejam “o zóio”... E no Nordeste ainda se ouve a suave “fulô” no lugar da menos suave “flor”. Uma abundância de vogais em detrimento das consoantes, até mesmo com a introdução de vogais onde não existiam. Exatamente o contrário da evolução da sonoridade da língua em Portugal, em que predominam os ásperos sons das consoantes. No Brasil, a língua portuguesa ficou mais doce e mais lenta, mais descansada, justamente pela enorme influência das sonoridades da língua geral, o nheengatu.
“Somos um povo bilíngüe, e o reconhecimento desse bilingüismo seria fundamental no trabalho dos educadores.”
Nossa língua cotidiana está algo distanciada da língua portuguesa, que é a oficial e, num certo sentido, é uma língua importada. Não raro viajamos entre toponímicos tupis. Na cidade de São Paulo, transito regularmente entre o Butantã e Carapicuíba e o Embu, aonde levo meus alunos, periodicamente, para uma aula de rua. Ou os levo ao Museu Paulista, no Ipiranga, para outra aula, ou à Mooca, para observações etnográficas sobre uma festa italiana. Faço tudo isso dentro da língua tupi. Como posso ir do rio Guaíba à Paraíba ou ao Pará ou ao Piauí sem achar que estou falando uma língua estrangeira, que ela não é.
Em escolas rurais de povoados do Mato Grosso, do Pará e do Maranhão, observei um fato curioso. Uma vez que as crianças escrevem como falam, não é raro que acrescentem de preferência um “r” às palavras oxítonas, a letra usada como acento agudo: “ater”, em vez de “até”; “Joser”, em vez de “José”. Algo que tem sua curiosa legitimidade no modo como se escrevia oficialmente o português até meados do século 19, letras fazendo as vezes de acentos e sinais. A própria língua falada, no confronto com a escrita, oferece às crianças inteligentes a chave de adaptação de uma à outra: se elas dizem “falá” e vêem que a palavra escrita é “falar”, logo entendem que o “r” é aí acento, e não letra para ser pronunciada.
É comovente a reação dos jovens quando descobrem que são falantes do que resta de uma língua que já foi a língua do povo brasileiro e que conhecem um grande número de sons e palavras tupi. O que lhes dizem ser erro e ignorância é, na verdade, história social, valorosa sobrevivência da nossa verdadeira língua brasileira. Se não fosse assim, seria impossível rir daquela história de dois mineiros que resolveram temperar a prosa com café. E foram para a cozinha. Agua fervida, coador pronto, um pergunta para o outro: “Pó pô o pó?”. E o outro responde, firme: “Pó pô!”.
De fato, somos um povo bilíngüe, e o reconhecimento desse bilingüismo seria fundamental no trabalho dos educadores, em particular para enriquecer a compreensão da língua portuguesa, última flor do Lácio, inculta e bela, mais bela ainda porque invadida por esse outro lado da nossa identidade social, que teimamos em desconhecer.
José de Souza Martins, 64, é professor titular do Departamento de Sociologia da USP
Em torno de qual destes temas o texto se organiza mais fortemente?
Provas
Considere os seguintes enunciados:
(I) Deixar a criança sozinha no escuro... Você não tem mesmo coração!
(II) “Meu coração, não sei porquê, bate feliz quando te vê.”
(III)No coração da floresta, ainda vivem índios que jamais viram um branco.
É CORRETO afirmar sobre o sentido da palavra coração nesses três enunciados:
Provas
No processo de estamparia têxtil, várias técnicas podem ser utilizadas, entre estas podemos citar a estampagem por termotransferência, com corantes dispersos. Esta técnica de estamparia é aplicada somente em substratos de:
Provas
Caderno Container