Foram encontradas 472 questões.
Leia as características apresentadas a seguir sobre um determinado método de irrigação.
I. Apresentam as seguintes vantagens: dispensa a sistematização do terreno, proporcionando economia nos custos de instalações e utilização em diferentes topografias; permite uma flexibilidade na taxa de aplicação de água (precipitação), possibilitando adaptá-la à capacidade de infiltração característica de cada solo, ou à fase de desenvolvimento da cultura; possui boa uniformidade de distribuição de água no terreno, o que aumenta a eficiência de aplicação; reduzem-se os riscos da erosão, causada pela aplicação excessiva de água, com o projeto e manejo adequados; serve para aplicação de agroquímicos via água, permitindo tratamentos fitossanitários e também a prática da fertirrigação.
II. Apresentam as seguintes limitações: possui um alto custo de investimento e operacional; tem sua eficiência de aplicação afetada pela presença do vento; facilita a disseminação de patógenos, principalmente fungos; e pode causar compactação das camadas superficiais do solo ao longo do tempo.
De qual método de irrigação se trata?
Provas
Questão presente nas seguintes provas
Considere que, ao acessar uma unidade formatada com o sistema de arquivos NTFS, o administrador de um computador com o Windows 7 tem o acesso negado. Ao tentar modificar as permissões da unidade, o administrador também tem o acesso negado. Usualmente, a solução é fazer com que o administrador se aproprie da unidade e de todo o seu conteúdo, para depois modificar as permissões. O utilitário que o administrador pode utilizar para se apropriar da unidade é
Provas
Questão presente nas seguintes provas
É(são) vantagem(ns) da adoção de Sistemas de Gerenciamento de Bibliotecas:
Provas
Questão presente nas seguintes provas
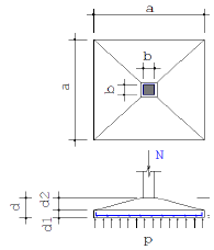
A sapata de base quadrada representada abaixo, considerada rígida, deve ser calculada para suportar uma carga centrada proveniente de um pilar de seção quadrada de lado b=20cm.

Considere que o peso próprio da sapata é 5% da carga que ela suporta. Se a carga no pilar é N=600kN, a pressão admissível do solo é p=0,2MPa, e a resistência do concreto é fck=200Kgf/cm2, as menores dimensões dessa sapata são:
Provas
Questão presente nas seguintes provas
No desenvolvimento da psicoterapia focal, o terapeuta busca trabalhar uma área previamente estabelecida e que é especial para o paciente, do ponto de vista da afetividade. Para tanto, utiliza-se de três recursos técnicos fundamentais para esse tipo de abordagem:
Provas
Questão presente nas seguintes provas
O processo de fabricação por fundição é usado para obter peças, muitas vezes em sua forma final, através do despejo do material fundido dentro de moldes, que são posteriormente “desenformados” após se solidificarem. Analise as proposições abaixo sobre o processo de fundição.
I. O aparecimento do fenômeno chamado “rechupe” na peça fundida é inevitável.
II. Obtenção de formas externas e internas desde a mais simples até a mais complexa.
III. Produção apenas de peças de pequeno porte.
IV. Capacidade de serem produzidas peças dentro de padrões variados de acabamento e tolerância dimensional.
V. Possibilidade de grande economia de peso, porque permite a obtenção de paredes com espessuras quase ilimitadas.
II. Obtenção de formas externas e internas desde a mais simples até a mais complexa.
III. Produção apenas de peças de pequeno porte.
IV. Capacidade de serem produzidas peças dentro de padrões variados de acabamento e tolerância dimensional.
V. Possibilidade de grande economia de peso, porque permite a obtenção de paredes com espessuras quase ilimitadas.
Estão corretas, apenas:
Provas
Questão presente nas seguintes provas
Um usuário está editando uma partitura usando a ferramenta Speedy Entry do programa de edição de partituras Finale. Para inserir corretamente a nota fá sustenido (semínima) na partitura, o usuário deverá seguir a seguinte sequência de passos:
Provas
Questão presente nas seguintes provas
Em uma fonte de tensão U, ligaram-se duas cargas de resistência R, primeiro em série e depois em paralelo. Portanto, é correto afirmar que a relação entre as correntes da 1ª e 2ª ligações será
Provas
Questão presente nas seguintes provas
O Código de Ética dos Jornalistas, em seu artigo 7º, afirma que o compromisso fundamental do jornalista é com a verdade dos fatos, e seu trabalho pauta-se pela precisa apuração dos acontecimentos e sua correta divulgação. Esse artigo consta em qual capítulo desse código?
Provas
Questão presente nas seguintes provas
A Constituição Federal definiu que “a educação, direito de todos e dever do Estado e da família, será promovida e incentivada com a colaboração da sociedade, visando ao pleno desenvolvimento da pessoa, seu preparo para o exercício da cidadania e sua qualificação para o trabalho” (Art. 205 da CF).
No cumprimento de seu dever constitucional, o Estado brasileiro garante uma Educação Básica obrigatória e gratuita
Provas
Questão presente nas seguintes provas
Cadernos
Caderno Container