Foram encontradas 780 questões.
Uma planta que gera potência produz vapor d’água a 900K e descarrega calor para um rio a 300K. A eficiência dessa planta é 60% do valor máximo teórico possível.
Assim, a eficiência da planta é de aproximadamente
Provas
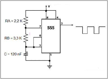
Observe o circuito a seguir.

Fonte: Arquivo Banca Elaboradora.
Considerando o circuito e seus respectivos valores, qual deverá ser a frequência apresentada em sua saída?
Provas
A qualidade da ação pública, sendo uma atividade organizacional, é pautada pela entrega de benefícios ao usuário cidadão, executados pelo funcionário público devidamente empossado e com suas responsabilidades em plena operação e articulação. Frente às suas atividades, descritas em seu cargo, um funcionário público possui limites operacionais compatíveis com tal descrição.
Sobre os deveres do administrador público, é correto afirmar que
Provas
A presença da(o) psicóloga(o) na área da saúde vem crescendo gradativamente ao longo dos anos. Apesar de haver uma abertura nas instituições de saúde para a inclusão da(o) psicóloga(o) nas equipes médicas, estas muitas vezes não sabem o que exigir da(o) psicóloga(o), na medida em que não têm objetivos claros e definidos ao atendimento voltado à saúde mental. A justificativa da inserção da Psicologia no ambiente hospitalar advém de um sofrimento psíquico, em decorrência de uma vivência de adoecimento ou trauma.
A técnica avaliativa que objetiva estabelecer um diagnóstico, colher dados importantes sobre o acontecido, compreender o paciente e realizar intervenções quando necessário é chamada corretamente de
Provas
As lesões inflamatórias que ocorrem nos tecidos peri-implantares são resultantes de infecções oportunistas e, se não diagnosticadas e tratadas corretamente, podem ter como desfecho a perda do implante.
A respeito das doenças peri-implantares, é incorreto afirmar que a/o
Provas
Na álgebra booleana, um conceito diz que o complemento de duas ou mais variáveis submetidas a uma operação AND é equivalente a uma operação OR entre os complementos das variáveis individuais é representado pela fórmula e nome respectivamente,
Provas
Dois dos sacramentos a seguir não precisam ser ministrados por sacerdotes.
Provas
- Outros NormativosLINDB: Lei de Introdução às Normas do Direito BrasileiroSegurança Jurídica e Eficiência na Criação e Aplicação do Direito Público (Art. 20 ao 30)
Na interpretação de normas sobre gestão pública, considerando o que dispõe a Lei de Introdução às normas do Direito Brasileiro, é correto afirmar que serão considerados(as)
Provas
Dentro da Mecânica dos Fluidos, uma das classificações fundamentais de um escoamento consiste em definir se ele é laminar ou turbulento. Para tanto, pode-se recorrer a um adimensional que, relacionando os efeitos das forças inerciais e viscosas, além da velocidade e dimensão características do escoamento, permite verificar se seu regime é laminar, turbulento ou encontra-se em uma transição entre esses dois estados.
Trata-se do número de
Provas
Os métodos são determinados pela relação objetivo-conteúdo e referem-se aos meios para alcançar objetivos gerais e específicos do ensino, ou seja, ao “como” do processo de ensino, englobando as ações a serem realizadas pelo professor e pelos alunos para atingirem os objetivos e conteúdos. Temos assim, as características dos métodos de ensino: estarão orientados para objetivos e implicam uma sucessão planejada e sistematizada de ações [...]. (LIBÂNEO, 1994.p.149).
Associe corretamente o método classificado por Libâneo ao seu respectivo procedimento didático.
MÉTODOS
(1) Expositivo
(2) Trabalho em grupo
(3) Elaboração conjunta
(4) Trabalho independente
PROCEDIMENTOS DIDÁTICOS
( ) Exemplificação.
( ) Conversação didática.
( ) Exercícios de assimilação de conteúdo.
( ) Grupo de verbalização – grupo de observação (GV-GO).
A sequência correta é
Provas
Caderno Container