Foram encontradas 720 questões.
Quimicamente, o gás bromo (Br2 ) pode reagir com gás hidrogênio (H2 ) sob aquecimento ou ação da luz, produzindo brometo de hidrogênio (HBr), cuja solução aquosa (ácido bromídrico) corresponde a um hidrácido muito forte.
Considere as equações termoquímicas a seguir.
NH3(g) + HBr(g) → NH4Br(s) H0 = –188,32 kJ
N2(g) + 3H2(g) → 2NH3 (g) H0 = –92,2 kJ
2NH4Br(s) → N2(g) + 4H2(g) + Br2(g) H0 = +541,66 kJ
Baseando-se nessas equações termoquímicas, é correto afirmar que o valor aproximado da entalpia de reação da síntese do gás brometo de hidrogênio é igual a:
Provas
Um composto orgânico apresenta as seguintes características:
- Cadeia ramificada, aberta e homogênea.
- Apenas um carbono quiral.
- Carbono insaturado.
A partir dessas informações, é correto afirmar que o composto que apresenta todas as características citadas é o:
Provas
Provas
Considere que um sólido apresenta, inicialmente, um teor de umidade de 85% na base seca. A umidade crítica é igual a 60% na base seca. Considere também que esse sólido foi exposto a uma corrente gasosa com uma umidade relativa igual a 0,52, e que sua umidade de equilíbrio para o gás nessas condições é de 40% na base úmida.
Tendo em vista todas as umidades do sólido na base seca, numere a COLUNA II de acordo com a COLUNA I.
COLUNA I
1. Umidade ligada do sólido (base seca)
2. Umidade livre do sólido (base seca)
3. Umidade não ligada do sólido (base seca)
4. Umidade de equilíbrio do sólido (base seca)
COLUNA II
( ) 67%
( ) 25%
( ) 60%
( ) 18%
Assinale a sequência CORRETA.
Provas
Provas
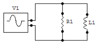
No circuito R1 = 10 KΩ e XL1 = 10 KΩ.

A impedância do circuito RL vista pela fonte de tensão é igual a:
Provas
Provas
Considere as afirmativas a seguir sobre o regime especial de previdência previsto na Constituição da República para os servidores titulares de cargos efetivos dos entes da Federação.
I. O regime especial de previdência abrange os titulares de cargos efetivos das autarquias e fundações dos entes da Federação.
II. A aposentadoria voluntária tem entre seus requisitos o cumprimento do tempo mínimo de 10 anos de efetivo exercício no serviço público e 5 anos no cargo efetivo em que se dê a aposentadoria.
III. A contagem de tempo de contribuição fictícia só pode ocorrer nos casos previstos em lei.
Está(ão) correta(s) a(s) afirmativa(s):
Provas
- Lei 9.784/1999: Processo AdministrativoDisposições Gerais, Direitos e Deveres (art. 1º ao art. 4º)
- Lei 9.784/1999: Processo AdministrativoCompetência (arts. 11 ao 17)
Provas
O Programa Nacional de Erradicação e Prevenção da Febre Aftosa (PNEFA) emprega as definições técnicas e científicas estabelecidas por órgãos e instituições internacionais dos quais o país é membro, em especial a Organização Mundial de Saúde Animal (OIE). Com relação às diretrizes gerais para a erradicação e a prevenção da febre aftosa no Brasil, assinale V para as afirmativas verdadeiras e F para as falsas.
( ) Considera-se animais susceptíveis os bovinos, bubalinos, ovinos, caprinos, suínos, ruminantes silvestres e outros nos quais a infecção foi demonstrada cientificamente.
( ) Considera-se doença vesicular infecciosa o conjunto de doenças transmissíveis caracterizadas, principalmente, por febre e pela síndrome de claudicação e sialorreia, decorrente de vesículas ou lesões vesiculares nas regiões da boca, focinho ou patas, podendo também ser encontradas na região do úbere.
( ) Quando ocorrer um caso suspeito de doença vesicular, deve-se realizar a notificação ao serviço veterinário oficial, indicando a possibilidade de existência de um ou mais animais apresentando sinais clínicos compatíveis com doença vesicular infecciosa.
( ) Considera-se caso confirmado de doença vesicular quando ocorrer a constatação pelo serviço veterinário oficial de animais apresentando sinais clínicos compatíveis com doença vesicular infecciosa, exigindo-se adoção imediata de medidas de biossegurança e de providências para o diagnóstico laboratorial, bem como o início do tratamento clínico dos animais.
Assinale a sequência CORRETA.
Provas
Caderno Container