Foram encontradas 40 questões.
INSTRUÇÃO: Leia o texto I, a seguir, para responder à questão.
Como os animais realmente enxergam o mundo
[...]
Os sons do silêncio
A história de Hans, um cavalo alemão, mostra bem a capacidade de observação e associação dos animais que criamos. No começo do século 20, ele se tornou celebridade por acertar equações matemáticas. O dono escrevia na lousa uma conta como 1/2 + 1/3 e pedia a resposta ao animal. Ele batia a pata cinco vezes no chão, esperava uns segundos e batia mais seis vezes. Ou seja: 5/6. O dono dizia ter treinado o animal por dez anos.
Pura malandragem do treinador. Por trás do “raciocínio lógico” doequino, o que havia era uma capacidade ímpar de observação. Ele conseguia perceber sinais sutis no rosto do dono, que o público não tinha como observar. E, assim, descobria quando deveria bater ou não as patas no chão. Ou seja: um cavalo pode ser um ótimo parceiro de truco.
Cães e gatos também. Eles reparam, associam e memorizam tudo. Cada gesto, cada barulho. Tudo serve de pista sobre o próximo passo do dono. Aquele tilintar de chaves sempre vem antes da despedida. O cheiro do perfume também precede a sua saída. Eles guardam e aprendem com esses sinais. Sabem quando você está prestes a ir embora – e demostram toda a tristeza que sentem nesses momentos…
É quase impossível escapar do radar dos cães e dos gatos. Os felinos escutam ainda melhor que os cães. E absurdamente mais do que você. Um som que passe dos 20 mil hertz (o extremo do agudo) fica inaudível para nós. Já os gatos ouvem até 60 mil hertz. Os cachorros chegam aos 45 mil hertz. Isso porque os dois evoluíram caçando roedores, então conseguem captar os sinais hiperagudos que os ratinhos emitem para se comunicar. Nem o som das vibrações corporais dos cupins passa batido pelos gatos. Até o som de lâmpadas fluorescentes (sim, elas fazem barulho), eles conseguem captar. Segundo a especialista em comportamento animal Temple Grandin, da Universidade do Colorado, se você estiver conversando no térreo, seu gato vai ouvir e reconhecer sua voz lá do décimo andar. Insano.
Eles ouvem sons naquilo que para nós é silêncio. [...]
CASTRO, Carol. Como os animais realmente enxergam o
mundo. Superinteressante. Disponível em:<http://migre.me/vUm5>
Analise as afirmativas a seguir.
I. Um cavalo não pode ser treinado para realizar operações matemáticas.
II. Cães e gatos identificam e retém sinais de pessoas ao seu redor.
III. A capacidade de Hans estava ligada ao seu poder de percepção.
De acordo com o texto, estão corretas as afirmativas:
Provas
INSTRUÇÃO: Leia o texto II, a seguir, para responder à questão.
2016 é considerado o ano mais quente da história
Cientistas da NASA e da NOAA, agência americana responsável por monitorar a atmosfera e os oceanos, divulgaram um levantamento que afirma que o ano de 2016 foi o ano mais quente de todos os tempos. Atemperatura ultrapassou em 0,94º C a média registrada para o século 20, determinada como marco zero para a avaliação da escala.
É o terceiro ano consecutivo em que as temperaturas anuais bateram o recorde do ano anterior. Os três anos passados estão entre os cinco anos mais quentes do século 21. Além de 2015 e 2014, o planeta ficou mais quente do que o normal em 2010 e 2005.
O ano de 2016 foi fortemente afetado pelo El Niño. O fenômeno atmosférico-oceânico é caracterizado por aquecer as águas do Oceano Pacífico Tropical e, em consequência, bagunçar o clima do planeta, aumentando suas temperaturas ao liberar grande quantidade de calor e vapor de ar quente na atmosfera, mas a principal causa, dizem os cientistas, é a contínua emissão de gás carbônico e outros gases responsáveis pelo efeito estufa no mundo.
VIANA, Júlio. 2016 é considerado o ano mais quente da história. Galileu. 19 jan. 2017. Disponível em: : <http://migre.me/vUg4W>. Acesso em: 20 jan. 2017 (Fragmento adaptado).
Provas
Analise as afirmativas a seguir sobre computação em nuvens.
I. Refere-se à possibilidade de acessar arquivos e executar diferentes tarefas pela internet.
II. Não precisa instalar programas no computador, pois é possível acessar diferentes serviços online.
III. Os dados se encontram em uma rede e não em um computador específico.
Estão corretas as afirmativas:
Provas
Provas
Analise as afirmativas a seguir sobre o Painel de Controle do Windows 10.
I. Reúne várias ferramentas administrativas para configuração do Windows 10.
II. Permite ao usuário adicionar ou remover impressoras.
III. Os aplicativos instalados pelo usuário não inserem ícones no Painel de Controle.
Estão corretas as afirmativas:
Provas
Observe a planilha a seguir do Excel 2010 com uma previsão de gasto para a compra de alguns produtos.

Analise as fórmulas a seguir que têm por objetivo somar todos os valores apresentados.
I. =SOMA(B2:B4*C2:C4)
II. =B2*C2+B3*C3+B4*C4
III. =SOMA(B2*C2;B3*C3;B4*C4)
Considerando esses dados, conclui-se que as fórmulas que calculam corretamente a previsão de gastos são:
Provas
Numere a COLUNA II de acordo com a COLUNA I, associando os mecanismos de segurança às suas principais características.
COLUNA I
1. Criptografia 2. Backup
3. Ferramentas antimalware
COLUNA II
( ) É uma cópia de segurança dos arquivos.
( ) Previne contra códigos maliciosos.
( ) Codifica a informação
Assinale a sequência CORRETA.
Provas
- UniãoExecutivoDecreto 1.171/1994: Código de Ética do Servidor Público Civil do Poder Executivo Federal
Provas

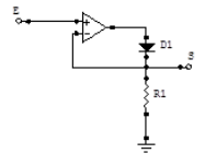
O sinal em R1 será:
Provas

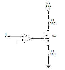
O valor da tensão VDS em Q1 é igual a:
Provas
Caderno Container