Foram encontradas 1.836 questões.
É objetivo do Psicodiagnóstico Tradicional:
Provas
O percentual de macronutriente energético (em relação ao Valor Energético Total – VET) que deve ser adotado no tratamento dietetico para desnutrição proteico- energética corresponde a:
Provas
Um paciente diagnosticado com insuficiência cardíaca crônica em uso regular de digoxina é admitido em serviço de emergência com um quadro de hipertensão. Um dos medicamentos administrados para reversão do quadro hipertensivo foi furosemida intravenosa que provocou um quadro de arritmia cardíaca grave, devido a sua capacidade de provocar:
Provas
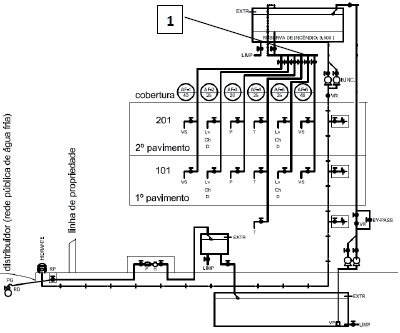
A figura abaixo apresenta o diagrama vertical da instalação de água fria de uma edificação.

Sobre essa instalação, responda à questão.
Sabendo-se que o consumo diário de água da edificação é de 17.500 litros e que as caixas d’água armazenam 5.000 litros mais a reserva de incêndio de 3.500 litros, a cisterna dessa edificação deve armazenar, no mínimo:
Provas
Disciplina: Direito Administrativo
Banca: CEPERJ
Orgão: Pref. Saquarema-RJ
É recomendável que todo orçamento seja composto pelas seguintes peças que serão autuadas no processo licitatório, exceto:
Provas
O total de pessoas participando em atividades turísticas, quantificado como o número de chegadas ou saídas de turistas, valor em dinheiro gasto ou outros dados estatísticos, recebe o nome de:
Provas
Tardiff, ao abordar os saberes docentes, afirma que os fundamentos da competência do professor se fundam:
Provas
A tafrogênese Toniana-Criogeniana foi um processo longo e diacrônico que afetou grande parte do território brasileiro, sendo responsável pela fragmentação do Supercontinente:
Provas
Disciplina: Direito Constitucional
Banca: CEPERJ
Orgão: Pref. Saquarema-RJ
A Constituição Federal, ao conferir competência tributária ao município para instituir o imposto de transmissão, exclui a possibilidade de incidência sobre:
Provas
QUEM RI DO QUÊ?
Uma das grandes contribuições da ciência linguística foi provar a existência de traços universais, presentes em todas as línguas humanas. E poderia ser diferente? Afinal, todos os humanos, apesar de diferenças externas, superficiais (cor da pele, formato dos olhos, textura do cabelo), são biologicamente uma única espécie, dotada das mesmas potencialidades cognitivas, já que o cérebro é o mesmo. Por isso, o grande Lévi-Strauss pôde elaborar uma antropologia que identificava o que há de comum, de similar e de universal nas culturas humanas, apesar das aparentes diferenças.
Com isso, aprendemos que as línguas passam pelas mesmas etapas em suas transformações. A mudança linguística é um processo sociocognitivo, isto é, ela se deve a fatores sociais (variação dialetal, contatos entre falantes de línguas diferentes etc.) e a processamentos mentais (analogia, reanálise, metáfora, metonímia, abdução etc.) e ocorre ininterruptamente. Só que ocorre, em cada língua, com ritmos diferentes.
Para o senso comum, porém, herdeiro de uma visão arcaica e pré- científica de linguagem, surgida no mundo grego no século III a.C., a mudança linguística representa a “corrupção” e a “degradação” da língua, sempre identificada exclusivamente com a língua escrita dos grandes escritores, como se não existisse a língua falada e como se a escrita não se manifestasse também em outros tipos e gêneros textuais.
Essa ideologia preconceituosa impede que as pessoas (inclusive profissionais da linguagem, professores de línguas e, algumas vezes, até linguistas!) percebam fenômenos interessantíssimos que servem (ou deveriam servir) de base para muitas deduções importantes sobre o funcionamento das línguas. A cegueira (e a surdez) linguística se enraizou profundamente na cultura ocidental e os cento e poucos anos de vida de uma verdadeira ciência da linguagem ainda não foram suficientes para abrir as mentes, os ouvidos e os olhos da maioria das pessoas sobre o assunto.
Os brasileiros vão estudar inglês e aprendem que nessa língua a morfologia verbal é simplíssima. No presente, a única forma diferente das outras é a da 3a pessoa do singular, que ganha um -s (he lives), enquanto as outras permanecem idênticas (I, you, we, they live). No passado, tudo fica exatamente igual (I, you, he, she, it, we, you they lived). Ninguém se assusta com isso, ninguém ri disso, e muitos até acham bom que seja assim, porque é mais fácil de aprender do que nas línguas (como o português, o alemão etc.) que têm uma morfologia verbal bem mais diversificada.
Qual é a reação, porém, desses mesmos brasileiros quando topam com algo do tipo eu morava, tu morava, ele morava, nós morava, vocês morava, eles morava? O riso, o deboche ou, no melhor dos casos, a compaixão pelos “infelizes caipiras” que “não sabem falar direito”, como se fossem menos inteligentes ou até menos humanos que os demais falantes. Ora, do ponto de vista exclusivamente estrutural, não há nada de melhor em I / you/ he / she / it/ we / you / they lived nem nada de pior em eu / tu / você / ele / ela / nós / a gente / vocês / eles / elas morava… O fenômeno linguístico é o mesmo, a recepção sociocultural do fenômeno — e só ela — é que é diferente. E é aí que a porca torce o rabo!
Marcos Bagno (Revista Caros Amigos)
No segundo parágrafo, o emprego dos parênteses tem o objetivo de:
Provas
Caderno Container