Foram encontradas 778 questões.
Disciplina: Engenharia Química
Banca: UFAL
Orgão: Pref. Palmeira Índios-AL
Dadas as afirmações com relação aos componentes do espectrofotômetro,
I. Possui uma fonte de luz branca.
II. Um exemplo de monocromador é o prisma.
III. Pode-se usar qualquer tipo de cubeta para que a leitura seja feita pelo aparelho.
IV. O fotodetector é um dispositivo que detecta luz e a converte em eletricidade.
verifica-se que está(ão) correta(s)
Provas
O acervo de uma instituição museal, de qualquer natureza conceitual, precisa
Provas
Disciplina: Direito Constitucional
Banca: UFAL
Orgão: Pref. Palmeira Índios-AL
Quanto aos direitos fundamentais, previstos no art. 5º, da Constituição Federal, assinale a opção falsa.
Provas
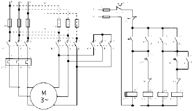
Disciplina: Engenharia Elétrica
Banca: UFAL
Orgão: Pref. Palmeira Índios-AL
A figura abaixo representa o circuito de uma chave de partidas de motores elétricos de Indução.

Esta chave denomina-se
Provas
Disciplina: Terapia Ocupacional
Banca: UFAL
Orgão: Pref. Palmeira Índios-AL
De um modo geral, pode-se dizer que a Reabilitação Psicossocial se caracteriza como um campo novo que vem enriquecendo-se com as inúmeras experiências que ocorrem não somente em outros países como também no Brasil. Tais experiências buscam refletir e aprofundar o debate acerca da necessidade de superação do modelo assistencial asilar (Cavalcanti, 2007). Podemos dizer que Reabilitação Psicossocial:
Provas
Disciplina: Direito da Criança e do Adolescente
Banca: UFAL
Orgão: Pref. Palmeira Índios-AL
O conselho Tutelar é órgão permanente e autônomo, não jurisdicional, encarregado pela sociedade de zelar pelo cumprimento dos direitos da criança e do adolescente. Sobre o Conselho Tutelar, é correto afirmar, exceto:
Provas
Disciplina: Legislação de Trânsito
Banca: UFAL
Orgão: Pref. Palmeira Índios-AL
O trânsito congestionado e confuso se torna mais um fator para aumentar a insegurança, e acidentes no dia a dia das grandes cidades. Que ação incorreta os agentes de trânsito estariam permitindo o motorista praticar quando em policiamento ostensivo nas vias?
Provas
As características do produto turístico se diferenciam das atividades de outros setores por ser, em geral, a prestação de um serviço. A partir do enunciado, aponte a opção que expressa as características essenciais das organizações do setor de serviços:
Provas
Disciplina: Terapia Ocupacional
Banca: UFAL
Orgão: Pref. Palmeira Índios-AL
Para a atuação do terapeuta ocupacional na rede de assistência em saúde mental é recomendável que (FONSECA in DRUMOND & REZENDE, 2008)
Provas
Disciplina: Terapia Ocupacional
Banca: UFAL
Orgão: Pref. Palmeira Índios-AL
Um dos primeiros trabalhos que descreve o desenvolvimento do brincar é o de PARTEN (1932). Ela descreveu a sequência do brincar considerando as relações que a criança estabelece brincando. São elas:
I. brincar desocupado, brincar solitário, brincar observador, brincar prático e simbólico, brincar autocósmico e microcósmico;
II. brincar desocupado, brincar solitário, brincar observador, brincar paralelo, brincar associativo e brincar cooperativo;
III. brincar autocósmico, brincar microcósmico (ou microsfera) e fase macrocósmica (ou macrosfera);
IV. fase da exploração, competência e realização. Juntos, os três estágios explicam como a criança desenvolve seus papéis através da exploração do meio ambiente.
Dos itens acima, verifica-se que
Provas
Caderno Container