Foram encontradas 710 questões.
A Caixa Econômica Federal é o agente operador do Programa Bolsa Família, mediante remuneração e condições pactuadas com a Secretaria Especial do Desenvolvimento Social, vinculada ao Ministério da Cidadania, obedecidas as exigências legais. Marque a alternativa correta relativo aos serviços prestados pela CEF no âmbito do Programa Bolsa Família conforme previsto no Art. 16 do Decreto nº 5.209 de 2004
Provas
Questão presente nas seguintes provas
A Base Nacional Comum Curricular para a Educação Infantil estabelece cinco campos de experiências nos quais as crianças dessa etapa podem aprender e se desenvolver. Em cada campo de experiências, são definidos objetivos de aprendizagem e desenvolvimento organizados em três grupos por faixa etária. Os grupos das crianças bem pequenas abrange as idades de:
Provas
Questão presente nas seguintes provas
O desenho abaixo, em corte, apresenta informações relacionadas à vigas (V) e aos pilares (P). Assinale a opção que corresponde a este tipo de projeto.

Provas
Questão presente nas seguintes provas
1741466
Ano: 2018
Disciplina: TI - Desenvolvimento de Sistemas
Banca: ACEP
Orgão: Pref. Aracati-CE
Disciplina: TI - Desenvolvimento de Sistemas
Banca: ACEP
Orgão: Pref. Aracati-CE
Provas:
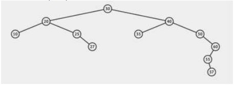
Considere a Árvore Binária de Busca (ABB) ilustrada abaixo:

Para que esta árvore se torne balanceada, a quantidade mínima de operações de rotação (para esquerda ou para a direita) necessárias é:
Provas
Questão presente nas seguintes provas
Tecnologia (Luís Fernando Veríssimo)
Para começar, ele nos olha na cara. Não é como a máquina de escrever, que a gente olha de cima, com superioridade.
Com ele, é olho no olho ou tela no olho. Ele nos desafia. Parece estar dizendo: vamos lá, seu desprezível préeletrônico, mostre o que você sabe fazer. A máquina de escrever faz tudo que você manda, mesmo que seja a tapa.
Com o computador é diferente. Você faz tudo que ele manda. Ou precisa fazer tudo ao modo dele, senão ele não aceita. Simplesmente ignora você. Mas se apenas ignorasse ainda seria suportável. Ele responde. Repreende. Corrige.
Uma tela vazia, muda, nenhuma reação aos nossos comandos digitais, tudo bem. Quer dizer, você se sente como aquele cara que cantou a secretária eletrônica. É um vexame privado. Mas quando você o manda fazer alguma coisa, mas manda errado, ele diz “Errado”. Não diz “Burro”, mas está implícito. É pior, muito pior. Às vezes, quando a gente erra, ele faz “bip”. Assim, para todo mundo ouvir. Comecei a usar o computador na redação do jornal e volta e meia errava. E lá vinha ele: “Bip!” “Olha aqui, pessoal: ele errou.” “O burro errou!”
Outra coisa: ele é mais inteligente que você. Sabe muito mais coisa e não tem nenhum pudor em dizer que sabe. Esse negócio de que qualquer máquina só é tão inteligente quanto quem a usa não vale com ele. Está subentendido, nas suas relações com o computador, que você jamais aproveitará metade das coisas que ele tem para oferecer. Que ele só desenvolverá todo o seu potencial quando outro igual a ele o estiver programando. A máquina de escrever podia ter recursos que você nunca usaria, mas não tinha a mesma empáfia, o mesmo ar de quem só aguentava os humanos por falta de coisa melhor, no momento. E a máquina, mesmo nos seus instantes de maior impaciência conosco, jamais faria “bip” em público.
Dito isto, é preciso dizer também que quem provou pela primeira vez suas letrinhas dificilmente voltará à máquina de escrever sem a sensação de que está desembarcando de uma Mercedes e voltando à carroça. Está certo, jamais teremos com ele a mesma confortável cumplicidade que tínhamos com a velha máquina. É outro tipo de relacionamento, mais formal e exigente. Mas é fascinante. Agora compreendo o entusiasmo de gente como Millôr Fernandes e Fernando Sabino, que dividem a sua vida profissional em antes dele e depois dele. Sinto falta do papel e da fiel Bic, sempre pronta a inserir entre uma linha e outra a palavra que faltou na hora, e que nele foi substituída por um botão, que, além de mais rápido, jamais nos sujará os dedos, mas acho que estou sucumbindo. Sei que nunca seremos íntimos, mesmo porque ele não ia querer se rebaixar a ser meu amigo, mas retiro tudo o que pensei sobre ele. Claro que você pode concluir que eu só estou querendo agradá-lo, precavidamente, mas juro que é sincero.
Quando saí da redação do jornal depois de usar o computador pela primeira vez, cheguei em casa e bati na minha máquina. Sabendo que ela aguentaria sem reclamar, como sempre, a pobrezinha.
Verissimo, Luís Fernando. Informe do Planeta Azul e outras histórias. 1ª ed.
São Paulo: Boa Companhia, 2018, p. 70
Marque a opção que apresenta a sequência de palavras que podem ser empregadas com o mesmo sentido das seguintes palavras, retiradas do texto: desprezível; vexame; empáfia.
Provas
Questão presente nas seguintes provas
1740274
Ano: 2018
Disciplina: Engenharia Ambiental e Sanitária
Banca: ACEP
Orgão: Pref. Aracati-CE
Disciplina: Engenharia Ambiental e Sanitária
Banca: ACEP
Orgão: Pref. Aracati-CE
Provas:
De forma geral existem fases de tratamento de efluentes domésticos. Qual o tratamento que tem como objetivo principal a remoção de sólidos grosseiros, areia e matéria oleosa?
Provas
Questão presente nas seguintes provas
- Transformadores e Máquinas ElétricasMáquinas EstáticasTransformadores Trifásicos e Autotransformadores
Um autotransformador trifásico !$ \sqrt{3} !$ . 110 kV / !$ \sqrt{3} !$ . 220 kV com ligação estrela-estrela é formado por três transformadores monofásicos com as seguintes especificações individuais: 100 kV / 120 kV e 150 MVA. A potência nominal do autotransformador trifásico é:
Provas
Questão presente nas seguintes provas
1732479
Ano: 2018
Disciplina: Agronomia (Engenharia Agronômica)
Banca: ACEP
Orgão: Pref. Aracati-CE
Disciplina: Agronomia (Engenharia Agronômica)
Banca: ACEP
Orgão: Pref. Aracati-CE
Provas:
Quais são as subdivisões da Silvicultura?
Provas
Questão presente nas seguintes provas
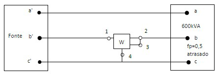
Uma carga trifásica equilibrada de 600 kVA e fator de potência fp=0,5 (60º) atrasado é alimentada por uma fonte conectada em estrela, com tensões trifásicas simétricas e em sequência positiva. A tensão eficaz de fase na saída da fonte é 4800 V. A impedância da linha entre a fonte e a carga é tão pequena que pode ser desprezada. Determine a leitura do wattímetro mostrado na figura abaixo.


Provas
Questão presente nas seguintes provas
O Produto Interno Bruto per capita corresponde à produção do país dividida pela:
Provas
Questão presente nas seguintes provas
Cadernos
Caderno Container