Foram encontradas 400 questões.
The alternative that presents a rhetorical question is
Provas
Questão presente nas seguintes provas
Em função da quantidade de gás combustível e de oxigênio, o maçarico pode fornecer diferentes tipos de chama. Para soldar aços-carbono em geral utiliza-se a chama
Provas
Questão presente nas seguintes provas
De que forma, em 1530, Lutero e o teólogo Felipe Melanchton escreveram a Confissão de Augsburgo, fundamentando a doutrina luterana?
Provas
Questão presente nas seguintes provas
O programa a seguir define em PHP:
<?php
$v = array(8,3,2,1,4,);
?>
Considere as seguintes afirmativas:
I. Para ordenar em ordem decrescente o vetor $v podemos utilizar a função rsort().
II. Para ordenar em ordem crescente o vetor $v podemos utilizar a função sort().
III. É impossível ordenar o vetor $v sem antes utilizar a função m _rand().
Marque a alternativa CORRETA:
Provas
Questão presente nas seguintes provas
O ensino da História da Arte é embasado por fundamentos teóricos definidos por alguns autores.
Associe adequadamente cada uma das inflexões descritas no bloco inferior ao respectivo autor, que definiu o que é História da Arte, que consta no bloco superior
1 – Mark Rothoko
2 – Rudolf Wittkower
3 – Helen Gardner
( ) A História da Arte é o registro de mudanças de estilos no tempo.
( ) A História da Arte é uma ciência. Ela tem princípios e técnicas definidos.
( ) A História da Arte é a história dos artistas, é a história de estilos, história de temas, de iconografias.
A sequência correta de preenchimento dos parênteses, de cima para baixo, é:
Provas
Questão presente nas seguintes provas
Um programa de educação de arte culturalmente diversificado se manterá vivo na arte-educação se pudermos introduzir e, então, dividir e misturar três níveis de textos visuais dentro de nossas salas de aula.
- O primeiro nível se refere aos textos canônicos da arte que devem ser lidos como um discurso desafiliatório, integrando e desconstruindo seus binarismos, de acordo com perspectivas alternativas.
- O segundo nível seria a inclusão de textos relevantes de tantas culturas quantas pedagogicamente forem necessárias, textos visuais e artefatos que tem significado especial para uma cultura.
- O terceiro nível trata da cultural popular de textos visuais da mídia (especialmente música, filme, vídeo, televisão, anúncio), que pode ser acessível tanto ao cânone histórico da arte, quanto ao texto relevante das culturas minoritárias dominantes.
O(A) autor(a), e suas respectivas idéias, desse programa de educação de arte culturalmente diverso, e que se sistematiza por níveis de textos visuais é:
Provas
Questão presente nas seguintes provas
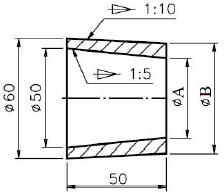
Analise o desenho técnico a seguir.

Quais são as dimensões resultantes para os diâmetros A e B respectivamente?
Provas
Questão presente nas seguintes provas
Observe o Mapa de Karnaugh abaixo:

A expressão booleana que com a menor quantidade de operações lógicas que pode ser extraída do mapa é
Provas
Questão presente nas seguintes provas
1543653
Ano: 2009
Disciplina: Direito Cultural, Desportivo e da Comunicação
Banca: IF-SUL
Orgão: IF-SUL
Disciplina: Direito Cultural, Desportivo e da Comunicação
Banca: IF-SUL
Orgão: IF-SUL
De acordo com dados de 2001 do IBGE, citados por Leonardo Brant na obra Mercado cultural, qual o tipo de equipamento cultural mais disseminado entre os municípios brasileiros?
Provas
Questão presente nas seguintes provas
Uma viga bi-apoiada está sujeita a um carregamento distribuído conforme figura a seguir. No ponto A, o carregamento é nulo e cresce linearmente até um valor máx q no ponto B. Nessa situação, a reação na direção vertical no apoio A vale

Provas
Questão presente nas seguintes provas
Cadernos
Caderno Container