Foram encontradas 520 questões.
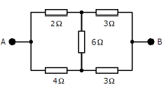
Observe o circuito ao lado.

A resistência elétrica entre os pontos A e B é
Provas
Questão presente nas seguintes provas
Analise a figura do circuito de refrigeração abaixo.

Considerando respectivamente:
- Válvula Normalmente Aberta = NA
- Válvula Normalmente Fechada = NF
Qual o funcionamento correto do sistema nos modos de refrigeração e de degelo por gás quente?
Provas
Questão presente nas seguintes provas
1319660
Ano: 2013
Disciplina: Literatura Brasileira e Estrangeira
Banca: IF-SUL
Orgão: IF-SUL
Disciplina: Literatura Brasileira e Estrangeira
Banca: IF-SUL
Orgão: IF-SUL
Provas:
Leia os textos a seguir.
Texto 1
Eu, etiqueta
[...]
Meu lenço, meu relógio, meu chaveiro,
Minha gravata e cinto e escova e pente,
Meu copo, minha xícara,
Minha toalha de banho e sabonete,
Meu isso, meu aquilo.
Desde a cabeça ao bico dos sapatos,
São mensagens,
Letras falantes,
Gritos visuais,
[...]
E fazem de mim homem-anúncio itinerante,
Escravo da matéria anunciada.
Estou, estou na moda.
É duro andar na moda, ainda que a moda
Seja negar minha identidade,
Trocá-lo por mil, açambarcando
Todas as marcas registradas,
Todos os logotipos do mercado. [...]
Meu lenço, meu relógio, meu chaveiro,
Minha gravata e cinto e escova e pente,
Meu copo, minha xícara,
Minha toalha de banho e sabonete,
Meu isso, meu aquilo.
Desde a cabeça ao bico dos sapatos,
São mensagens,
Letras falantes,
Gritos visuais,
[...]
E fazem de mim homem-anúncio itinerante,
Escravo da matéria anunciada.
Estou, estou na moda.
É duro andar na moda, ainda que a moda
Seja negar minha identidade,
Trocá-lo por mil, açambarcando
Todas as marcas registradas,
Todos os logotipos do mercado. [...]
Carlos Drummond de Andrade
Texto 2

(Décio Pignatari)
Fonte: Disponível em: http://lounge.obviousmag.org/armazen/2013/02/upps-poesia-poetas-e-publicidade.html Acesso em: 10 set. 2013
Sobre os poemas acima, é INCORRETO afirmar que,
Provas
Questão presente nas seguintes provas
Um motor monofásico de 2 hp (considerando 1 hp = 746 W) e 220 V, opera com eficiência de 75%. Se a tensão aplicada ao motor é 220 V, a potência e a corrente na entrada são, respectivamente:
Provas
Questão presente nas seguintes provas
1319638
Ano: 2013
Disciplina: Literatura Brasileira e Estrangeira
Banca: IF-SUL
Orgão: IF-SUL
Disciplina: Literatura Brasileira e Estrangeira
Banca: IF-SUL
Orgão: IF-SUL
Provas:
Com relação ao verso de Manoel de Barros,
O poema é antes de tudo um inutensílio.
analise as proposições abaixo, assinalando (V), para as verdadeiras, e (F), para as falsas.
( ) Trabalha expressivamente a linguagem através de neologismo, aproximando-o da poesia de João Cabral de Melo Neto.
( ) Conceitua a poesia – noção abstrata – por meio de elementos concretos: poema e utensílio (acrescido do prefixo “in”).
( ) Evoca a definição kantiana de que a obra de arte tem uma finalidade sem fim.
A sequência correta, de cima para baixo, é
Provas
Questão presente nas seguintes provas
Numa academia de dança, quatro bailarinas ensaiam para um espetáculo cuja data está próxima. Para que possam acompanhar os próprios movimentos, elas ensaiam em um estúdio onde duas paredes planas ortogonais são espelhadas. Ao serem fotografadas, verfica-se que, além das próprias bailarinas, todas as imagens fornecidas pelos espelhos também são registradas.
O número de bailarinas registrado na fotografia é
Provas
Questão presente nas seguintes provas
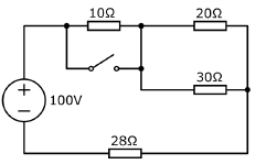
Observe o circuito ao lado.

As correntes fornecidas pela fonte quando a chave está aberta e quando a chave está fechada, são respectivamente:
Provas
Questão presente nas seguintes provas
Um professor registrou as notas dos seus 63 (sessenta e três) alunos. Destes, onze obtiveram média 9; vinte e dois obtiveram média 7; quatorze obtiveram média 5; sete obtiveram média 4; sete obtiveram média 2 e dois deles obtiveram média igual a 1.
Analise os itens abaixo:
I. Ao adicionar quinze alunos na turma, com as seguintes notas: 9, 9, 9, 7, 7, 7, 5, 5, 5, 4, 4, 2, 1, 1 e 1, a mediana permaneceria inalterada.
II. O rol de sessenta e três alunos é bimodal.
III. Se todos os estudantes fossem contemplados com um bônus de 1,0 na sua média final, a média da classe também aumentaria em 1,0.
Está(ão) correta(s) apenas a(s) afirmativa(s)
Provas
Questão presente nas seguintes provas
Os ensaios experimentais de Nusselt em relação à condensação em superfícies externas, em trocadores de calor Shell and Tube horizontais, comprovam que o coeficiente de transferência de calor
Provas
Questão presente nas seguintes provas
Não é necessário que a água existente no manancial apresente, em estado bruto, o padrão de qualidade exigido para fins de abastecimento público. Há várias maneiras de alterar suas características para torná-la compatível com as exigências do consumidor e da saúde pública.
O que NÃO representa um processo de tratamento de água é
Provas
Questão presente nas seguintes provas
Cadernos
Caderno Container