Foram encontradas 520 questões.
Levando em consideração as seguintes tabelas:
Tabela controle
| idControle | Quantidade | idCategoria |
| 1 | 15 | 1 |
| 2 | 35 | 2 |
| 3 | 20 | 3 |
| 4 | 40 | 3 |
| 5 | 10 | 2 |
| 6 | 10 | 1 |
Tabela categoria
| idCategoria | Descrição |
| 1 | A |
| 2 | B |
| 3 | C |
| 4 |
D
|
| 5 | E |
Considerando que o atributo controle.idCategoria é uma chave estrangeira que referencia categoria.idCategoria.
Para obter o seguinte resultado:
| Categoria | Quantidade |
| B | 45 |
| C | 60 |
Qual o comando SQL executado sobre as tabelas controle e categoria?
Provas
Questão presente nas seguintes provas
Um calorímetro, de massa 1,50 kg e capacidade térmica de 12,0 cal/°C, contém 200 g de gelo a 0°C. Afim de que a temperatura do sistema atinja 50,0°C, introduz-se vapor de água a 100°C.
Considere os seguintes dados:
Calor específico do gelo = 0,5 cal/g.°C;
Calor específico da água = 1,0 cal/g.°C;
Calor específico do vapor = 0,5 cal/g.°C;
Calor latente de fusão do gelo = 80 cal/g;
Calor latente de vaporização da água = 540 cal/g.
Calor específico da água = 1,0 cal/g.°C;
Calor específico do vapor = 0,5 cal/g.°C;
Calor latente de fusão do gelo = 80 cal/g;
Calor latente de vaporização da água = 540 cal/g.
A partir desses dados, afirma-se que a massa de água no equilíbrio térmico é de aproximadamente
Provas
Questão presente nas seguintes provas
As leis dos ventiladores são constituídas de um grupo de correlações que permitem avaliar os efeitos das condições do ar, da rotação e das dimensões do ventilador sobre o seu desempenho. Para um sistema constante, em que as dimensões do ventilador, dutos e conexões não variam, e considerando a densidade do ar constante, afirma-se que:
I. A rotação permanece constante.
II. A pressão permanece constante.
III. A pressão é diretamente proporcional ao quadrado da rotação.
IV. A vazão é diretamente proporcional à rotação.
V. A potência é diretamente proporcional ao cubo da rotação.
Estão corretas apenas as afirmativas
Provas
Questão presente nas seguintes provas
Qual será a capacidade expressa em TR (Tonelada de Refrigeração) em um sistema de refrigeração que opere com o fluido refrigerante R-717 e com potência frigorífica de 100 kW?
Provas
Questão presente nas seguintes provas
Seja T uma matriz de transformação linear de modo que T(!$ \begin{bmatrix} 2 & 1 \\ 8 & 9 \end{bmatrix} !$) !$ = \begin{bmatrix} 26 & 28 \\ 12 & 11 \end{bmatrix} !$.
Qual o determinante de T?
Provas
Questão presente nas seguintes provas
Em um ciclo teórico de refrigeração, o fluido refrigerante que circula pelo condensador sofre uma variação de entalpia que se caracteriza distintamente por dessuperaquecimento, condensação e subresfriamento.
Relativo a essas etapas, o que ocorre com o par termodinâmico “Pressão – Temperatura”?
Provas
Questão presente nas seguintes provas
Sejam f(x) = log4x e g(x) = -x² + 4x - 3, ambas definidas no domínio (0,4].
Quantos pontos há em comum nessas duas funções?
Provas
Questão presente nas seguintes provas
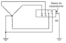
Considere as três configurações de aterramento abaixo.
I -

II -

III -

Sobre elas, é correto afirmar que o item
Provas
Questão presente nas seguintes provas
Analise as seguintes afirmativas em relação à segurança em redes de computadores:
I. Os firewall podem ser classificados em duas categorias: filtros de pacotes e filtros de estados.
II. Nos firewall do tipo filtros de pacotes, as decisões de filtragem são feitas em cada pacote isolado.
III. Os firewall do tipo filtro de estado rastreiam as conexões TCP e usam esse conhecimento para tomar decisões sobre filtragem.
Está(ão) correta(s) a(s) afirmativa(s)
Provas
Questão presente nas seguintes provas
Em redes locais, a forma na qual os computadores são distribuídos deve levar em conta características como: custo, confiabilidade e taxas de transmissão. Dessa forma, algumas topologias devem ser analisadas de maneira a viabilizar o seu uso.
De acordo com essas informações, qual das topologias abaixo podemos definir como capaz de transmitir dados em qualquer direção, além de estarem conectadas através de um caminho fechado?
Provas
Questão presente nas seguintes provas
Cadernos
Caderno Container