Foram encontradas 520 questões.
A NBR 5410 prescreve a proteção contra choques elétricos (contatos indiretos) por seccionamento automático da alimentação. Portanto, devem ser providos de proteção por dispositivo diferencial residual (DR ≥30mA)
I. os circuitos de tomadas de corrente de cozinha, copa-cozinha, lavanderias e áreas de serviço.
II. os circuitos que sirvam a pontos situados em locais que contenham banheiras e chuveiros.
III. os circuitos de iluminação que contenham aparelhos de iluminação situados a uma altura inferior a 2,50m.
Estão corretas as afirmativas
Provas
Questão presente nas seguintes provas
Certa quantidade de gás ideal contida num recipiente fechado passa pelas transformações indicadas no diagrama, em escala linear, ao lado.

A partir deste diagrama, conclui-se que as temperaturas nos estados termodinâmicos indicados por 1, 2, 3 e 4, simbolizadas respectivamente por !$ T_1 !$, !$ T_2 !$, !$ T_3 !$ e !$ T_4 !$, estão relacionadas por:
Provas
Questão presente nas seguintes provas
Atualmente a World Wide Web (WWW ou rede mundial de computadores) comporta a conexão de vários dispositivos que estão conectados para diferentes finalidades. Estes dispositivos estão conectados usando diferentes padrões para comunicação ou visualização dos dados.
Dados os padrões a seguir, identifique quais são as suas definições:
I. URL (Uniform Resource Locator)
II. HTML (Hypertext Markup Language)
III. CGI (Common Gateway Interface)
IV. HTTP (HyperText Transfer Protocol)
( ) é um protocolo para acessar dados na Web. Permite a transferência de arquivos e usa serviços do TCP.
( ) é um padrão para especificação de qualquer tipo de informação na internet.
( ) é uma linguagem para a criação de páginas Web.
( ) permite que programadores utilizem qualquer uma das linguagens de programação existentes, como o C, C++. Geralmente utilizado em documentos dinâmicos.
A sequência que numera corretamente a segunda coluna, de cima pra baixo, é
Provas
Questão presente nas seguintes provas
A área da região limitada pelas curvas y + x² – 3 = 0 e y – x – 1 = 0 vale
Provas
Questão presente nas seguintes provas
Uma tomada de uma residência apresenta uma tensão senoidal com seu valor de pico a pico de 311 V.
Nesse caso, a tensão eficaz presente na tomada é de, aproximadamente
Provas
Questão presente nas seguintes provas
Observe a tabela-verdade abaixo:

Considerando A, B, C, D e E as entradas e S a saída, a expressão booleana simplificada com a menor quantidade de operações lógicas que satisfaz a tabela é
Provas
Questão presente nas seguintes provas
- Banco de Dados RelacionalNormalização1FN: Primeira Forma Normal
- Banco de Dados RelacionalNormalização2FN: Segunda Forma Normal
- Banco de Dados RelacionalNormalização3FN: Terceira Forma Normal
Quanto à normalização, analise as afirmações abaixo:
I. Normalização é o conjunto de operações que obrigatoriamente devem ser executadas antes da criação de um banco de dados relacional, tendo como objetivo a melhoria dos resultados das consultas efetuadas.
II. Uma relação está na segunda forma normal (2FN) se opcionalmente estiver na primeira forma normal (1FN) e todo o atributo não chave é irredutivelmente dependente da chave primária.
III. Uma relação está na terceira forma normal (3FN) se e somente se estiver na segunda forma normal (2FN) e todo o atributo não chave é dependente de forma não transitiva da chave primária.
Está(ão) correta(s) a(s) afirmativa(s)
Provas
Questão presente nas seguintes provas
Os switches que começam a encaminhar os quadros imediatamente após a chegada do endereço de destino contido em seu cabeçalho, isto é, antes mesmo do recebimento completo do quadro, são classificados como
Provas
Questão presente nas seguintes provas
Com relação aos tipos de fornecimento de energia, tem-se:
Trifásico – quatro condutores (três fases e o neutro).
Bifásico – três condutores (duas fases e o neutro).
Monofásico – dois condutores (uma fase e o neutro).
Qual relaciona (de cima para baixo) o tipo de fornecimento de energia com o tipo de consumidor, segundo o Regulamento de Instalações Consumidoras de Baixa Tensão (RIC-BT - CEEE)?
Provas
Questão presente nas seguintes provas
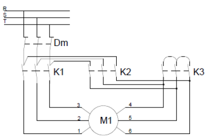
A respeito da partida de motores usando a chave estrela-triângulo, cujo diagrama de potência é apresentado na figura ao lado, considere as afirmativas a seguir.

I. No instante da partida do motor, somente as chaves contatoras K1 e K3 são energizadas.
II. Após chaveamento da ligação estrela para triângulo, somente as chaves contatoras K1 e K2 estarão energizadas.
III. No regime permanente de operação, somente as chaves contatoras K2 e K3 estarão energizadas.
Está (ão) correta (s) apenas a (s) afirmativa (s)
Provas
Questão presente nas seguintes provas
Cadernos
Caderno Container