Foram encontradas 1.600 questões.
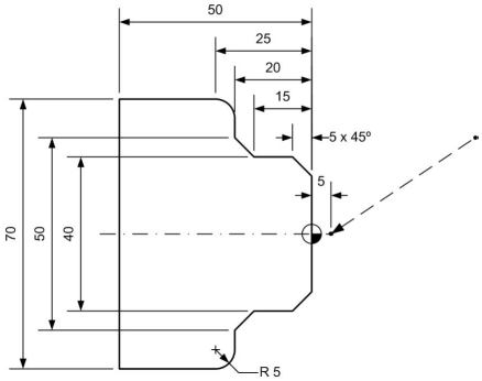
Analise o desenho abaixo.

Com base na análise, a alternativa de programação correta para a fabricação da peça por torneamento CNC, com base no comando MACH é
Provas
Questão presente nas seguintes provas
Qual das afirmativas está ERRADA?
Provas
Questão presente nas seguintes provas
O tipo de manutenção conhecida como Manutenção sob Condição ou Manutenção com Base no Estado do Equipamento é a manutenção
Provas
Questão presente nas seguintes provas
Um motor de indução trifásico de 220V; 60Hz; 5CV; 4 pólos é partido por uma chave direta, com fator de potência de 0,86 e o rendimento à potência nominal do motor de 90%. Considerando a corrente de partida de 6 (seis) vezes a nominal, a corrente drenada por cada fase da rede no momento da partida é de aproximadamente
Provas
Questão presente nas seguintes provas
Com base na CLT, afirma-se que:
I. O mandato dos membros eleitos da CIPA terá a duração de 1 (um) ano, permitida uma reeleição.
II. A empresa é obrigada a fornecer aos empregados, gratuitamente, equipamento de proteção individual adequado ao risco e em perfeito estado de conservação e funcionamento, sempre que as medidas de ordem geral não ofereçam completa proteção contra os riscos de acidentes e danos à saúde dos empregados.
III. Somente profissional qualificado poderá instalar, operar, inspecionar ou reparar instalações elétricas.
IV. Serão consideradas atividades ou operações insalubres aquelas que, por sua natureza, condições ou métodos de trabalho, exponham os empregados a agentes nocivos à saúde, acima dos limites de tolerância, fixados em razão da natureza e da intensidade do agente e do tempo de exposição aos seus efeitos.
V. O trabalho em condições de periculosidade assegura ao empregado um adicional de 30% (trinta por cento) sobre o salário, sem os acréscimos resultantes de gratificações, prêmios ou participações nos lucros da empresa.
Está(ão) correta(s) a(s) afirmativa(s)
Provas
Questão presente nas seguintes provas
A soja, uma leguminosa de grande valor nutricional, contém uma enzima que desenvolve um sabor desagradável no produto alimentício quando esta não é inativada corretamente. A determinação da sua atividade é importante porque se constitui um teste simples e rápido na avaliação da eficiência do processamento desta leguminosa, devido a que ela apresenta resistência térmica semelhante aos fatores antinutricionais presentes nos grãos de soja. De acordo com as características descritas no texto trata-se da enzima
Provas
Questão presente nas seguintes provas
1380990
Ano: 2010
Disciplina: TI - Organização e Arquitetura dos Computadores
Banca: IF-SUL
Orgão: IF-SUL
Disciplina: TI - Organização e Arquitetura dos Computadores
Banca: IF-SUL
Orgão: IF-SUL
Um gabinete para ser montado com duas unidades de leitor de DVD precisará de quantas baias no mínimo?
Provas
Questão presente nas seguintes provas
A energia interna de um gás ideal está relacionada exclusivamente com
Provas
Questão presente nas seguintes provas
Observe o circuito abaixo.

No monoestável com lógica de disparo acima, o disparo ocorre quando a entrada T recebe uma borda de subida. A tabela que apresenta todas as condições de disparo é
Provas
Questão presente nas seguintes provas
Quanto aos semicondutores de potência, é correto afirmar:
I. O tiristor de desligamento por porta (GTO) é uma chave semicondutora de potência que passa para o estado ligado com um sinal negativo na porta.
II. O triac é um diac com um terminal de porta adicionado para controlar a passagem ao estado ligado.
III. O IGBT tem três terminais: a porta, o coletor e o emissor.
IV. As sobretensões afetam o MOSFET ligado, uma vez que o dispositivo atua como um circuito aberto.
Estão corretas as afirmativas
Provas
Questão presente nas seguintes provas
Cadernos
Caderno Container