Foram encontradas 706 questões.
A imagem, a seguir, foi retirada do manual de treinamento da SolidWorks® Corporation. Apresenta algumas semelhanças e diferenças no trabalho com corpos sólidos e corpos com superfície. Com base na imagem, assinale a alternativa CORRETA.

Provas
- Transmissão de DadosMeios de TransmissãoCabeamento FìsicoMeio de Transmissão: Coaxial
- Transmissão de DadosMeios de TransmissãoCabeamento FìsicoMeio de Transmissão: Fibra Óptica
- Transmissão de DadosMeios de TransmissãoCabeamento FìsicoMeio de Transmissão: Par Trançado
Sobre os meios de transmissão em redes de computadores, numere corretamente a coluna da direita com a da esquerda.
| (1) Par trançado não-blindado | ( ) Formado por dois condutores dispostos axialmente, separados por um dielétrico e circundados por uma camada isolante. |
| (2) Cabo coaxial | ( ) Recomendado para ambientes com interferência nos quais o comprimento do cabo é inferior a 100 metros. |
| (3) Cabo de fibra ótica | ( ) Imune a interferências eletromagnéticas. |
| (4) Par trançado blindado | ( ) Apresenta o menor custo entre os meios físicos de transmissão. |
A ordem CORRETA de associação, de cima para baixo, é:
Provas
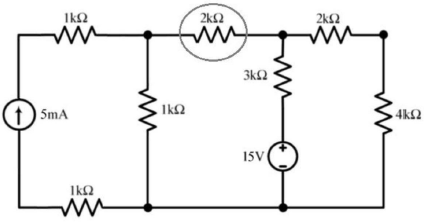
Considere o circuito e determine a corrente que atravessa o resistor circundado.

Provas
Com relação a conversão de unidades mais usuais em sistemas estruturais, marque (V) para as afirmativas verdadeiras e (F), para as falsas.
( ) 1kgf = 9,8N
( ) 1 Pa (Pascal) = 10 N/m2
( ) 1kN = 100kgf
( ) 1 MPa = 10 kgf/cm2
( ) 1 Mpa = 10 N/mm2
Assinale a alternativa que contém a sequência CORRETA de cima para baixo.
Provas
Assinale a alternativa correspondente à situação em que NÃO SE ESPERA que o trincamento induzido por hidrogênio ocorra.
Provas
Os edifícios que compõem os Câmpus dos Institutos Federais de Santa Catarina (IFSC) constituem edifícios públicos e de uso coletivo. Na construção, ampliação ou reforma de edifícios do IFSC alguns requisitos de acessibilidade deverão ser observados. De acordo com a Lei nº 10.098/2000, marque (V) para as afirmativas verdadeiras e (F), para as falsas.
( ) Pelo menos um dos acessos ao interior da edificação deverá estar livre de barreiras arquitetônicas e de obstáculos que impeçam ou dificultem a acessibilidade de pessoa portadora de deficiência ou com mobilidade reduzida.
( ) Os locais de conferências, aulas e outros de natureza similar deverão dispor de espaços reservados para pessoas que utilizam cadeira de rodas, e de lugares específicos para pessoas com deficiência auditiva e visual, inclusive acompanhante.
( ) Pelo menos um dos itinerários que comuniquem horizontal e verticalmente todas as dependências e serviços do edifício, entre si e com o exterior, deverá cumprir os requisitos de acessibilidade de que trata esta Lei.
( ) Os edifícios a serem construídos com mais de um pavimento além do pavimento de acesso, incluindo habitações unifamiliares, e que não estejam obrigados à instalação de elevador, deverão dispor de especificações técnicas e de projeto que facilitem a instalação de um elevador adaptado, devendo os demais elementos de uso comum destes edifícios atender aos requisitos de acessibilidade.
( ) Os edifícios deverão dispor, pelo menos, de dois banheiros acessíveis, distribuindo-se seus equipamentos e acessórios de maneira que possam ser utilizados por pessoa com deficiência ou com mobilidade reduzida.
( ) As disposições da Lei 10.098/2000 não se aplicam aos edifícios ou imóveis declarados bens de interesse cultural ou de valor histórico-artístico, a serem adaptados.
Assinale a alternativa que contém a sequência CORRETA de cima para baixo.
Provas
Considerando a classificação de um sistema de informação de acordo com o tipo de função realizada por ele, numere corretamente a coluna da direita de acordo com a coluna da esquerda.
| (1) Sistema de Processamento de Transações. | ( ) Editor de textos. |
| (2) Sistema de Automação de Escritório. | ( ) Ferramenta de desenho assistido pelo computador (CAD). |
| (3) Sistema de Trabalhadores do Conhecimento. | ( ) Sistema do caixa eletrônico de um banco. |
| (4) Sistema de Informações Gerenciais. | ( ) Sistema para análise de crédito de um banco. |
| (5) Sistema de Apoio a Decisão. | ( ) Sistema para emissão do relatório mensal de vendas. |
A ordem CORRETA de associação, de cima para baixo, é:
Provas
O dimensionamento de vigas metálicas é muito utilizado na engenharia para a definição de estruturas. Estas são utilizadas em diversos tipos de aplicações como pontes, edifícios, estruturas de movimentação de materiais, entre outras. Sobre este tema, pode-se afirmar que:
Provas
O quadro abaixo apresenta os diagramas esquemáticos do esforço cortante e momento fletor respectivo de cada uma das vigas.
| Viga | Esforço Cortante | Momento Fletor | |
| I | ![]() | ![]() |
|
| II | ![]() | ![]() |
|
| III |
| ![]() |
|
Assinale a alternativa que apresenta somente as afirmativas CORRETAS.
Provas
O Gráfico abaixo apresenta 5 curvas hipotéticas para expressar a relação entre a resistência à compressão das madeiras e o teor de umidade do material.

A relação entre esses dois aspectos é melhor representada pela curva:
Provas
Caderno Container








