Foram encontradas 706 questões.
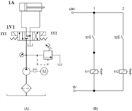
Interpretar circuitos, por meio de diagramas ou esquemas, é um dos principais requisitos exigidos para realização da manutenção em um sistema mecânico. Use o diagrama abaixo para responder à questão.
Analise atentamente as informações fornecidas e responda o que se pede.

Durante a manutenção do Circuito (B), verificou-se que há tensão elétrica nos pontos 1 e 2 do diagrama. Quando S1 é acionado, a bobina da válvula solenoide 1Y1 é energizada. No entanto, quando S2 é acionado, a bobina do solenoide S2 não é energizada.
Assinale a alternativa CORRETA quanto ao provável defeito no circuito.
Provas
Questão presente nas seguintes provas
A configuração da(s) mão(s) é a forma da(s) mão(s) presente no sinal na Língua Brasileira de Sinais. Na LIBRAS, há 64 configurações. Elas são feitas pela mão dominante ou pelas duas mãos dependendo do sinal. Que grupo de sinais é realizado com a configuração apresentada a seguir?

Figura: Felipe, 2001.
Provas
Questão presente nas seguintes provas
O TEXTO serve de base para responder a questão.
Subi a porta e fechei a escada
Tirei minhas orações e recitei meus sapatos.
Desliguei a cama e deitei-me na luz.
Tudo porque
ela me deu um beijo de boa-noite.
Tirei minhas orações e recitei meus sapatos.
Desliguei a cama e deitei-me na luz.
Tudo porque
ela me deu um beijo de boa-noite.
(AUTOR ANÔNIMO)
(MARCUSCHI, Luiz Antônio. IN: Apresentação do livro Lutar com Palavras: coesão e coerência, de Irandé Antunes, 2005 p.14)
Assinale o item em que se constata uma interpretação coerente em relação ao TEXTO.
Provas
Questão presente nas seguintes provas
Nos termos da Lei 8.112/90 e suas alterações posteriores, constituem indenizações ao servidor:
I. ajuda de custo.
II. diárias.
III. transporte.
IV. auxílio-moradia.
V. auxilio-natalidade.
Está (ao) CORRETA(s)
Provas
Questão presente nas seguintes provas
Um motor de 1024 rpm (rotações por minuto) é controlado por um conversor D/A de 6 bits.
Marque a alternativa que indica a velocidade do motor quando a entrada digital é 100101.
Provas
Questão presente nas seguintes provas
Sobre o Decreto n°. 5.707/2006 assinale a opção CORRETA.
Provas
Questão presente nas seguintes provas
Considere as disposições proclamadas no Decreto n°. 5.707/2006 que institui a Política Nacional de Desenvolvimento de Pessoal e assinale a resposta CORRETA.
Provas
Questão presente nas seguintes provas
Sobre os princípios de contabilidade, aprovados pelo Conselho Federal de Contabilidade, através da Resolução CFC n.º 750/1993, assinale a opção CORRETA.
Provas
Questão presente nas seguintes provas
De acordo com a Norma Regulamentadora 5 – CIPA, a empresa deverá promover treinamento para os membros da CIPA, titulares e suplentes, antes da posse. Qual a carga horária desse treinamento, distribuídas em no máximo 8 horas diárias e será realizado durante o expediente normal da empresa.
Assinalar a proposição CORRETA.
Provas
Questão presente nas seguintes provas
No que diz respeito às condições sanitárias e de conforto nos locais de trabalho estabelecidas na NR24, a respeito das cozinhas e refeitórios, é CORRETO afirmar que
Provas
Questão presente nas seguintes provas
Cadernos
Caderno Container