Foram encontradas 200 questões.
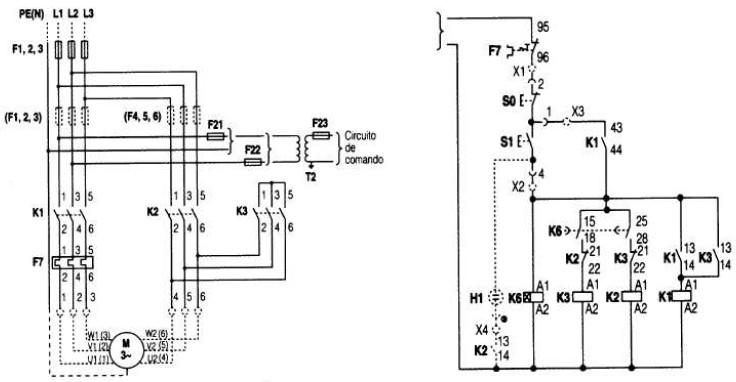
Um grupo de alunos de Eletrotécnica realizou como atividade prática a montagem de uma chave estrela-triângulo, utilizando os diagramas apresentados abaixo. Ao testar o comando, verificou-se que o “led” do relé de tempo sinalizava energização, mas nenhum dos contatores entrava em funcionamento.

É correto afirmar como justificativa do que foi apresentado acima:
Provas
Questão presente nas seguintes provas
Assinale a alternativa que contém a característica que NÃO encontramos na placa de um motor de indução trifásico:
Provas
Questão presente nas seguintes provas
Com relação às teclas de atalho do MS Office 2003, assinale a afirmativa correta:
Provas
Questão presente nas seguintes provas
Tanto a receita prevista quanto a despesa fixada, na lei orçamentária anual, serão escrituradas no sistema:
Provas
Questão presente nas seguintes provas
As afirmativas abaixo descrevem a função de ingredientes para fabricação de pães:
I. Hidrata a farinha, possibilita a formação do glúten, controla a consistência da massa e dissolve os sais, possibilitando a ação das enzimas.
II. Melhora a força do glúten, realça o sabor, controla a fermentação e o tempo de mistura.
III. Confere o sabor, serve como amaciante, substrato para o fermento biológico produzir o gás e colabora na retenção da umidade.
IV. Lubrifica a massa, aumenta a retenção da umidade, contribui para o aumento do pão e melhora as propriedades de conservação deste alimento.
Assinale a alternativa que corresponde, respectivamente, aos ingredientes descritos acima:
Provas
Questão presente nas seguintes provas

O diálogo entre a temática do Texto 1 e a do Texto 2 pode ser identificado a partir da crítica:
Provas
Questão presente nas seguintes provas
As proposições abaixo abordam a finalidade da educação superior.
I. Estimular a criação cultural e o desenvolvimento do espírito científico e do pensamento reflexivo.
II. Formar replomados nas diferentes áreas de conhecimento, aptos para a inserção em setores profissionais e para a participação no desenvolvimento da sociedade brasileira, e colaborar na sua formação contínua.
III. Incentivar o trabalho de pesquisa e investigação científica, visando o desenvolvimento da ciência e da tecnologia e da criação e difusão da cultura, e, desse modo, desenvolver o entendimento do homem e do meio em que vive.
IV. Promover a divulgação de conhecimentos culturais, científicos e técnicos que constituem patrimônio da humanidade e comunicar o saber através do ensino, de publicações ou de outras formas de comunicação.
V. Suscitar o desejo permanente de aperfeiçoamento cultural e profissional e possibilitar a correspondente concretização, integrando os conhecimentos que vão sendo adquiridos numa estrutura intelectual sistematizadora do conhecimento de cada geração.
Estão corretas, apenas:
Provas
Questão presente nas seguintes provas
Um imóvel comprado por um comerciante pelo valor de R$ 250.000,00 será pago da seguinte forma: 68% no ato e o restante pago em cheque numa única parcela, em cinco meses a uma taxa de 5% ao mês. Passados dois meses, ele resolve resgatar o cheque. Qual deve ser a taxa de desconto comercial simples para que o valor pago seja de R$ 88.000,00?
Provas
Questão presente nas seguintes provas
O homem se tornou lobo para o homem, porque a meta do desenvolvimento industrial está concentrada num objeto e não no ser humano. A tecnologia e a própria ciência não respeitaram os valores éticos e, por isso, não tiveram respeito algum para o humanismo. Para a convivência. Para o sentido mesmo da existência.
Na própria política, o que contou no pós-guerra foi o êxito econômico e, muito pouco, a justiça social e o culto à verdadeira imagem do homem. Fomos vítimas da ganância e da máquina. Das cifras. E, assim, perdemos o sentido autêntico da confiança, da fé e do amor. As máquinas andaram por cima da plantinha sempre tenra da esperança. E foi o caos.
(ARNS, Paulo Evaristo. Em favor do homem.
Rio de Janeiro: Avenir, p.10. Adaptado.)
Evaristo Arns inicia o texto retomando uma frase do filósofo Hobbes: “O homem se tornou lobo para o homem”. A este recurso, atribui-se a denominação de:
Provas
Questão presente nas seguintes provas
Uma vez corrigido o fator de potência desse quadro para 1,00, é correto afirmar que será obtida uma redução percentual da corrente de aproximadamente:
Provas
Questão presente nas seguintes provas
Cadernos
Caderno Container