Foram encontradas 200 questões.
O empenho com o objetivo de atender às despesas com o valor previamente conhecido e cujo pagamento deva ocorrer de uma só vez, de acordo com as modalidades de empenho existentes, chama-se:
Provas
Questão presente nas seguintes provas
Seis motoristas de uma empresa compraram uma pizza dividida em oito fatias. Após cada um deles comer uma fatia, dividiram igualmente o que restou entre eles. João, um dos motoristas, não quis mais e deu a parte que lhe cabia a Manoel. Assim, Manoel comeu o equivalente a:

Provas
Questão presente nas seguintes provas
Com relação ao compressor de pistão, é correto afirmar que:
Provas
Questão presente nas seguintes provas
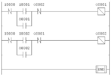
O diagrama Ladder da figura abaixo representa o acionamento de um motor que pode girar nos sentidos horário e anti-horário.

Assinale a alternativa que descreve a correta lógica de funcionamento do diagrama:
Provas
Questão presente nas seguintes provas
Com apenas 70 alunos, surgia em 1909 a Escola de Aprendizes e Artífices, tendo por objetivo profissionalizar jovens pernambucanos. Passado mais de um século, a Instituição, já com o nome de Instituto Federal de Educação, Ciência e Tecnologia de Pernambuco – IFPE, formado pelo antigo CEFET-PE e Agrotécnicas Federais, continua com sua nobre missão de oferecer educação profissional, pública e de qualidade, inserindo jovens e adultos no mercado de trabalho.
Ao lado, vemos uma foto dos pioneiros da educação profissional em Pernambuco, cujas dimensões são 6,65 cm x 5,04 cm.

Desejando-se ampliar essa foto para fazer um painel de 5,32 m de comprimento, qual deve ser sua altura, mantendo-se as atuais proporções?
Provas
Questão presente nas seguintes provas
O Art. 103 da Lei nº 4.320/64 enuncia:
“O Balanço Financeiro demonstrará a receita e a despesa orçamentárias bem como os recebimentos e os pagamentos de natureza extraorçamentária, conjugados com os saldos, em espécie, provenientes do exercício anterior e os que se transferem para o exercício seguinte”.
O parágrafo único do artigo acima determina que os restos a pagar do exercício serão computados na receita extraorçamentária com a finalidade de:
Provas
Questão presente nas seguintes provas
Considerando um circuito R-L em série, julgue as afirmativas abaixo e assinale a alternativa correta.
I. Se R !$ \gg !$ !$ \omega !$L, o ângulo de defasagem entre a tensão aplicada e a corrente do circuito tende para próximo de 90º.
II. Se !$ \omega !$L= !$ \sqrt{3} !$ R, o ângulo de fase será de 60º.
III. O módulo da Impedância será !$ \sqrt{R^2 + (\omega L)^2}. !$
IV. A corrente estará atrasada, em relação à tensão aplicada, de um ângulo compreendido entre 0º e 90º, dependendo dos valores relativos de R e !$ \omega !$L.
Provas
Questão presente nas seguintes provas
Um indústria de grande porte que processa pescados tem interesse em exportar seus produtos para a Europa. Para que isso ocorra, obrigatoriamente, ela deverá possuir:
Provas
Questão presente nas seguintes provas
Com relação à bomba de pistão, é correto afirmar que:
Provas
Questão presente nas seguintes provas
Com relação à administração do sistema operacional Windows XP, marque a alternativa correta:
Provas
Questão presente nas seguintes provas
Cadernos
Caderno Container