Foram encontradas 200 questões.
No processamento de massa (panificação), quais as causas de defeitos externos no pão francês?
Provas
Questão presente nas seguintes provas
Com relação à Internet, assinale a afirmativa correta:
Provas
Questão presente nas seguintes provas
A figura abaixo mostra o diagrama elétrico de uma partida direta:

Marque a alternativa que mostra o diagrama em linguagem Ladder que representa o diagrama elétrico da figura:
Provas
Questão presente nas seguintes provas
1354664
Ano: 2010
Disciplina: Administração Financeira e Orçamentária
Banca: IF-PE
Orgão: IF-PE
Disciplina: Administração Financeira e Orçamentária
Banca: IF-PE
Orgão: IF-PE
Provas:
Sobre a Lei Orçamentária Anual, julgue os itens a seguir:
I. Compreenderá o orçamento fiscal.
II. Compreenderá o orçamento de investimento.
III. Compreenderá o orçamento da seguridade social.
Assinale a alternativa correta:
Provas
Questão presente nas seguintes provas
Analise a planilha em Excel 2003 e o gráfico a seguir:


Considerando a situação apresentada, é correto afirmar que:
Provas
Questão presente nas seguintes provas

A informação implícita, no último balão, pode ser recuperada estabelecendo-se a relação entre:
Provas
Questão presente nas seguintes provas
- Estatística DescritivaMedidas de Tendência CentralMédiasMédia AritméticaMédia Ponderada (Agrupados por Valor)
A tabela abaixo apresenta o vencimento básico de oito servidores de um departamento em uma instituição de ensino.
Desconsiderando os centavos, determine o valor médio dos vencimentos nesse departamento.
| Número de servidores | Vencimento básico |
| 01 | R$ 3.062,55 |
| 03 | R$ 2.150,24 |
| 02 | R$ 1.801,72 |
| 02 | R$ 2.003,40 |
Provas
Questão presente nas seguintes provas
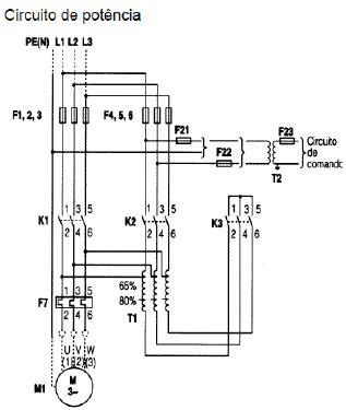
Analise as proposições abaixo referentes à chave compensadora automática representada no diagrama abaixo:

I. No TAP de 65%, obtemos uma redução da corrente de partida de 42%.
II. No TAP de 80%, o conjugado de partida é reduzido aproximadamente a 1/3 do conjugado de partida direta.
III. O contator K3 deve ser dimensionado para uma corrente igual a 23% da nominal do motor.
IV. O contator K2 deve ser dimensionado pela relação (k – k2) In.
Pode-se considerar que:
Provas
Questão presente nas seguintes provas

Sobre os recursos lingüísticos usados na charge, é correto afirmar que:
Provas
Questão presente nas seguintes provas
O motor de CC é composto fundamentalmente de duas partes: estator e rotor. O rotor é formado pelo eixo, enrolamento rotórico e comutador. Quanto ao comutador, podemos afirmar que:
Provas
Questão presente nas seguintes provas
Cadernos
Caderno Container