Foram encontradas 720 questões.
INSTRUÇÃO: A tabela abaixo apresenta dez transformadas de Laplace. Caso necessário, utilize-a na resolução da questão.
| f(t) | F(s) | f(t) | F(s) | ||
| 1 | 1 | !$ { \large 1 \over S} !$ | 6 | cos at | !$ { \large S \over S^2 + a^2} !$ |
| 2 | t | !$ { \large 1 \over S^2} !$ | 7 | senh at | !$ { \large a \over S^2 - a^2} !$ |
| 3 | tn, n natural | !$ { \large n! \over S^{n+1}} !$ | 8 | cosh at | !$ { \large S \over S^2 - a^2} !$ |
| 4 | eat | !$ { \large 1 \over S-a} !$ | 9 | !$ H( t -a), a \ge 0 !$ | !$ { \large e^{-as} \over S} !$ |
| 5 | sen at | !$ { \large a \over S^2 + a^2} !$ | 10 | !$ \delta( t -a), a \ge 0 !$ | e-as |
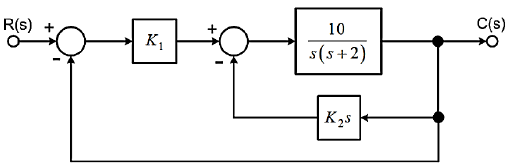
Seja o sistema de controle com retroação apresentado na figura abaixo:

Utilizando o critério de estabilidade de Routh, pode-se determinar os valores dos ganhos K1 e K2 para que o sistema seja estável. Dessa forma, os ganhos são:
Provas
Questão presente nas seguintes provas
E a bolsa masculina?
Walcyr Carrasco
Vou a um encontro formal. Boto paletó e gravata. E começo a encher os bolsos: chaves, celular, caneta, cartões de crédito e de visita, carteira, documentos pessoais e do carro, talão, óculos de sol, lenço, iPod — ninguém é de ferro. Em minutos meu terno estufa. O botão do paletó não fecha por causa do celular. Meu traseiro fica quadrado devido aos documentos acomodados nos bolsos de trás. A calça, por causa do peso, escorrega pela barriga, que salta sobre o cinto! E minha elegância desaparece! Pior: dali a pouco tudo se confunde. Para achar algum desses itens, vasculho o interior de minhas roupas com os dedos. Vou pegar a caneta e retiro as chaves.
O vestuário masculino tornou-se obsoleto, essa é a verdade. As sortudas das mulheres têm as bolsas. A bolsa feminina equivale à caixa-preta do avião. Só se sabe o que há lá dentro após uma investigação minuciosa. São itens variados, que vão de maquiagem a tíquetes de passagens antigas e fotos de entes queridos amassadas. Mas é confortável. A proprietária de uma bolsa enfia o que quiser lá dentro. Resgata quando houver necessidade. Mesmo se for preciso espalhar o conteúdo no sofá. E, em casos extremos, chamar o Corpo de Bombeiros!
A bolsa masculina já esteve em moda. Não me refiro à época dos hippies barbudões com horrendos artefatos de couro cru e sandálias nos pés. Houve um tempo em que homens usavam bolsas elegantes. Recheadas de inutilidades, mas, apesar dessa contradição, úteis. Grandes grifes ainda produzem bolsas masculinas. Poucos as usam.
As pochetes são práticas, mas ganharam fama de cafonas. Confesso: tenho horror! Existe imagem mais brega do que a de um barrigudo com o botão aberto no umbigo e uma pochete estufada no cinto?
Os executivos preferem as pastas. Elas costumam oferecer compartimentos para laptop, documentos variados, bloco de notas, remédios, três ou quatro celulares, enfim... tudo! Tais quais as bolsas femininas, abrigam mistérios. Só são esvaziadas de tempos em tempos, diante de uma ameaça de divórcio, por exemplo. Com frequência, moscas, vespas e até aranhas secas são encontradas entre a papelada.
Pastas são sérias demais. Não combinam com um jeans informal, uma camiseta leve e tênis. E o pior: é muito fácil esquecê-las. Ou vê-las arrebatadas pelas mãos de um larápio. Hoje em dia, perder um laptop ou celular pode se transformar em prejuízo irremediável. Vão embora os contatos comerciais, endereços, enfim... a vida toda!
Alguns preferem mochilas. Executivo de terno e gravata com mochilinha de lona nas costas é uó. Livros, laptop, documentos, perfumes, desodorantes, cuecas limpas e até sujas no caso de viagens rápidas lutam para se acomodar dentro da lona. Eu já imagino: o executivo marca uma reunião com o presidente de um banco para pedir um empréstimo. Vai pegar o laptop para mostrar o projeto. E retira uma cueca, a escova e a pasta de dentes!
Os papas da moda masculina vivem discutindo o número de botões de paletós, a largura das lapelas, se as barras são para dentro ou fora. Redesenham relógios que se tornam cada vez mais inúteis em um mundo onde se veem as horas no celular. Mas ninguém propõe uma solução radical para a roupa do homem.
A volta da bolsa é apenas um item. Enquanto a moda feminina evolui e se transforma a cada ano, a masculina marca passo. Olho as vitrines dos shoppings e tudo é semelhante ao ano passado. Fico pensando: quando algum estilista oferecerá uma mudança radical, capaz de fazer a cabeça de todos nós e tornar o traje masculino realmente prático e confortável?
(Fonte: Revista Veja, 27/05/2011.)
O termo em destaque no trecho Executivo de terno e gravata com mochilinha de lona nas costas é uó (linha 29) pode ser substituído sem prejuízo de sentido por
Provas
Questão presente nas seguintes provas
- História das ComunicaçõesPolíticas, Filosofias, Problemas, Tendências e Discussões Sobre Comunicação
Sobre os meios informativos no século XX, analise as afirmativas.
I - Com a concorrência da televisão, o jornalismo impresso investiu na análise da informação e na interpretação do fato.
II - A rapidez da divulgação da informação no rádio e na televisão minimizou a importância do furo jornalístico e da edição extra no jornalismo impresso.
III - A concorrência da televisão obrigou o jornalismo impresso a adotar o lead contendo as questões primárias – quem, o que, quando, onde, como e por quê.
IV - O jornalismo impresso manteve vantagem em relação ao rádio e à televisão nos quesitos tempo e espaço de divulgação da informação.
Está correto o que se afirma em
Provas
Questão presente nas seguintes provas
INSTRUÇÃO: A tabela abaixo apresenta dez transformadas de Laplace. Caso necessário, utilize-a na resolução da questão.
| f(t) | F(s) | f(t) | F(s) | ||
| 1 | 1 | !$ { \large 1 \over S} !$ | 6 | cos at | !$ { \large S \over S^2 + a^2} !$ |
| 2 | t | !$ { \large 1 \over S^2} !$ | 7 | senh at | !$ { \large a \over S^2 - a^2} !$ |
| 3 | tn, n natural | !$ { \large n! \over S^{n+1}} !$ | 8 | cosh at | !$ { \large S \over S^2 - a^2} !$ |
| 4 | eat | !$ { \large 1 \over S-a} !$ | 9 | !$ H( t -a), \ge 0 !$ | !$ { \large e^{-as} \over S} !$ |
| 5 | sen at | !$ { \large a \over S^2 + a^2} !$ | 10 | !$ \delta( t -a), \ge 0 !$ | e-as |
Na automação industrial, utiliza-se de sensores digitais e analógicos. Um exemplo de sensor analógico é:
Provas
Questão presente nas seguintes provas
QUEBRAR TABUS: PROFISSÕES
FEMININAS QUE OS HOMENS
PASSARAM A DOMINAR
FEMININAS QUE OS HOMENS
PASSARAM A DOMINAR
Preconceito e quebra de tabu, o homem está conquistando espaço nos trabalhos considerados femininos
27/04/2016 EDUARDO BIELUCZYK
Passou o tempo em que os homens e mulheres não desempenhavam a mesma função. Hoje, uma mulher pode trabalhar em um canteiro de obras, enquanto um homem ganha a vida vendendo cosméticos. As mulheres foram para o mercado de trabalho “masculino”, e os homens invadiram as profissões que, antes, eram desempenhadas por mulheres.
Contudo, toda minoria acaba chamando mais atenção. Por isso, a mudança de áreas entre os sexos pode gerar certo preconceito por parte da maioria. Justamente por acharem que “não é serviço de homem”, ou que torne o mais afeminado – o que não faz sentido algum.
Até se pode arriscar dizer que há uma mudança cultural nesse sentido. Boa parte por conta da globalização e das novas gerações, que são mais abertas do que as de antigamente, tem a tendência de que não faça mais a distinção entre os sexos e, desta forma, não exista ramos exclusivos para mulheres ou para homens.
Secretário
Há quinze anos não havia registro de homens nessa categoria. Hoje, eles são 10% do total de profissional, segundo um estudo feito pelo SINSESP.
A carreira do Secretariado mudou o perfil na década de 1990. O mercado exigiu ampliação de tarefas, atuação estratégica e nova doutrina na pesquisa científica, valorizando que os profissionais do Secretariado busquem os mestrados e doutorados e garantindo empregabilidade também na área acadêmica. Fato importante: que os homens se interessaram pela profissão, trazendo um forte componente de “miscigenação” no gênero e assim mais profissionalização, deixando para trás a ideia de uma profissão exclusivamente feminina [...]
(Disponível em: http://portalnodegravata.com.br. Acesso em: 01/10/2016.)
Com base no código de ética da profissão, NÃO é postura profissional do Técnico em Secretariado:
Provas
Questão presente nas seguintes provas
O vocabulário é a coleção de termos usados na representação do conteúdo do documento, e a sintaxe inclui os artifícios usados para relacionar os conceitos, estabelecer descritores e a ordem de citação, e inclui elementos promotores da revocação. Considere os elementos:
I - Controle de sinonímias, agrupamentos das formas de palavras.
II - Agrupamentos de conceitos, ligação hierárquica.
III - Função, ligação.
IV - Coordenação, distinção de homônimos.
II - Agrupamentos de conceitos, ligação hierárquica.
III - Função, ligação.
IV - Coordenação, distinção de homônimos.
São elementos que aumentam o número de documentos e diminuem o vocabulário:
Provas
Questão presente nas seguintes provas
Pode-se considerar como principal idealizador da Teoria da Excelência das Organizações o estudioso da administração Robert Monks que, de forma ativa, proporcionou o início da consolidação da Governança Corporativa nas organizações. Acerca desse tema, marque V para as afirmativas verdadeiras e F para as falsas.
( ) Com referência às origens da Governança Corporativa, pode-se considerar o tripé formado pelo fundo de investimento LENS, relatório Cadbury e pelos princípios da OCDE.
( ) A Lei Sarbanes-Oxley se preocupa com os aspectos de constituição, estruturação e separação das responsabilidades do Conselho de Administração e da Diretoria Executiva, bem como a alocação da administração geral da organização.
( ) A Governança Corporativa é o conjunto estruturado, lógico e disseminado de normas de conduta e de orientações ao processo decisório nas organizações quanto ao que deve ser considerado certo ou errado.
( ) Um dos objetivos inerentes à Governança Corporativa é que as responsabilidades e a forma de atuação do Conselho de Administração devem estar muito bem definidas, entendidas, operacionalizadas e avaliadas.
( ) A contribuição da OCDE para a Governança Corporativa está no rigor da atuação da auditoria e das fiscalizações dos atos das organizações, bem como na punição, com severidade, dos atos fraudulentos praticados pelos administradores das organizações.
Assinale a sequência correta.
Provas
Questão presente nas seguintes provas
INSTRUÇÃO: A tabela abaixo apresenta dez transformadas de Laplace. Caso necessário, utilize-a na resolução da questão.
| f(t) | F(s) | f(t) | F(s) | ||
| 1 | 1 | !$ { \large 1 \over S} !$ | 6 | cos at | !$ { \large S \over S^2 + a^2} !$ |
| 2 | t | !$ { \large 1 \over S^2} !$ | 7 | senh at | !$ { \large a \over S^2 - a^2} !$ |
| 3 | tn, n natural | !$ { \large n! \over S^{n+1}} !$ | 8 | cosh at | !$ { \large S \over S^2 - a^2} !$ |
| 4 | eat | !$ { \large 1 \over S-a} !$ | 9 | !$ H( t -a), \ge 0 !$ | !$ { \large e^{-as} \over S} !$ |
| 5 | sen at | !$ { \large a \over S^2 + a^2} !$ | 10 | !$ \delta( t -a), \ge 0 !$ | e-as |
Um motor de corrente contínua (CC) possui a seguinte função de transferência, tendo como saída de interesse a velocidade de rotação do eixo (W(s)):
!$ { \large W(s) \over V(s)}= G(s) = { \large K. a \over s+ a} !$
Sendo V(s) a tensão de alimentação do motor CC, deseja-se medir experimentalmente a sua função de transferência (a e k). Para isto, aplica-se uma entrada degrau de amplitude A = 2 volts, a saída foi registrada pelo osciloscópio digital:

Qual a função transferência (G(s)) do Motor CC?
Provas
Questão presente nas seguintes provas
A coluna da esquerda apresenta símbolos de tolerância geométrica e a da direita, a nomenclatura de cada um. Numere a coluna da direita de acordo com a da esquerda.

Assinale a sequência correta.
Provas
Questão presente nas seguintes provas
INSTRUÇÃO: Leia o texto abaixo e responda à questão.
O conhecimento da distribuição granulométrica, entre outros parâmetros, garante a uniformidade da farinha. A distribuição do tamanho de partículas da farinha afeta o tempo de mistura dentro do processo de fabricação e é responsável pela absorção de água, interferindo nas características de maquinabilidade da massa. O controle da granulometria desejada para a farinha minimiza os efeitos das variações na absorção de água e tolerância aos processos industriais de panificação (Posner e Hibbs, 2005).
Em um processo de moagem de farinha de milho, deseja-se obter uma produção (P) de 1000 kg×h-1. A farinha retida na peneira (R) é reciclada para o moinho para obtenção da granulometria desejada. As frações acumuladas de partículas grossas, considerando o diâmetro de corte da peneira utilizada, determinadas em laboratório, foram 0,5; 0,9 e 0,1 para a corrente de alimentação (A), corrente reciclada (R) e produto (P), respectivamente. Qual é a taxa de alimentação (A) de milho a ser utilizada nesse processo?
Provas
Questão presente nas seguintes provas
Cadernos
Caderno Container