Foram encontradas 943 questões.
Em relação às precauções universais, bem como aos procedimentos que devem ser seguidos após exposição ocupacional ao material biológico potencialmente contaminado, é incorreto revelar-se que
Provas
Questão presente nas seguintes provas
São ações desejáveis em um programa de antivírus:
Provas
Questão presente nas seguintes provas
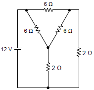
O valor, em W, da potência elétrica total dissipada pelo circuito da figura abaixo é

Provas
Questão presente nas seguintes provas
As mousses são preparações muito utilizadas na elaboração de sobremesas, como recheios de bolos, tortas ou outras especialidades da confeitaria. São características de uma mousse, sobremesa que pode ser servida gelada ou resfriada:
Provas
Questão presente nas seguintes provas
Um carneiro hidráulico será utilizado para abastecimento diário de um reservatório em uma cota de 8 m. A fonte de água possui uma vazão contínua de 40 L min-1 e 4 m de queda. Sabendo-se que, para esse caso, o rendimento do carneiro é de 80%, a vazão de alimentação, para o enchimento do reservatório fornecida pelo equipamento, é
Provas
Questão presente nas seguintes provas
A concentração molar de um ácido clorídrico (massa molar = 180 g/mol), que apresenta densidade = 1,19 g/mL e pureza = 36,5%., é
Provas
Questão presente nas seguintes provas
Nas provas de pista do atletismo, nem todas têm o mesmo ponto de partida, porém todas têm o mesmo ponto de chegada. Tem o mesmo ponto de partida as provas de atletismo de
Provas
Questão presente nas seguintes provas
Segundo a NORMAM 28/DHN, a navegação em mar aberto é realizada em águas marítimas
Provas
Questão presente nas seguintes provas
A determinação dos íons sulfato, seja em águas estuarinas ou em águas doces, é bastante utilizada para estudos da qualidade dessas águas. Existem dois métodos bastante utilizados: o turbidimétrico e o gravimétrico. Ambos utilizam o mesmo princípio, no entanto, na análise turbidimétrica, o precipitado formado
Provas
Questão presente nas seguintes provas
Analise o código Python (versão 3) mostrado a seguir.
Ao final da execução desse código, os valores, na variável lista, estarão
Provas
Questão presente nas seguintes provas
Cadernos
Caderno Container