Foram encontradas 393 questões.
Como é definida a criança e o adolescente no Estatuto da Criança e do Adolescente (ECA), Lei nº 8.069, de 13 de julho de 2009?
Provas
Questão presente nas seguintes provas
A é um processo amplo e complexo, composto por várias modalidades e instrumentos. Em linhas gerais, a , de caráter mais interno e formativo, preocupa-se com o desempenho dos alunos, enquanto a , de caráter mais externo e normativo, preocupa-se com as condições estruturais e humanas, com as teorias educacionais e com os processos pedagógicos utilizados nas instituições escolares.
Assinale a alternativa que contém as expressões que preenchem corretamente as lacunas, respectivamente.
Provas
Questão presente nas seguintes provas
As abordagens da Administração foram sofrendo alterações à medida que o contexto social, econômico e organizacional demandava novas especificidades. Dadas as afirmativas quanto às abordagens da Administração,
I. Os modelos absolutos de gestão, considerados mecanicistas, prescritivos e normativos, com foco nos aspectos formais de uma organização fechada, são típicos da abordagem neoclássica.
II. Os experimentos liderados por Elton Mayo, entre 1927 e 1932, fazem parte da abordagem humanística.
III. A abordagem estruturalista é muito ligada ao campo da sociologia.
verifica-se que está(ão) correta(s)
Provas
Questão presente nas seguintes provas
Uma solução possui uma mistura de ácidos nas seguintes concentrações:
Ácido acético (C2H4O2) = 600 mg/L
Ácido Butírico (C4H8O2) = 440 mg/L
Ácido Propiônico (C3H6O2) = 1480 mg/L
Quais são as porcentagens aproximadas (em concentração molar) dos ácidos acético, butírico e propiônico na solução, respectivamente?
Dados: C = 12 g.mol-1; H = 2 g.mol-1; O = 16 g.mol-1.
Provas
Questão presente nas seguintes provas
Chaves combinadas são ferramentas muito comuns em qualquer tipo de atividade mecânica e são fabricadas por processos de conformação. Assinale a alternativa que representa o processo de fabricação principal desse tipo de ferramenta

Provas
Questão presente nas seguintes provas
Antes de gerir um meio de hospedagem, é preciso saber identificar suas principais características. Quanto aos meios de hospedagem, qual a alternativa correta?
Provas
Questão presente nas seguintes provas
Dadas as afirmativas quanto ao processo de compostagem,
I. O aumento da temperatura no interior da pilha indica que a compostagem está finalizada.
II. A aeração da pilha de compostagem promove a diminuição da temperatura interna.
III. O enriquecimento da pilha com nutrientes melhora as propriedades químicas do composto.
verifica-se que está(ão) correta(s)
Provas
Questão presente nas seguintes provas
O cultivo do camarão de água doce Macrobachium rosenberg é uma das atividades aquícolas que vêm gerando grande interesse por parte dos carcinocultores, devido a fatores peculiares como a boa aceitação do mercado e a facilidade de cultivos em águas interiores. Entretanto, o comportamento hierárquico dessa espécie, que é dividida em castas, é considerado um entrave no desenvolvimento da atividade. Sendo assim, como forma de minimizar os prejuízos no cultivo por perda de machos com brigas por dominância e uma menor desuniformidade do lote, recomenda-se estabelecer a proporção de machos de garras azuis e de maior porte, machos de garras laranjas (médio porte) e de garras translucidas (menor porte), respectivamente, em
Provas
Questão presente nas seguintes provas
2350670
Ano: 2016
Disciplina: Administração Financeira e Orçamentária
Banca: UFAL
Orgão: IF-AL
Disciplina: Administração Financeira e Orçamentária
Banca: UFAL
Orgão: IF-AL
Provas:
O orçamento público no Brasil é alicerçado em princípios que devem ser atendidos no momento da sua composição. O princípio que impõe que cada Município, Estado e a União somente apresente um documento como peça orçamentária é o princípio
Provas
Questão presente nas seguintes provas
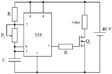
O circuito da figura é formado por um oscilador estável baseado no CI 555 que controla o chaveamento do transistor Q1, usado no controle de potência da carga. Considerando que as perdas em Q1 são nulas e que o potenciômetro P1, com valor R de resistência nominal, está ajustado para 1/2 do seu valor, a tensão média na carga é de

Provas
Questão presente nas seguintes provas
Cadernos
Caderno Container