Foram encontradas 393 questões.
A neutralização do ácido acético é dada pela reação:
CH3COOH + NaOH → CH3COONa + H2O
Qual a massa aproximada, em gramas, de NaOH necessária para neutralizar 25 mL de uma solução de ácido acético 20 g/L?
Dados: C = 12 g.mol-1; H = 1 g.mol-1; O = 16 g.mol-1; Na = 23 g.mol-1.
Provas
Questão presente nas seguintes provas
A Ficha de Informações de Segurança com Produtos Químicos – FISPQ, de acordo com a NBR 14725-4 2014, deve fornecer as informações sobre a substância ou mistura de substâncias em 16 seções padrões cujos títulos, numerações e sequências não podem ser alterados. Assinale a alternativa que corresponde a duas das seções padrões.
Provas
Questão presente nas seguintes provas
Os alimentos processados, isto é, submetidos a um processo tecnológico para transformação e/ou aumento de sua vida útil, são geralmente acondicionados em embalagens próprias que visam facilitar sua conservação, comercialização e utilização. Dados os itens,
I. Papel.
II. Polipropileno.
III. Celofane/polietileno.
IV. Alumínio.
verifica-se que são classificados como embalagens flexíveis para alimentos
Provas
Questão presente nas seguintes provas
O circuito integrado 555 é utilizado em diversas aplicações como temporizador ou oscilador. Mesmo tendo sido criado na década de 70, ainda hoje continua em pleno uso graças a sua simplicidade, baixo preço e boa confiabilidade. Ele possui oito pinos: GND (terra), TRIGGER (gatilho), OUTPUT (saída), RESET, CONTROL (tensão de controle), THRESHOLD (limiar), DISCHARGE (descarga) e VCC (positivo da alimentação). O circuito apresenta o funcionamento do 555 em modo oscilador. Qual é a frequência da onda quadrada formada pelo circuito da figura utilizando os seguintes elementos: R1 = 10 k!$ \Omega !$, R2 = 10 k!$ \Omega !$ e C1 = 10 !$ \mu !$F? (Considere ln(2) = 0,7)

Provas
Questão presente nas seguintes provas

Na figura, é representada a tela de um osciloscópio. Nessa tela podem ser visualizadas as formas de onda A e B obtidas a partir de medições nos pontos A e B do circuito mostrado. Sabendo que o osciloscópio está ajustado com 0,4 V/div e 0,2 s/div para os canais que mediram as formas de onda A e B, o valor pico-a-pico da tensão da fonte, o valor pico-a-pico da corrente no ramo do resistor R = 3 k!$ \Omega !$ e a defasagem entre os dois sinais são, respectivamente,
Provas
Questão presente nas seguintes provas
A Norma Regulamentadora NR 5 dispõe sobre a Comissão Interna de Prevenção de Acidentes – CIPA, que tem como objetivo a prevenção de acidentes e doenças decorrentes do trabalho. Assinale a alternativa correta em relação ao que é estabelecido pela NR 5.
Provas
Questão presente nas seguintes provas
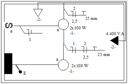
A figura representa a planta de um projeto elétrico cuja tensão da rede é 220 V. A simbologia adotada está de acordo com as normas vigentes.

Dadas as afirmativas,
I. A tomada de luz alta (2,0 m do piso acabado) é uma tomada de uso específico (TUE) e, portanto, não deveria estar alocada no circuito 2 junto com outra tomada.
II. No circuito 2, há uma tomada cuja potência não foi indicada. Porém, de acordo com as normas vigentes, sabe-se que a potência dessa tomada é 100 VA.
III. No eletroduto indicado pela letra E, devem passar 4 condutores: fase do circuito 1, fase do circuito 2, neutro e condutor de proteção.
IV. O condutor de retorno no circuito de iluminação está corretamente representado nos locais onde há necessidade.
verifica-se que está(ão) correta(s)
Provas
Questão presente nas seguintes provas
O concreto desenvolve sua resistência ao longo do tempo em função das reações de hidratação do cimento, podendo atingir níveis elevados de resistência à compressão. Com relação à resistência à compressão do concreto, assinale a alternativa correta.
Provas
Questão presente nas seguintes provas
Com relação ao controle tecnológico do concreto, dadas as afirmativas,
I. Para o controle da resistência à compressão por amostragem parcial, é necessário moldar apenas dois corpos de prova de cada amassada de concreto.
II. Para o controle da consistência, é necessário medir o abatimento do tronco de cone de cada amassada de concreto produzido em obra.
III. Para o controle da consistência, é necessário medir o abatimento do tronco de cone de cada caminhão betoneira, no caso de concreto produzido em central.
IV. Para o controle da resistência do concreto produzido em central por amostragem total, deve-se moldar, no mínimo, seis exemplares de corpos de prova para cada betonada.
verifica-se que está(ão) correta(s)
Provas
Questão presente nas seguintes provas
2350703
Ano: 2016
Disciplina: TI - Organização e Arquitetura dos Computadores
Banca: UFAL
Orgão: IF-AL
Disciplina: TI - Organização e Arquitetura dos Computadores
Banca: UFAL
Orgão: IF-AL
Acerca das representações numéricas em sistemas digitais, assinale a alternativa correta.
Provas
Questão presente nas seguintes provas
Cadernos
Caderno Container